电脑桌面
添加小米粒文库到电脑桌面
安装后可以在桌面快捷访问

质量追溯用表格VIP免费

质量追溯用表格_第1页
1/23
质量追溯用表格_第2页
2/23
质量追溯用表格_第3页
3/23
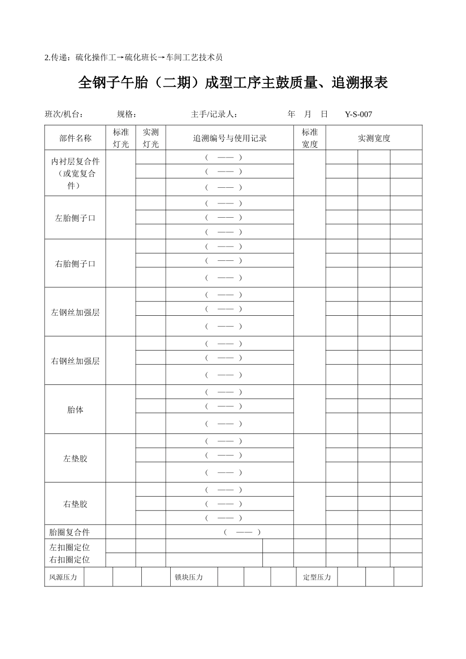
全钢子午胎(二期)硫化质量追溯记录机台号:规格:品牌(定牌)模具号年月日Y-S-009项目班序号左模右模硫化胎号胎胚号胶囊次数硫化胎号胎胚号胶囊次数班次12345操作人678910备注:设备故障/动力波动处理记录合模力:班次12345操作人678910备注:设备故障/动力波动处理记录合模力:班次12345操作人678910备注:设备故障/动力波动处理记录合模力:说明:1.“备注”一栏对胎胚检查中存在的质量问题,设备、动力波动等问题及处理加以说明。2.传递:硫化操作工→硫化班长→车间工艺技术员全钢子午胎(二期)成型工序主鼓质量、追溯报表班次/机台:规格:主手/记录人:年月日Y-S-007部件名称标准灯光实测灯光追溯编号与使用记录标准宽度实测宽度内衬层复合件(或宽复合件)(——)(——)(——)左胎侧子口(——)(——)(——)右胎侧子口(——)(——)(——)左钢丝加强层(——)(——)(——)右钢丝加强层(——)(——)(——)胎体(——)(——)(——)左垫胶(——)(——)(——)右垫胶(——)(——)(——)胎圈复合件(——)左扣圈定位右扣圈定位风源压力锁块压力定型压力侧压辊压力(高压)侧压辊压力(中压)侧压辊压力(低压)单位:长度、宽度、定位mm,压力MPa或kgf/cm2。胎圈检查合格,记录合格。全钢子午胎(二期)成型工序辅鼓质量追溯报表班次/机台:规格:辅手/记录人:修胎:年月日Y-S-008部件名称标准左灯线标准右灯线实测右灯线实测右灯线追溯编号与使用记录标准宽度实测宽度带束层一层(——)(——)(——)带束层二层(——)(——)(——)带束层三层(——)(——)(——)零度带束层(——)(——)(——)胎面胎胚编号与使用记录花纹全宽肩宽长度辅鼓周长首次中间末次胎胚周长首件中间末件单位:长度、宽度、定位mm,压力MPa或kgf/cm2。胎圈检查合格,记录合格。全钢子午胎(二期)半成品工序质量追溯记录工序:月日班次:操作主手:Y-S-006半成品规格名称质量追溯编号生产时间原料名称原料追溯编号备注:说明:1.传递:机台主手→当班追溯管理员→车间专管员2.质量追溯编号:********(**---**)月日班次机台工号首件顺序号末件顺序号全钢子午胎(二期)母炼胶混炼追溯记录操作主手:Y-S-004序号机台班次工号月日母胶代号数量小料追溯号母炼胶追溯号月日班次工号月日班次机台工号顺序号12345678910111213141516171819202122全钢子午胎(二期)终炼胶混炼追溯记录操作主手:Y-S-005序号机台班次工号月日终炼胶代号数量硫磺、促进剂追溯编号母炼胶追溯编号月日班次工号月日班次机台工号顺序号12345678910111213141516171819202122全钢子午胎(二期)使用原材料记录原材料名称:Y-S-003批次产地质量情况使用要求投用日期结束日期备注(箱号)全钢子午胎(二期)原材料入库记录原材料名称:Y-S-001产地(来源)入库时间数量批次质量情况使用要求投用日期结束日期备注全钢子午胎(二期)原材料使用跟踪卡Y-S-002原料名称产地试验编号批次数量试验结果发货日期发货人:收货人:投用日期使用人:结束日期配料班长质量跟踪状况质检员:备注发卡人:年月日说明:此单一式三份,由技术部填写使用要求,一联留存;其余送至仓库保管员,待其发货留存一份后转给使用车间;使用车间收料人及班长在使用结束并在相关栏目签字后,交当班质管员验证,由使用车间自存。-----------------------------------------------------------------------------------------------------全钢子午胎(二期)原材料使用跟踪卡Y-S-002原料名称产地试验编号批次数量试验结果发货日期发货人:收货人:投用日期使用人:结束日期配料班长质量跟踪状况质检员:备注发卡人:年月日说明:此单一式三份,由技术部填写使用要求,一联留存;其余送至仓库保管员,待其发货留存一份后转给使用车间;使用车间收料人及班长在使用结束并在相关栏目签字后,交当班质管员验证,由使用车间自存。全钢子午胎(二期)碳黑追溯记录表Y-S-10日期班次碳黑规格批次产地碳黑质量操作人监督人上辅机人员备注全钢子午胎(二期)小料配合追溯传递卡K-S-001胶料名称代号小料配合追溯编号代...

1、当您付费下载文档后,您只拥有了使用权限,并不意味着购买了版权,文档只能用于自身使用,不得用于其他商业用途(如 [转卖]进行直接盈利或[编辑后售卖]进行间接盈利)。
2、本站所有内容均由合作方或网友上传,本站不对文档的完整性、权威性及其观点立场正确性做任何保证或承诺!文档内容仅供研究参考,付费前请自行鉴别。
3、如文档内容存在违规,或者侵犯商业秘密、侵犯著作权等,请点击“违规举报”。

碎片内容

质量追溯用表格

精华资料店+ 关注
实名认证
内容提供者

大量教育教学资料

相关文档

确认删除?
VIP
微信客服
  • 扫码咨询
会员Q群
  • 会员专属群点击这里加入QQ群
客服邮箱
回到顶部