电脑桌面
添加小米粒文库到电脑桌面
安装后可以在桌面快捷访问

IATF16949乌龟图质量手册(doc 50页)VIP免费

IATF16949乌龟图质量手册(doc 50页)_第1页
1/48
IATF16949乌龟图质量手册(doc 50页)_第2页
2/48
IATF16949乌龟图质量手册(doc 50页)_第3页
3/48
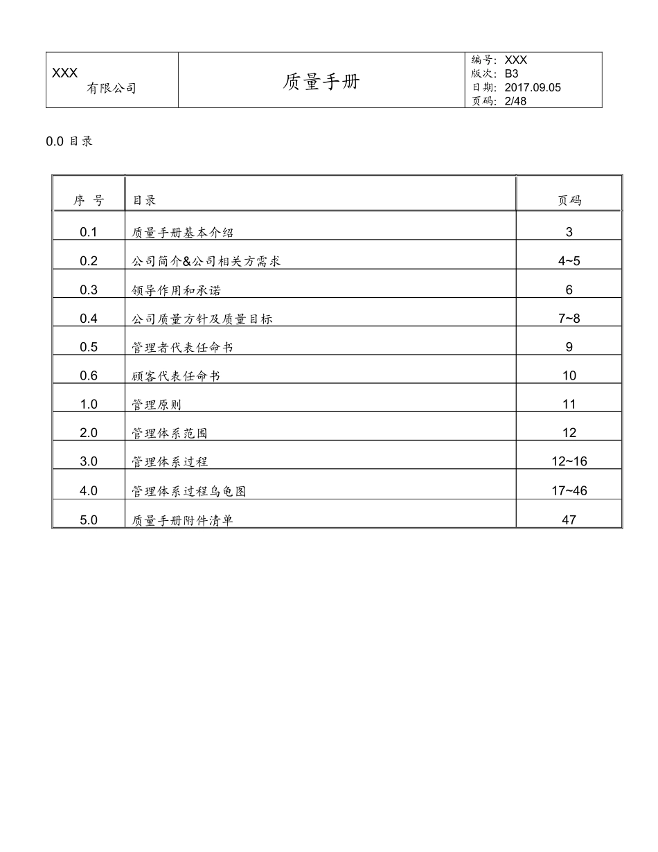
XXX有限公司质量手册编号:XXX版次:B3日期:2017.09.05页码:1/48批准页批准XXX职务总经理编制:XXX审核:管理者代表发放范围:所有部门(公共盘电子档发放)000–修订页版次日期负责人修订说明页码A02006/01/01XXX新发布全部A12009/03/31XXX修订全部A22011/03/31XXX更改公司名称全部B02011/08/01XXX改版全部B12012/07/05XXX版次更新、更改公司名称全部B22013/09/25XXX修订全部B32017/09/05XXXISO/TS16949换版为IATF16949全部XXX有限公司质量手册编号:XXX版次:B3日期:2017.09.05页码:2/480.0目录序号目录页码0.1质量手册基本介绍30.2公司简介&公司相关方需求4~50.3领导作用和承诺60.4公司质量方针及质量目标7~80.5管理者代表任命书90.6顾客代表任命书101.0管理原则112.0管理体系范围123.0管理体系过程12~164.0管理体系过程乌龟图17~465.0质量手册附件清单47XXX有限公司质量手册编号:XXX版次:B3日期:2017.09.05页码:3/480.1质量手册基本介绍1本公司的质量手册根据IATF16949和顾客特定要求,并结合本公司的产品、过程和服务而编制。2本手册是描述XXXIATF16949质量管理体系过程。它是公司IATF16949质量管理体系建立、实施、保持和改进的通用文件,是编制公司质量体系的程序文件及作业指导书的指南。3按照规定,手册以电子版在XXX的文件管理系统中进行受控管理。任何打印出来的版本将非受控。本手册为公司的财产,并为保密的。任何非经授权不允许复制和传播。如因业务原因需将手册发送给外部相关方时,必须经过公司最高管理者批准。XXX有限公司质量手册编号:XXX版次:B3日期:2017.09.05页码:4/480.2公司简介XXX简介XXX(下称公司)成立于2005年9月22日,是由XXX与XXX共同投资的外商合资企业,位于XXX,投资总额XXX人民币,注册资本是XXX人民币。公司董事长XXX先生,总经理XXX先生。本公司经营范围:XXX制造、销售相关测试;相关汽车XXX之设计、测试、开发及XX修整;XXX租赁;相关产品及模具的进出口,分销业务(涉及许可证的凭证经营)。公司目前拥有产线3条,年产量70万辆份;拥有XXX条,年产量130万件;拥有XXX生产线1条,年产量75万件。我们的产品可以完全满足顾客XXX要求。为了确保产品质量,满足顾客的要求和持续改进公司的业绩,公司按照IATF16949:“汽车行业生产件和相关服务件的组织实施特殊要求”建立了质量管理体系,制定了本“质量手册”。“质量手册”是公司全体员工必须遵循的纲领性文件。“质量手册”可以提供给顾客和第三方认证机构,以证明公司有能力满足合同中的质量保证条款和质量保证方面的要求。公司名称:XXX邮编:XXX地址:XXXXXX有限公司质量手册编号:XXX版次:B3日期:2017.09.05页码:5/48公司相关方需求利益相关方需求和期望股东提高股东短期及长期效益。消费者提供优质安全的零部件产品。顾客持续满足客户要求的能力。员工稳定增长的收入和福利与以及职业成长与职业安全。政府相关管理部门遵纪守法、照章纳税、促进当地就业、积极履行社会责任,符合法令法规标准要求,达标排放,节能减排,清洁生产。社会环境保护。供应商及外包商稳定的业务关系、技术支持、良好的回款、互利共赢。XXX有限公司质量手册编号:XXX版次:B3日期:2017.09.05页码:6/480.3领导作用和承诺0.3.1总则最高管理者应证实其对质量管理体系方面的领导作用和承诺,通过:a)对质量管理体系的有效性承担责任;b)确保制定质量管理体系的质量方针和质量目标,并与组织环境和战略方向一致;c)确保质量管理体系要求融入组织的业务过程;d)促进使用过程方法和基于风险的思维;e)确保可获得质量管理体系所需的资源;f)沟通有效的质量管理和符合质量管理体系要求的重要性;g)确保实现质量管理体系的预期结果;h)促使、指导和支持员工努力提高质量管理体系的有效性;i)推动改进;j)支持其他管理者履行其相关领域的职责。0.3.2以顾客为关注焦点最高管理者应证实其以顾客为关注焦点的领导作用和承诺,通过:a)确定、理解并持续满足顾客要求以及适用的法律法规要求;b)确定和应对能够影响产品、服务符合性以及增强顾客满意能力的风险和机遇;c)始终致力于增强顾客满意。0.3.3组织的角...

1、当您付费下载文档后,您只拥有了使用权限,并不意味着购买了版权,文档只能用于自身使用,不得用于其他商业用途(如 [转卖]进行直接盈利或[编辑后售卖]进行间接盈利)。
2、本站所有内容均由合作方或网友上传,本站不对文档的完整性、权威性及其观点立场正确性做任何保证或承诺!文档内容仅供研究参考,付费前请自行鉴别。
3、如文档内容存在违规,或者侵犯商业秘密、侵犯著作权等,请点击“违规举报”。

碎片内容

IATF16949乌龟图质量手册(doc 50页)

您可能关注的文档

确认删除?
VIP
微信客服
  • 扫码咨询
会员Q群
  • 会员专属群点击这里加入QQ群
客服邮箱
回到顶部