电脑桌面
添加小米粒文库到电脑桌面
安装后可以在桌面快捷访问

工程质量检查打分表VIP免费

工程质量检查打分表_第1页
1/16
工程质量检查打分表_第2页
2/16
工程质量检查打分表_第3页
3/16
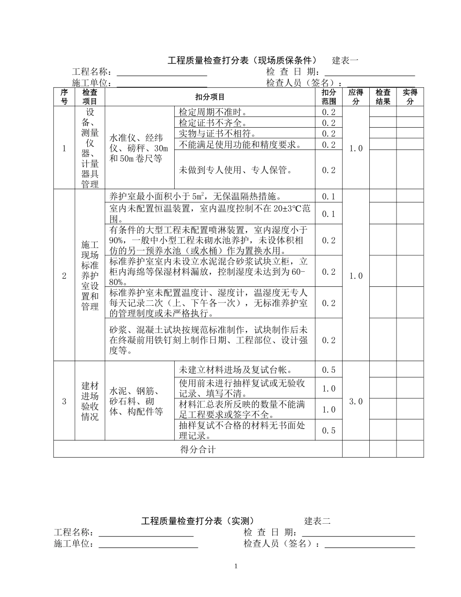
工程质量检查打分表(现场质保条件)建表一工程名称:检查日期:施工单位:检查人员(签名):序号检查项目扣分项目扣分范围应得分检查结果实得分1设备、测量仪器、计量器具管理水准仪、经纬仪、磅秤、30m和50m卷尺等检定周期不准时。0.21.0检定证书不齐全。0.2实物与证书不相符。0.2不能满足使用功能和精度要求。0.2未做到专人使用、专人保管。0.22施工现场标准养护室设置和管理养护室最小面积小于5m2,无保温隔热措施。0.11.0室内未配置恒温装置,室内温度控制不在20±3℃范围。0.1有条件的大型工程未配置喷淋装置,室内湿度小于90%,一般中小型工程未砌水池养护,未设体积相仿的另一预养水池(或水桶)作为置换水用。0.2标准养护室室内未设立水泥混合砂浆试块立柜,立柜内海绵等保湿材料漏放,控制湿度未达到为60-80%。0.2标准养护室未配置温度计、湿度计,温湿度无专人每天记录二次(上、下午各一次),无标准养护室的管理制度或未严格执行。0.2砂浆、混凝土试块按规范标准制作,试块制作后未在终凝前用铁钉刻上制作日期、工程部位、设计强度等。0.23建材进场验收情况水泥、钢筋、砂石料、砌体、构配件等未建立材料进场及复试台帐。0.53.0使用前未进行抽样复试或无验收记录、填写不清。1.0材料汇总表所反映的数量不能满足工程要求或签字不全。1.0抽样复试不合格的材料无书面处理记录。0.5得分合计工程质量检查打分表(实测)建表二工程名称:检查日期:施工单位:检查人员(签名):1序号项目内容检查标准否决条件应得分检查情况实得分1砼结构柱墙每层垂直度允许偏差8mm合格率<90%或最大超差超过1.5倍允许偏差值20检查点数:合格点数:实测合格率:轴线位置允许偏差8mm层高允许偏差±10mm表面平整度允许偏差8mm截面尺寸允许偏差+8、-5mm砼现浇板厚度允许偏差:+8mm,-5mm2砌体结构每层垂直度允许偏差5mm合格率<100%10轴线位置偏移允许偏差10mm层高允许偏差±15mm合格率<90%或最大偏差超过1.5倍允许偏差值10检查点数:合格点数:实测合格率:混水墙表面平整度允许偏差5mm水平灰缝厚度10匹砖砌体水平灰缝平均厚度:8-12mm5皮(轻骨料)砼小型空心砌块的水平灰缝平均厚度为8-12mm5皮蒸压加气砼砌块的水平灰缝平均厚度宜为15mm门窗洞口高、宽(后塞口)允许偏差±5mm3最后得分工程质量检查打分表(检测)建表三工程名称:检查日期:施工单位:检查人员(签名):序检查项目检查标准否决项目应得分检查情况实得分2号1砼强度、砂浆强度回弹检测结果必须全部合格不合格10灰缝砂浆饱满度砖砌体:水平砂浆饱满度不得小于80%;砼小型空心砌块和轻骨料砼小型空心砌块:水平砂浆饱满度不得小于90%,竖向砂浆饱满度不得小于80%2钢筋保护层厚度板类构件应符合设计及规范规定,允许偏差+8mm,-5mm合格率小于90%或最大偏差超过1.5倍允许偏差值。10梁类构件应符合设计及规范规定,允许偏差+10mm,-7mm钢筋间距应符合设计及规范规定,允许偏差±10mm得分合计:3工程质量检查打分表(目测观感)建表四工程名称:检查日期:施工单位:检查人员(签名):序号检查范围扣分范围扣分项目否决项目应得分扣分情况实得分1砼0.2--2出现蜂窝麻面.结构受力钢筋露筋。.出现孔洞、缝隙夹渣。.设计不允许有裂缝的结构出现袭缝,裂缝超过(含)10条。.连接部位有影响结构传力性能的缺陷。.严重违反工程建设标准强制性条文和强制性标准等。.300.2--2模板拼缝处,包括阴阳角等处有漏浆现象0.1--1有爆模现象0.1--1施工缝位置不正确0.1--1楼梯踏步不够平整,有缺棱掉角现象,或面层预留未考虑0.1--1砼有修补,或明显伪饰现象0.1--1柱梁节点不够清晰,上下接搓位置不够准确0.1--1现浇砼楼板不够平整,或有污染0.2--2出现裂缝,发现一处扣0.2分0.1--1砼门窗洞口尺寸不准确0.1--1预埋铁件位置不准确,未防锈0.1--1砼墙面挂浆污染2砌体0.1--1水平灰缝过厚或过薄.留槎不符合要求。.采用质量不合格或产品等级不符合要求的材料。.砌体混砌现象较严重。.承重墙体使用断裂小砌块。.承重墙体任意开凿开孔。.多孔砖、砼小型空心砌块等墙体表留置水平沟槽。.马牙槎未按规范要求留设。.严重违反工程建设标准强制性条文和强制性标准等...

1、当您付费下载文档后,您只拥有了使用权限,并不意味着购买了版权,文档只能用于自身使用,不得用于其他商业用途(如 [转卖]进行直接盈利或[编辑后售卖]进行间接盈利)。
2、本站所有内容均由合作方或网友上传,本站不对文档的完整性、权威性及其观点立场正确性做任何保证或承诺!文档内容仅供研究参考,付费前请自行鉴别。
3、如文档内容存在违规,或者侵犯商业秘密、侵犯著作权等,请点击“违规举报”。

碎片内容

工程质量检查打分表

确认删除?
VIP
微信客服
  • 扫码咨询
会员Q群
  • 会员专属群点击这里加入QQ群
客服邮箱
回到顶部