电脑桌面
添加小米粒文库到电脑桌面
安装后可以在桌面快捷访问

水泵控制器质量检测系统硬件开发VIP免费

水泵控制器质量检测系统硬件开发_第1页
1/4
水泵控制器质量检测系统硬件开发_第2页
2/4
水泵控制器质量检测系统硬件开发_第3页
3/4
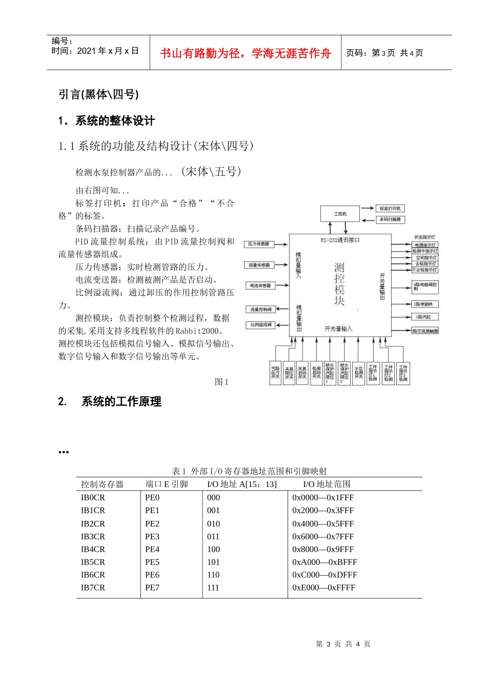
第1页共4页编号:时间:2021年x月x日书山有路勤为径,学海无涯苦作舟页码:第1页共4页5.论文书写或打印格式要求:1)正文共4000字左右,字体一律采用宋体,字体的大小为五号,段落的行间距为1.25倍;正文英文字体一律采用Timesnewroman.2)版面页边距上3cm,下2.5cm,左2.5cm,右2cm;3)页眉加“浙江工业大学机电工程学院优秀毕业设计(论文)”,字体为宋体小五号,居中。4)页码用宋体小五号字页面底端居中。5)引言不排序,正文章节编号采用三级标题顶格排序。一级标题形如1,2,3,…排序;二级标题形如1.1,1.2,1.3,…排序;三级标题形如1.1.1,1.1.2,1.1.3,…排序;水泵控制器质量检测系统硬件开发学生姓名:张三指导教师:李四(浙江工业大学机电工程学院,浙江杭州310032)摘要:本课题主要研究的是水泵控制器质量检测系统,检测水泵控制器是否合格,是否达到预期设计的技术数据。由于现在对水泵控制器产品的检测采用的是人工操作方式,人工操作方式检测工序分散、检测时间过长、检测精度低带来高故障率,所以利用机电一体化的设计理念和设计思路来进行该项目的研制与开发,以实现智能化检测是非常有意义的。本人主要是完成水泵控制器质量检测系统硬件设计部分。关键词:水泵控制器,检测系统,微处理器一级标题,黑体,居中,二号宋体,居中,四号宋体,居中,五号第2页共4页第1页共4页编号:时间:2021年x月x日书山有路勤为径,学海无涯苦作舟页码:第2页共4页TheDesignandImplementationofSwitch-basedIPv6RouterStudent:ZhangSanAdvisor:LiSiCollegeofEngineeringZhejiangUniversityofTechnologyAbstractAprocedureis……Keywords:Network;RouterTimesNewRoman,三号TimesNewRoman,小四号TimesNewRoman,小三号TimesNewRoman,小四号TimesNewRoman,小四号第3页共4页第2页共4页编号:时间:2021年x月x日书山有路勤为径,学海无涯苦作舟页码:第3页共4页引言(黑体\四号)1.系统的整体设计1.1系统的功能及结构设计(宋体\四号)检测水泵控制器产品的...(宋体\五号)由右图可知...标签打印机:打印产品“合格”“不合格”的标签。条码扫描器:扫描记录产品编号。PID流量控制系统:由PID流量控制阀和流量传感器组成。压力传感器:实时检测管路的压力。电流变送器:检测被测产品是否启动。比例溢流阀:通过卸压的作用控制管路压力。测控模块:负责控制整个检测过程,数据的采集,采用支持多线程软件的Rabbit2000。测控模块还包括模拟信号输入、模拟信号输出、数字信号输入和数字信号输出等单元。图12.系统的工作原理…表1外部I/O寄存器地址范围和引脚映射控制寄存器端口E引脚I/O地址A[15:13]I/O地址范围IB0CRPE00000x0000—0x1FFFIB1CRPE10010x2000—0x3FFFIB2CRPE20100x4000—0x5FFFIB3CRPE30110x6000—0x7FFFIB4CRPE41000x8000—0x9FFFIB5CRPE51010xA000—0xBFFFIB6CRPE61100xC000—0xDFFFIB7CRPE71110xE000—0xFFFF第4页共4页第3页共4页编号:时间:2021年x月x日书山有路勤为径,学海无涯苦作舟页码:第4页共4页参考文献[1]StephenE.Deering,RobertM.Hinden,“InternetProtocol,Version6(IPv6)Specification”,RFC2460,December1998.[2]RobertM.Hinden,StephenE.Deering,“IPVersion6AddressingArchitecture”,RFC2373,July1998.[3]RobertM.Hinden,MikeO’Dell,StephenE.Deering,“AnIPv6AggregatableGlobalUnicastAddressFormat”,RFC2374,July1998.[4]林凯,高龄,李乡绅,等.SNMP在校园网络中的应用,西北大学学报(自然科学版),1998,28(4):279-280[5]李清水.人机交互与人机界面设计,北京:清华大学出版社,2004.黑体,小二号宋体,格式要求同正文,中英文参考文献作者,书名(篇名),顺序和格式与这里的示例相同

1、当您付费下载文档后,您只拥有了使用权限,并不意味着购买了版权,文档只能用于自身使用,不得用于其他商业用途(如 [转卖]进行直接盈利或[编辑后售卖]进行间接盈利)。
2、本站所有内容均由合作方或网友上传,本站不对文档的完整性、权威性及其观点立场正确性做任何保证或承诺!文档内容仅供研究参考,付费前请自行鉴别。
3、如文档内容存在违规,或者侵犯商业秘密、侵犯著作权等,请点击“违规举报”。

碎片内容

水泵控制器质量检测系统硬件开发

您可能关注的文档

精华资料店+ 关注
实名认证
内容提供者

大量教育教学资料

相关文档

确认删除?
VIP
微信客服
  • 扫码咨询
会员Q群
  • 会员专属群点击这里加入QQ群
客服邮箱
回到顶部