电脑桌面
添加小米粒文库到电脑桌面
安装后可以在桌面快捷访问

大唐安阳土建检验批质量验收记录2VIP免费

大唐安阳土建检验批质量验收记录2_第1页
1/39
大唐安阳土建检验批质量验收记录2_第2页
2/39
大唐安阳土建检验批质量验收记录2_第3页
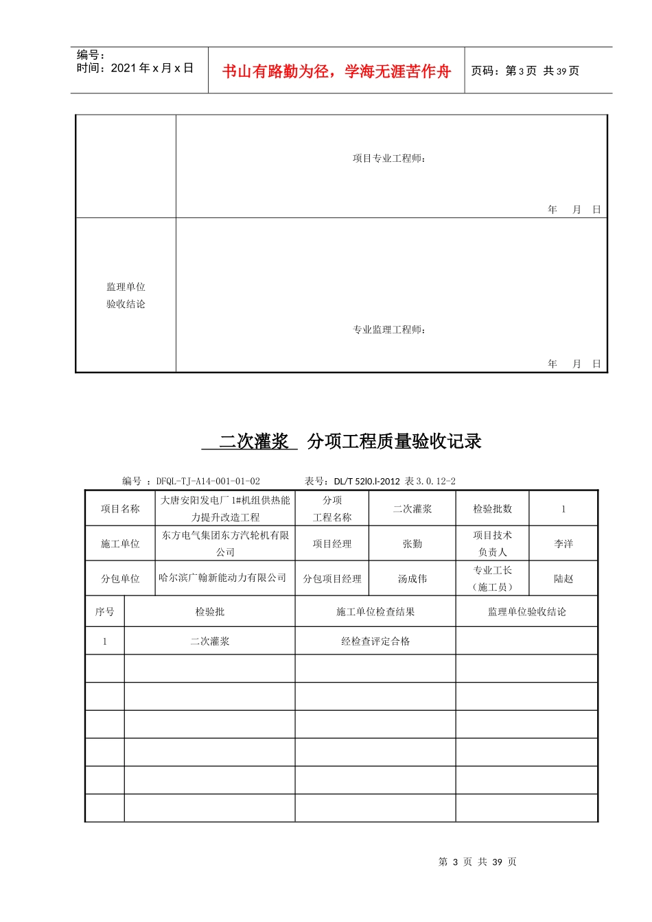
3/39
第1页共39页编号:时间:2021年x月x日书山有路勤为径,学海无涯苦作舟页码:第1页共39页热网加热器基础定位及高程控制分项工程质量验收记录编号:DFQL-TJ-A14-001-01-01DL/T5210.1-2012项目名称大唐安阳发电厂1#机组供热能力提升改造工程分项工程名称定位及高程控制检验批数1施工单位东方电气集团东方汽轮机有限公司项目经理张勤项目技术负责人李洋分包单位哈尔滨广翰新能动力有限公司分包项目经理汤成伟专业工长(施工员)陆赵序号检验批施工单位检查结果监理单位验收结论1定位及高程控制经检查评定合格备注施工单位检查结果分部工程所含分项工程全部合格。项目专业质量检查员:项目专业质量(技术)负责人:年月日总承包单位检查结果项目专业工程师:年月日第2页共39页第1页共39页编号:时间:2021年x月x日书山有路勤为径,学海无涯苦作舟页码:第2页共39页监理单位验收结论专业监理工程师:年月日定位放线检验批质量验收记录表5.2.1编号:DFQL-TJ-A14-001-01-01单位(子单位)工程名称热网加热器基础分部(子分部)工程名称底板结构分项工程名称定位及高程控制验收部位定位及高程控制施工单位东方汽轮机有限公司项目经理张勤分包单位哈尔滨广翰新能动力有限公司分包项目经理汤成伟专业工长(施工员)陆赵施工质量验收规范的规定施工单位自检记录监理单位验收记录类别序号检查项目质量标准主控项目1控制桩测设根据建(构)筑物的主轴线设控制桩。桩深度应超过冰冻土层。主厂房桩数不应少于12个,其它主要建(构)筑物不应少于4个控制桩共布设4个满足要求2平面控制桩精度应符合二级导线的精度要求,主厂房和输煤系统建筑物且应符合现行有关标准的规定边长相对中误差小于3mm,测角中误差5",符合二级导线的精度要求及现行有关标准的规定。3高程控制桩精度应符合三等水准的精度要求符合三等水准的精度要求施工单位检查结果主控项目全部合格,一般项目符合规范规定要求。项目专业质量检查员:项目专业技术负责人:年月日总承包单位检查结果第3页共39页第2页共39页编号:时间:2021年x月x日书山有路勤为径,学海无涯苦作舟页码:第3页共39页项目专业工程师:年月日监理单位验收结论专业监理工程师:年月日二次灌浆分项工程质量验收记录编号:DFQL-TJ-A14-001-01-02表号:DL/T52l0.l-2012表3.0.12-2项目名称大唐安阳发电厂1#机组供热能力提升改造工程分项工程名称二次灌浆检验批数1施工单位东方电气集团东方汽轮机有限公司项目经理张勤项目技术负责人李洋分包单位哈尔滨广翰新能动力有限公司分包项目经理汤成伟专业工长(施工员)陆赵序号检验批施工单位检查结果监理单位验收结论1二次灌浆经检查评定合格第4页共39页第3页共39页编号:时间:2021年x月x日书山有路勤为径,学海无涯苦作舟页码:第4页共39页备注施工单位检查结果分部工程所含分项工程全部合格。项目专业质量检查员:项目专业质量(技术)负责人:年月日总承包单位检查结果项目专业工程师:年月日监理单位验收结论专业监理工程师:年月日二次灌浆检验批质量验收记录表6.7.9编号:DFQL-TJ-A14-001-01-02单位(子单位)工程名称热网加热器基础分部(子分部)工程名称底板结构分项工程名称二次灌浆验收部位设备二次灌浆施工单位东方汽轮机有限公司项目经理张勤分包单位哈尔滨广翰新能动力有限公司分包项目经理汤成伟专业工长(施工员)陆赵施工质量验收规范的规定施工单位自检记录监理单位验收记录类别序号检查项目质量标准主控项目1安装交付基础二次灌浆条件设备安装验收合格,安装过程中基础油污和杂物已清除干净设备安装验收合格,安装过程中基础油污和杂物已清除干净2灌浆混凝土(砂浆)组成材料;灌浆料强度、膨胀系数必须符合设计要求和现行有关标准规定符合设计要求和现行有关标准规定第5页共39页第4页共39页编号:时间:2021年x月x日书山有路勤为径,学海无涯苦作舟页码:第5页共39页3灌浆混凝土(砂浆)强度必须符合设计要求和现行有关标准规定符合设计要求和现行有关标准规定4灌浆基础表面处理全面凿毛,清除表面疏松的混凝土,清洗干净,灌浆前润湿24h,且灌浆层厚度不小于40mm全面凿毛,清除表面疏松的混凝土,清...

1、当您付费下载文档后,您只拥有了使用权限,并不意味着购买了版权,文档只能用于自身使用,不得用于其他商业用途(如 [转卖]进行直接盈利或[编辑后售卖]进行间接盈利)。
2、本站所有内容均由合作方或网友上传,本站不对文档的完整性、权威性及其观点立场正确性做任何保证或承诺!文档内容仅供研究参考,付费前请自行鉴别。
3、如文档内容存在违规,或者侵犯商业秘密、侵犯著作权等,请点击“违规举报”。

碎片内容

大唐安阳土建检验批质量验收记录2

确认删除?
VIP
微信客服
  • 扫码咨询
会员Q群
  • 会员专属群点击这里加入QQ群
客服邮箱
回到顶部