电脑桌面
添加小米粒文库到电脑桌面
安装后可以在桌面快捷访问

导轨支架和导轨安装质量管理VIP免费

导轨支架和导轨安装质量管理_第1页
1/23
导轨支架和导轨安装质量管理_第2页
2/23
导轨支架和导轨安装质量管理_第3页
3/23
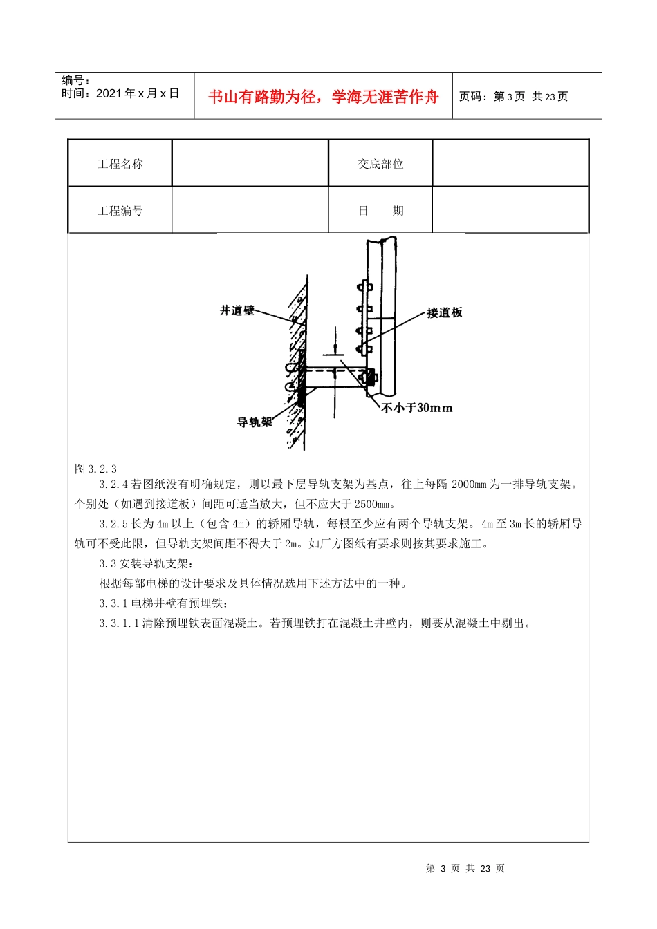
第1页共23页编号:时间:2021年x月x日书山有路勤为径,学海无涯苦作舟页码:第1页共23页工程名称交底部位工程编号日期导轨支架和导轨安装质量管理依据标准:《建筑工程施工质量验收统一标准》GB50300-2001《电梯工程施工质量验收规范》GB50310-20021、范围本工艺标准适用于额定载重量5000kg以下,额定速度3m/s及以下各类国产曳引驱动电梯导轨安装工程。2、施工准备2.1设备、材料要求:2.1.1设备:电梯导轨、导轨支架、压道板、接道板、导轨基础座及相应的连接螺丝等规格、数量要和装箱单相符。产品要有出厂检验合格及技术文件。2.1.2材料:凡使用的材料应有检验合格证或检验资料。使用的材料见表2.1.2,根据电梯设计不同分别采用。安装导轨支架和导轨所使用的材料表2.1.2材料名称规格要求镀锌膨胀螺栓根据设计要求决定过墙穿钉根据设计要求决定一般直径≥δ20钢板δ=16或δ=20的普通低碳钢电焊条3.2mm或4.0mm结T-422普通低碳钢焊条水泥标号不小于325号普通硅酸盐水泥砂子中沙含泥量小于5%石子豆石用水冲洗第2页共23页第1页共23页编号:时间:2021年x月x日书山有路勤为径,学海无涯苦作舟页码:第2页共23页工程名称交底部位工程编号日期2.2主要机具:2.2.1小型卷扬机、电焊机、手砂轮、电锤、尼龙绳(提轨道用)、钢丝绳索(固定滑轮用)、滑轮、电焊工具、鎯头、扳子、錾子、钢板尺、钢盒尺、塞尺、找道尺、铁锹、小铲、水桶、不灰桶、油石、对讲机(或耳机电话)。2.3作业条件:2.3.1梯井墙面施工完毕,其宽度、深度(进深)、垂直度符合施工要求。底坑要按设计标高要求打好地面。2.3.2电梯施工用脚手架既要符合有关的安全要求,承载能力≥2.5kPa(≈250kgf/㎡),又要符合安装轨道支架和安装轨道的操作要求。2.3.3井道施工要用36V以下的低压电照明。每部电梯井道要单独供电(用单独的开关控制),且光照亮度要足够大。2.3.4上、下通讯联络设备要调试好。2.3.5厅门口、机房、脚手架上、井道壁上无杂物,厅门口、机房孔洞要用相应的防护措施,以防止物体坠落梯井。2.3.6要在无风和无其它干扰情况下作业。3、操作工艺3.1工艺流程:确定导轨支架位置→安装导轨支架→安装导轨→调整导轨3.2确定导轨支架的安装位置:3.2.1没有导轨支架预埋铁的电梯井壁,要按照图纸要求的导轨支架间距尺寸及安装导轨支架的垂线来确定导轨支架在井壁上的位置。3.2.2当图纸上没有明确规定最下一排导轨支架和最上一排导轨支架的位置时应按以下规定确定:最下一排导轨支架安装在底坑装饰地面上方1000mm的相应位置。最上一排道架安装在井道顶板下面不大于500mm的相应位置。3.2.3在确定导轨支架位置的同时,还要考虑导轨连接板(接道板)与导轨支架不能相碰。错开的净距离不小于30mm(图3.2.3)。第3页共23页第2页共23页编号:时间:2021年x月x日书山有路勤为径,学海无涯苦作舟页码:第3页共23页工程名称交底部位工程编号日期图3.2.33.2.4若图纸没有明确规定,则以最下层导轨支架为基点,往上每隔2000mm为一排导轨支架。个别处(如遇到接道板)间距可适当放大,但不应大于2500mm。3.2.5长为4m以上(包含4m)的轿厢导轨,每根至少应有两个导轨支架。4m至3m长的轿厢导轨可不受此限,但导轨支架间距不得大于2m。如厂方图纸有要求则按其要求施工。3.3安装导轨支架:根据每部电梯的设计要求及具体情况选用下述方法中的一种。3.3.1电梯井壁有预埋铁:3.3.1.1清除预埋铁表面混凝土。若预埋铁打在混凝土井壁内,则要从混凝土中剔出。第4页共23页第3页共23页编号:时间:2021年x月x日书山有路勤为径,学海无涯苦作舟页码:第4页共23页工程名称交底部位工程编号日期3.3.1.2按安装导轨支架垂线核查预埋铁位置,若其位置偏移,达不到安装要求,可在预埋铁上补焊铁板。铁板厚度δ≥16mm,长度一般不超过300mm。当长超过200mm时,端部用不小于φ16的膨胀螺栓固定于井壁。加装铁板与原预埋铁搭接长度不小于50mm,要求三面满焊(图3.3.1.2)。图3.3.1.23.3.1.3安装导轨支架:(a)安装导轨支架前,要复核由样板上放下的基准线(基准线距导轨支架平面1~3mm,两线间距一般为80~100mm,其中一条是以导轨中心为准的基准线,另...

1、当您付费下载文档后,您只拥有了使用权限,并不意味着购买了版权,文档只能用于自身使用,不得用于其他商业用途(如 [转卖]进行直接盈利或[编辑后售卖]进行间接盈利)。
2、本站所有内容均由合作方或网友上传,本站不对文档的完整性、权威性及其观点立场正确性做任何保证或承诺!文档内容仅供研究参考,付费前请自行鉴别。
3、如文档内容存在违规,或者侵犯商业秘密、侵犯著作权等,请点击“违规举报”。

碎片内容

导轨支架和导轨安装质量管理

确认删除?
VIP
微信客服
  • 扫码咨询
会员Q群
  • 会员专属群点击这里加入QQ群
客服邮箱
回到顶部