电脑桌面
添加小米粒文库到电脑桌面
安装后可以在桌面快捷访问

仪表设备和材料检验质量验收VIP免费

仪表设备和材料检验质量验收_第1页
1/42
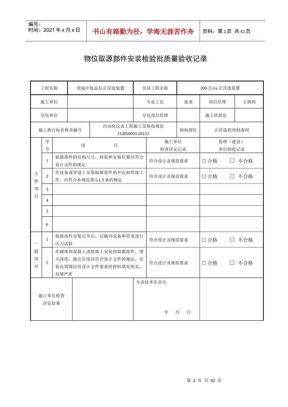
仪表设备和材料检验质量验收_第2页
2/42
仪表设备和材料检验质量验收_第3页
3/42
第1页共42页编号:时间:2021年x月x日书山有路勤为径,学海无涯苦作舟页码:第1页共42页仪表设备和材料检验质量验收GB50093-2013工程名称瓮福中低品位正浮选装置分项工程名称200万t/a正浮选装置施工单位中石化工建设有限公司专业工长张龙项目经理王炳利分包单位分包项目经理施工班组长施工执行标准名称及编号自动化仪表工程施工及援手规范《GB50093-2013》验收部位正浮选药剂制备间主控项目序号项目施工单位检查评定记录监理(建设)单位验收记录1仪表设备和材料应具有产品技术文件和质量证明文件,特性数据应符合设计文件的规定符合设计及规范要求□合格□不合格2仪表设备铭牌标志应清晰牢固,附件、备件应符合设计文件规定符合设计及规范要求□合格□不合格3仪表盘丶柜丶箱内仪表丶电源设备及部件的型号丶规格应符合设计文件规定□合格□不合格4放射性仪表的放射源应处于锁闭状态,锁定装置安全可靠□合格□不合格5分析仪表配套的试验标准样品丶数量和浓度应符合设计文件的规定,并应包装良好,无泄漏□合格□不合格6仪表设备和材料按保管条件分区,分类保管符合设计及规范要求□合格□不合格一般项目1仪表设备和材料数量丶标识丶几何尺寸应符合设计文件的规定,并应无残损或短缺,标识应清晰完整符合设计及规范要求□合格□不合格2□合格□不合格施工单位检查评定结果专业技术负责人年月日质量检查员年月日监理(建设)单位验收结论监理工程师(建设单位项目专业技术负责人)年月日第2页共42页第1页共42页编号:时间:2021年x月x日书山有路勤为径,学海无涯苦作舟页码:第2页共42页物位取源部件安装检验批质量验收记录工程名称瓮福中低品位正浮选装置分项工程名称200万t/a正浮选装置施工单位专业工长张龙项目经理王炳利分包单位分包项目经理施工班组长施工执行标名称及编号自动化仪表工程施工及验收规范《GB50093-2013》验收部位正浮选药剂制备间主控项目序号项目施工单位检查评定记录监理(建设)单位验收记录1取源部件的结构尺寸、材质和安装位置应符合设计文件的规定符合设计及规范要求□合格□不合格2在设备或管道上安装取源部件的开孔和焊接工作,应符合本规范第5.1.3条的规定符合设计及规范要求□合格□不合格3456一般项目1取源部件安装完毕后,应随同设备和管道进行压力试验符合设计及规范要求□合格□不合格2在砌体和混凝土浇筑体上安装的取源部件,埋入深度,露出长度应符合设计文件的规定,安装孔周围应用设计文件要求的材料填充密实,封堵严密符合设计及规范要求□合格□不合格施工单位检查评定结果专业技术负责人年月日第3页共42页第2页共42页编号:时间:2021年x月x日书山有路勤为径,学海无涯苦作舟页码:第3页共42页监理(建设)单位验收结论监理工程师(建设单位项目专业技术负责人)年月日压力取源部件安装检验批质量验收记录工程名称瓮福中低品位正浮选装置分项工程名称200万t/a正浮选装置施工单位中石化工建设有限公司专业工长张龙项目经理王炳利分包单位分包项目经理施工班组长施工执行标名称及编号自动化仪表工程施工及验收规范《GB50093-2013》验收部位正浮选药剂制备间主控项目序号项目施工单位检查评定记录监理(建设)单位验收记录1取源部件的结构尺寸、材质和安装位置应符合设计文件的规定符合设计及规范要求□合格□不合格2在设备或管道上安装取源部件的开孔和焊接工作,应符合本规范第5.1.3条的规定符合设计及规范要求□合格□不合格3压力取源部件的安装位置应在介质流束稳定的位置符合设计及规范要求□合格□不合格4压力取源部件与温度取源部件在同一管段上时,应安装在温度取源部件上游侧□合格□不合格5压力取源部件的端部不应超出设备或管道的内壁符合设计及规范要求□合格□不合格6当检测带有灰尘、固体颗粒或沉淀物等混浊物料的压力时,取源部件的安装应符合本规范第5.3.4条的规定□合格□不合格7在水平和倾斜管道上安装压力取源部件时,取压点的方位应符合本规范第5.3.5条的规定□合格□不合格一般项目1取源部件安装完毕后,应随同设备和管道进行压力试验符合设计及规范要求□合格□不合格2在砌体和混凝土浇筑体上安装的取源部件,埋入深度...

1、当您付费下载文档后,您只拥有了使用权限,并不意味着购买了版权,文档只能用于自身使用,不得用于其他商业用途(如 [转卖]进行直接盈利或[编辑后售卖]进行间接盈利)。
2、本站所有内容均由合作方或网友上传,本站不对文档的完整性、权威性及其观点立场正确性做任何保证或承诺!文档内容仅供研究参考,付费前请自行鉴别。
3、如文档内容存在违规,或者侵犯商业秘密、侵犯著作权等,请点击“违规举报”。

碎片内容

仪表设备和材料检验质量验收

确认删除?
VIP
微信客服
  • 扫码咨询
会员Q群
  • 会员专属群点击这里加入QQ群
客服邮箱
回到顶部