电脑桌面
添加小米粒文库到电脑桌面
安装后可以在桌面快捷访问

铸造质量手册VIP免费

铸造质量手册_第1页
1/38
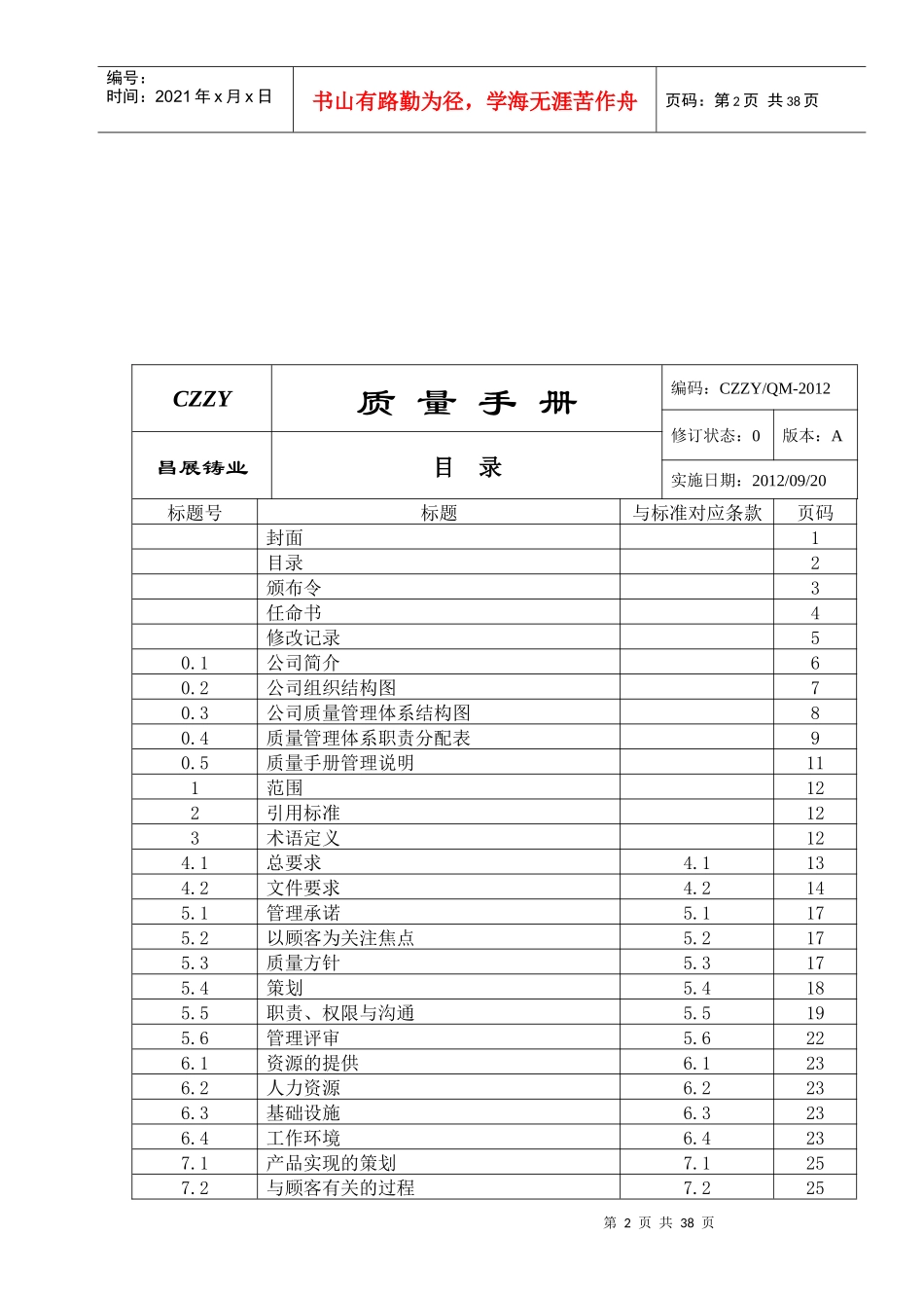
铸造质量手册_第2页
2/38
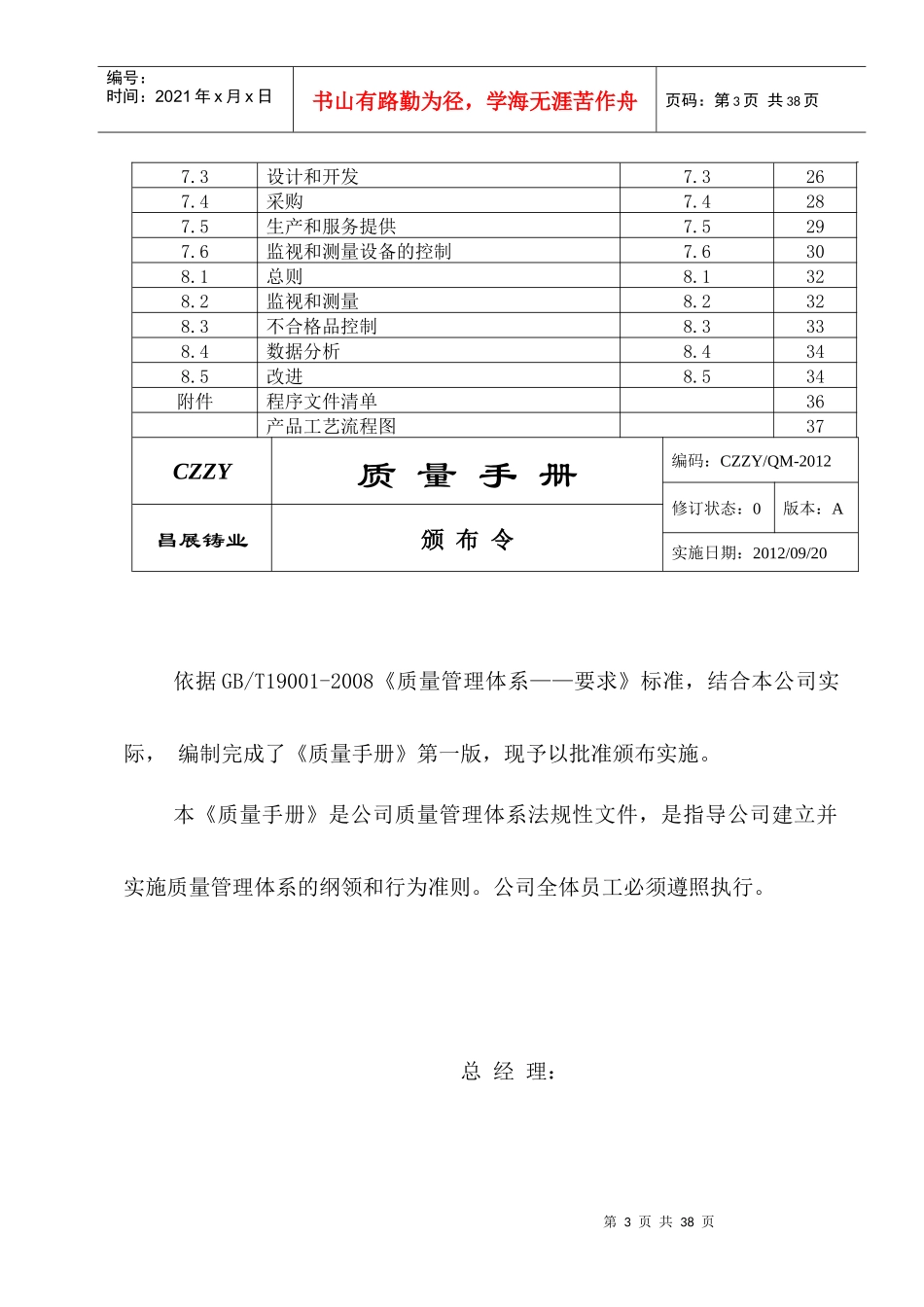
铸造质量手册_第3页
3/38
第1页共38页编号:时间:2021年x月x日书山有路勤为径,学海无涯苦作舟页码:第1页共38页昌邑市昌展铸业有限公司质量手册编号:CZZY/QM-2012编制:审核:批准:生效日期:受控状态:受控编号:第2页共38页第1页共38页编号:时间:2021年x月x日书山有路勤为径,学海无涯苦作舟页码:第2页共38页CZZY质量手册编码:CZZY/QM-2012修订状态:0版本:A昌展铸业目录实施日期:2012/09/20标题号标题与标准对应条款页码封面1目录2颁布令3任命书4修改记录50.1公司简介60.2公司组织结构图70.3公司质量管理体系结构图80.4质量管理体系职责分配表90.5质量手册管理说明111范围122引用标准123术语定义124.1总要求4.1134.2文件要求4.2145.1管理承诺5.1175.2以顾客为关注焦点5.2175.3质量方针5.3175.4策划5.4185.5职责、权限与沟通5.5195.6管理评审5.6226.1资源的提供6.1236.2人力资源6.2236.3基础设施6.3236.4工作环境6.4237.1产品实现的策划7.1257.2与顾客有关的过程7.225第3页共38页第2页共38页编号:时间:2021年x月x日书山有路勤为径,学海无涯苦作舟页码:第3页共38页7.3设计和开发7.3267.4采购7.4287.5生产和服务提供7.5297.6监视和测量设备的控制7.6308.1总则8.1328.2监视和测量8.2328.3不合格品控制8.3338.4数据分析8.4348.5改进8.534附件程序文件清单36产品工艺流程图37CZZY质量手册编码:CZZY/QM-2012修订状态:0版本:A昌展铸业颁布令实施日期:2012/09/20依据GB/T19001-2008《质量管理体系——要求》标准,结合本公司实际,编制完成了《质量手册》第一版,现予以批准颁布实施。本《质量手册》是公司质量管理体系法规性文件,是指导公司建立并实施质量管理体系的纲领和行为准则。公司全体员工必须遵照执行。总经理:第4页共38页第3页共38页编号:时间:2021年x月x日书山有路勤为径,学海无涯苦作舟页码:第4页共38页2012年09月20日CZZY质量手册编码:CZZY/QM-2012修订状态:0版本:A昌展铸业任命书实施日期:2012/09/20为了贯彻执行GB/T19001—2008《质量管理体系要求》,加强对质量管理体系运作的领导,特任命为我公司的管理者代表。管理者代表的职责是:1.确保质量管理体系的过程得到建立和保持;2.向最高管理者报告质量管理体系的业绩,包括改进需求;第5页共38页第4页共38页编号:时间:2021年x月x日书山有路勤为径,学海无涯苦作舟页码:第5页共38页3.在整个公司内促进顾客要求意识的形成;4.就质量管理体系有关事宜的对内、外联络。总经理:2012年09月20日CZZY质量手册编码:CZZY/QM-2012修订状态:0版本:A昌展铸业质量手册修改记录实施日期:2012/09/20章节号修改内容摘要修改日期修改人审核批准第6页共38页第5页共38页编号:时间:2021年x月x日书山有路勤为径,学海无涯苦作舟页码:第6页共38页CZZY质量手册编码:CZZY/QM-2012修订状态:0版本:A昌展铸业0.1公司简介实施日期:2012/09/20第7页共38页第6页共38页编号:时间:2021年x月x日书山有路勤为径,学海无涯苦作舟页码:第7页共38页CZZY质量手册编码:CZZY/QM-2012修订状态:0版本:A昌展铸业0.2公司组织机构图实施日期:2012/09/20第8页共38页第7页共38页编号:时间:2021年x月x日书山有路勤为径,学海无涯苦作舟页码:第8页共38页CZZY质量手册编码CZZY/QM-2012修订状态:0版本:A昌展铸业0.3公司质量管理体系结构图实施日期:2012/09/20总经理财务部办公室车间生产生产部质量部设备管理采购业务仓储管理人力资源销售业务文件控制第9页共38页第8页共38页编号:时间:2021年x月x日书山有路勤为径,学海无涯苦作舟页码:第9页共38页CZZY质量手册编码:CZZY/QM-2012修订状态:0版本:A昌展铸业0.4质量管理体系职责分配表实施日期:2012/09/20总经理办公室生产部管理者代表质量部车间生产设备管理财务部仓储管理采购业务销售业务人力资源文件控制第10页共38页第9页共38页编号:时间:2021年x月x日书山有路勤为径,学海无涯苦作舟页码:第10页共38页质量过程及活动领导层办公室质量部生产部车间财务部4.0质量管理体系4.1总要求★☆☆☆☆☆4.2文件要求4.2.1总则★☆☆☆☆☆4.2.2质量手册☆★☆☆☆☆4.2.3文件控制☆★...

1、当您付费下载文档后,您只拥有了使用权限,并不意味着购买了版权,文档只能用于自身使用,不得用于其他商业用途(如 [转卖]进行直接盈利或[编辑后售卖]进行间接盈利)。
2、本站所有内容均由合作方或网友上传,本站不对文档的完整性、权威性及其观点立场正确性做任何保证或承诺!文档内容仅供研究参考,付费前请自行鉴别。
3、如文档内容存在违规,或者侵犯商业秘密、侵犯著作权等,请点击“违规举报”。

碎片内容

铸造质量手册

确认删除?
VIP
微信客服
  • 扫码咨询
会员Q群
  • 会员专属群点击这里加入QQ群
客服邮箱
回到顶部