电脑桌面
添加小米粒文库到电脑桌面
安装后可以在桌面快捷访问

建筑安装工程施工质量检查验收记录交工资料表格VIP免费

建筑安装工程施工质量检查验收记录交工资料表格_第1页
1/96
建筑安装工程施工质量检查验收记录交工资料表格_第2页
2/96
建筑安装工程施工质量检查验收记录交工资料表格_第3页
3/96
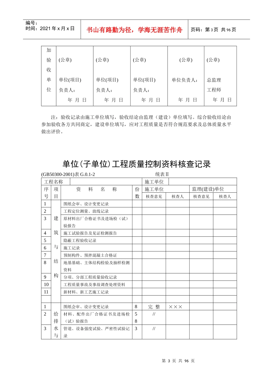
第1页共96页编号:时间:2021年x月x日书山有路勤为径,学海无涯苦作舟页码:第1页共96页施工现场质量管理检查记录(GB50300-2001)表A.0.1开工日期:工程名称施工许可证号建设单位项目负责人设计单位项目负责人监理单位总监理工程师施工单位项目经理项目技术负责人序号项目主要内容1现场质量管理制度2质量责任制3主要专业工种操作上岗证书4分包方资质与对分包单位的管理制度5施工图审查情况6地质勘察资料7施工组织设计、施工方案及审批8施工技术标准9工程质量检验制度10搅拌站及计量设置11现场材料、设备存放与管理13第2页共96页第1页共96页编号:时间:2021年x月x日书山有路勤为径,学海无涯苦作舟页码:第2页共96页检查结论:总监理工程师:(建设单位项目负责人)年月日单位(子单位)工程质量竣工验收记录(GB50300-2001)表C.0.1-1统表Ⅰ工程名称结构类型框架层数/建筑面积施工单位技术负责人开工日期项目经理项目技术负责人竣工日期序号项目验收记录(施工单位填写)验收结论(监理或建设单位填写)1分部工程共4分部,经查4分部符合标准及设计要求4分部2质量控制资料核查共4项,经审查符合要求4项3分部工程有关安全和功能检测资料共核查22项,符合要求22项4主要功能和安全项目抽查共抽查9项,符合要求9项,其中经处理后符合要求0项5观感质量验收共抽查10项,符合要求10项,不符合要求0项6综合验收结论(建设单位填写)参建设单位勘察单位设计单位施工单位监理单位第3页共96页第2页共96页编号:时间:2021年x月x日书山有路勤为径,学海无涯苦作舟页码:第3页共96页加验收单位(公章)单位(项目)负责人:年月日(公章)单位(项目)负责人:年月日(公章)单位(项目)负责人:年月日(公章)单位负责人:年月日(公章)总监理工程师年月日注:验收记录由施工单位填写,验收结论由监理(建设)单位填写。综合验收结论由参加验收各方共同商定,建设单位填写,应对工程质量是否符合规范要求及总体质量水平做出评价。单位(子单位)工程质量控制资料核查记录(GB50300-2001)表G.0.1-2统表Ⅱ工程名称施工单位序号项目资料名称份数施工单位监理(建设)单位核查意见核查人核查意见核查人1建筑与结构图纸会审、设计变更记录2工程定位测量、放线记录3原材料出厂合格证书及进场检(试)验报告4施工试验报告及见证检测报告5隐蔽工程验收记录6施工记录7预制构件、预拌混凝土合格证8地基基础、主体结构检验及抽样检测资料9分项、分部工程质量验收记录10工程质量事故及事故调查处理资料11新材料、新工艺施工记录1给排水与图纸会审、设计变更记录8完整×××2材料、配件出厂合格证书及进场检(试)验报告58//3管道、设备强度试验、严密性试验记录3//第4页共96页第3页共96页编号:时间:2021年x月x日书山有路勤为径,学海无涯苦作舟页码:第4页共96页采暖4隐蔽工程验收记录5//5系统清洗、灌水、通水、通球试验记录2//6施工记录4//7分项、分部工程质量验收记录21//1建筑电气图纸会审、设计变更、洽商记录2材料、设备出厂合格证书及进场检(试)验报告3设备调试报告4接地、绝缘电阻测试记录1//5隐蔽工程验收记录12//6施工记录2//7分项、分部工程质量验收记录6//续下表接上表(GB50300-2001)表G.0.1-2统表Ⅱ工程名称施工单位(项目部)序号项目资料名称份数施工单位监理(建设)单位核查意见核查人核查意见核查人1通风与空调图纸会审、设计变更、洽商记录2材料、设备出厂合格证书及进场检(试)验报告3制冷、空调、水管道强度试验、严密性试验记录4隐蔽工程验收记录5制冷设备运行调试记录6通风、空调系统调试记录7施工记录8分项、分部工程质量验收记录第5页共96页第4页共96页编号:时间:2021年x月x日书山有路勤为径,学海无涯苦作舟页码:第5页共96页1电梯土建布置图纸会审、设计变更、洽商记录2劾出厂合格证书及开箱检验记录3隐蔽工程验收记录4施工记录5接地、绝缘电阻测试记录6负荷试验、安全装置检查记录7分项、分部工程质量验收记录1建筑智能化图纸会审、设计变更、洽商记录、竣工图及设计说明2材料、设备出厂合格证及技术文件及进场检(试)验报告3隐蔽工程验收记录4系统功能测定及设备调试记录5系统技术、操作人员培训记录6系...

1、当您付费下载文档后,您只拥有了使用权限,并不意味着购买了版权,文档只能用于自身使用,不得用于其他商业用途(如 [转卖]进行直接盈利或[编辑后售卖]进行间接盈利)。
2、本站所有内容均由合作方或网友上传,本站不对文档的完整性、权威性及其观点立场正确性做任何保证或承诺!文档内容仅供研究参考,付费前请自行鉴别。
3、如文档内容存在违规,或者侵犯商业秘密、侵犯著作权等,请点击“违规举报”。

碎片内容

建筑安装工程施工质量检查验收记录交工资料表格

您可能关注的文档

确认删除?
VIP
微信客服
  • 扫码咨询
会员Q群
  • 会员专属群点击这里加入QQ群
客服邮箱
回到顶部