电脑桌面
添加小米粒文库到电脑桌面
安装后可以在桌面快捷访问

监理(电气)质量验评范围确定表VIP免费

监理(电气)质量验评范围确定表_第1页
1/7
监理(电气)质量验评范围确定表_第2页
2/7
监理(电气)质量验评范围确定表_第3页
3/7
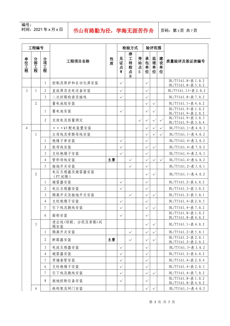
第1页共7页编号:时间:2021年x月x日书山有路勤为径,学海无涯苦作舟页码:第1页共7页电气安装工程质量验评范围第2页共7页第1页共7页编号:时间:2021年x月x日书山有路勤为径,学海无涯苦作舟页码:第2页共7页变电工程质量验评范围W、H、S点确定表(典型表样)表3.0.2工程编号工程项目名称性质检验方式验评范围质量验评及签证表编号单位工程分部工程分项工程见证点W停工待检点H旁站点S承包单位监理单位建设单位1主变压器系统设备安装√√DL/T5161.1-表4.0.31主变压器安装√√DL/T5161.1-表4.0.21主变压器本体安装√√√√DL/T5161.3-表1.0.3-12主变压器检查主要√√√√DL/T5161.3-表1.0.3-23主变压器附件安装√√√DL/T5161.3-表1.0.3-34主变压器注油及密封试验主要√√√DL/T5161.3-表1.0.3-45主变压器整体检查主要√√√DL/T5161.3-表1.0.3-52主变压器系统附属设备安装√√DL/T5161.1-表4.0.21中性点隔离开关安装√√DL/T5161.2-表5.0.12中性点电流互感器、避雷器安装√√DL/T5161.2-表6.0.23控制柜及端子箱检查安装√√DL/T5161.8-表4.0.24软母线安装√√DL/T5161.4-表7.0.210主变压器带电试运主要√√√√DL/T5161.3-表4.0.92高压电抗器设备安装√√DL/T5161.1-表4.0.31高压电抗器安装√√DL/T5161.1-表4.0.21高压电抗器本体安装√√√√DL/T5161.3-表1.0.3-12高压电抗器检查主要√√√√DL/T5161.3-表1.0.3-23电抗器附件安装√√√DL/T5161.3-表1.0.3-34电抗器注油及密封试验主要√√√DL/T5161.3-表1.0.3-45电抗器整体检查主要√√√DL/T5161.3-表1.0.3-52高压电抗器附属设备安装√√√DL/T5161.1-表4.0.21中性点隔离开关安装√√DL/T5161.2-表5.0.12中性点避雷器安装√√DL/T5161.2-表6.0.23中性点小电抗器安装√√DL/T5161.3-表1.0.24支柱绝缘子安装√√DL/T5161.4-表2.0.35控制柜及端子箱检查安装√√DL/T5161.8-表4.0.26管形母线安装主要√√DL/T5161.4-表6.0.27软母线安装√√DL/T5161.4-表7.0.210高压电抗器带电试运主要√√√√DL/T5161.3-表4.0.93主控及直流设备安装√√√DL/T5161.1-表4.0.31主控室设备安装√√DL/T5161.1-表4.0.2第3页共7页第2页共7页编号:时间:2021年x月x日书山有路勤为径,学海无涯苦作舟页码:第3页共7页工程编号工程项目名称性质检验方式验评范围质量验评及签证表编号单位工程分部工程分项工程见证点W停工待检点H旁站点S承包单位监理单位建设单位1控制及保护和自动化屏安装√√DL/T5161.8-表1.0.2DL/T5161.8-表5.0.2312直流屏及充电设备安装√√DL/T5161.13-表2.0.23二次回路检查及接线√√DL/T5161.8-表7.0.22蓄电池组安装√√DL/T5161.1-表4.0.21蓄电池安装√√√DL/T5161.9-表1.0.2DL/T5161.9-表2.0.22充放电及容量测定√√√√DL/T5161.9-表3.0.3DL/T5161.9-表3.0.44×××kV配电装置安装√√√DL/T5161.1-表4.0.31主母线及旁路母线安装√√√DL/T5161.1-表4.0.21绝缘子串安装√√DL/T5161.4-表2.0.22软母线安装√√√DL/T5161.4-表7.0.23支柱绝缘子安装√√DL/T5161.4-表2.0.34管形母线安装主要√√√√DL/T5161.4-表6.0.25接地开关安装√√DL/T5161.2-表5.0.12电压互感器及避雷器安装(PT间隔)√√DL/T5161.1-表4.0.21避雷器安装√√DL/T5161.2-表6.0.22电压互感器安装√√DL/T5161.3-表3.0.23隔离开关及接地开关安装√√√DL/T5161.2-表5.0.14支柱绝缘子安装√√DL/T5161.4-表2.0.35引下线及跳线安装√√√DL/T5161.4-表7.0.26箱柜安装√√DL/T5161.8-表1.0.2DL/T5161.8-表4.0.23进出线(母联、分段及旁路)间隔安装√√DL/T5161.1-表4.0.21隔离开关安装√√√DL/T5161.2-表5.0.12断路器安装主要√√√DL/T5161.2-表2.0.1DL/T5161.2-表2.0.23电流互感器安装√√DL/T5161.3-表3.0.24避雷器安装√√DL/T5161.2-表6.0.25穿墙套管安装√√DL/T5161.4-表2.0.46支柱绝缘子安装√√DL/T5161.4-表2.0.37引下线及跳线安装√√√DL/T5161.4-表7.0.28就地控制设备安装√√DL/T5161.8-表1.0.2DL/T5161.8-表4.0.24铁构架及网门安装√√DL/T5161.1-表4.0.2第4页共7页第3页共7页编号:时间:2021年x月x日书山有路勤为径,学海无涯苦作舟页码:第4页...

1、当您付费下载文档后,您只拥有了使用权限,并不意味着购买了版权,文档只能用于自身使用,不得用于其他商业用途(如 [转卖]进行直接盈利或[编辑后售卖]进行间接盈利)。
2、本站所有内容均由合作方或网友上传,本站不对文档的完整性、权威性及其观点立场正确性做任何保证或承诺!文档内容仅供研究参考,付费前请自行鉴别。
3、如文档内容存在违规,或者侵犯商业秘密、侵犯著作权等,请点击“违规举报”。

碎片内容

监理(电气)质量验评范围确定表

您可能关注的文档

精华资料店+ 关注
实名认证
内容提供者

大量教育教学资料

相关文档

确认删除?
VIP
微信客服
  • 扫码咨询
会员Q群
  • 会员专属群点击这里加入QQ群
客服邮箱
回到顶部