电脑桌面
添加小米粒文库到电脑桌面
安装后可以在桌面快捷访问

钢筋安装检验批质量验收记录VIP免费

钢筋安装检验批质量验收记录_第1页
1/3
钢筋安装检验批质量验收记录_第2页
2/3
钢筋安装检验批质量验收记录_第3页
3/3
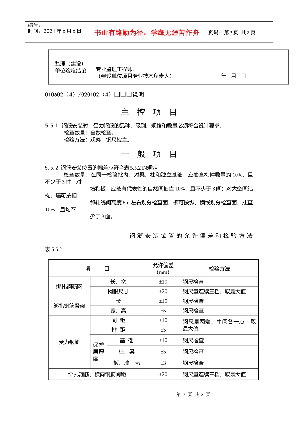
第1页共3页编号:时间:2021年x月x日书山有路勤为径,学海无涯苦作舟页码:第1页共3页钢筋安装检验批质量验收记录(GB50204-2002)表5.5编号:010602(4)/020102(4)□□□工程名称分项工程名称项目经理施工单位验收部位施工执行标准名称及编号专业工长(施工员)分包单位分包项目经理施工班组长质量验收规范的规定施工单位自检记录监理(建设)单位验收记录主控项目钢筋安装时,受力钢筋的品种、级别、规格和数量必须符合设计要求。一般项目钢筋安装位置的偏差项目允许偏差(mm)绑扎钢筋网长、宽±10网眼尺寸±20绑扎钢筋骨架长±10宽、高±5受力钢筋间距±10排距±5保护层厚度基础±10柱、梁±5板、墙、壳±3绑扎钢筋、横向钢筋间距±20钢筋弯起点位置20预埋件中心线位置5水平高差+3,0施工操作依据质量检查记录施工单位检查结果评定项目专业项目专业质量检查员:技术负责人:年月日第2页共3页第1页共3页编号:时间:2021年x月x日书山有路勤为径,学海无涯苦作舟页码:第2页共3页监理(建设)单位验收结论专业监理工程师:(建设单位项目专业技术负责人)年月日010602(4)/020102(4)□□□说明主控项目5.5.1钢筋安装时,受力钢筋的品种、级别、规格和数量必须符合设计要求。检查数量:全数检查。检验方法:观察,钢尺检查。一般项目5.5.2钢筋安装位置的偏差应符合表5.5.2的规定。检查数量:在同一检验批内,对梁、柱和独立基础,应抽查构件数量的10%,且不少于3件;对墙和板,应按有代表性的自然间抽查10%,且不少于3间;对大空间结构,墙可按相邻轴线间高度5m左右划分检查面,板可按纵、横线划分检查面,抽查10%,且均不少于3面。钢筋安装位置的允许偏差和检验方法表5.5.2项目允许偏差(mm)检验方法绑扎钢筋网长、宽±10钢尺检查网眼尺寸±20钢尺量连续三档,取最大值绑扎钢筋骨架长±10钢尺检查宽、高±5钢尺检查受力钢筋间距±10钢尺量两端、中间各一点,取最大值排距±5保护层厚度基础±10钢尺检查柱、梁±5钢尺检查板、墙、壳±3钢尺检查绑扎箍筋、横向钢筋间距±20钢尺量连续三档,取最大值第3页共3页第2页共3页编号:时间:2021年x月x日书山有路勤为径,学海无涯苦作舟页码:第3页共3页钢筋弯起点位置20钢尺检查预埋件中心线位置5钢尺检查水平高差+3,0钢尺和塞尺检查注:1、检查预埋件中心线位置时,应沿纵、横两个方向量测,并取其中的较大值;2、表中梁类、板类构件上部纵向受力钢筋保护层厚度的合格点率应达到90%及以上,且不得有超过表中数值1.5倍的尺寸偏差。注:本表由施工项目专业质量检查员填写,专业监理工程师(建设单位项目专业技术负责人)组织项目专业质量(技术)负责人等进行验收。

1、当您付费下载文档后,您只拥有了使用权限,并不意味着购买了版权,文档只能用于自身使用,不得用于其他商业用途(如 [转卖]进行直接盈利或[编辑后售卖]进行间接盈利)。
2、本站所有内容均由合作方或网友上传,本站不对文档的完整性、权威性及其观点立场正确性做任何保证或承诺!文档内容仅供研究参考,付费前请自行鉴别。
3、如文档内容存在违规,或者侵犯商业秘密、侵犯著作权等,请点击“违规举报”。

碎片内容

钢筋安装检验批质量验收记录

确认删除?
VIP
微信客服
  • 扫码咨询
会员Q群
  • 会员专属群点击这里加入QQ群
客服邮箱
回到顶部