电脑桌面
添加小米粒文库到电脑桌面
安装后可以在桌面快捷访问

《公路养护工程质量检验评定标准》部分规范表式VIP免费

《公路养护工程质量检验评定标准》部分规范表式_第1页
1/66
《公路养护工程质量检验评定标准》部分规范表式_第2页
2/66
《公路养护工程质量检验评定标准》部分规范表式_第3页
3/66
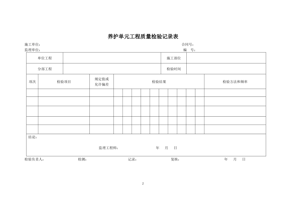
1附录A.0.2公路养护工程项目划分表工程名称:填报单位:20年月日单位养护工程分部养护工程养护单元注:打“*”号者为主要分部养护工程或养护单元总监理工程师:施工项目负责人:2养护单元工程质量检验记录表施工单位:合同号:监理单位:编号:单位工程施工部位分部工程检验时间项次检验项目规定值或允许偏差检验结果检验方法和频率结论:监理工程师:年月日检验负责人:检测:记录:复核:年月日3附表J.1.1养护单元工程质量检验评定表养护单元名称:所属分部养护工程名称:所属单位养护工程:养护工程部位:施工单位:监理单位:(桩号、墩台号、孔号)基本要求实测项目项次检查项目规定值或允许偏差实测值或实测偏差值质量评定12345678910平均、代表值合格率(%)权值实得分合计外观鉴定减分监理意见质量保证资料减分工程质量登记评定得分:质量等级检验负责人:检测:记录:复核:年月日45附表J.1.2分部养护工程质量评定表分部养护工程名称:所属单位养护工程:所属养护工程项目:养护工程部位:(墩号、墩台号、孔号)施工单位:监理单位:施工单位养护单元备注工程名称质量评定实得分权值加权得分等级合计加权平均分加权平均分评定意见检验负责人:计算:复核:年月日6附表J.1.3单位养护工程质量评定表单位养护工程名称:所属养护工程项目:路线名称:养护工程地点桩号:施工单位:监理单位:施工单位分部养护工程备注工程名称质量评定实得分数权值加权得分等级合计加权平均分加权平均分评定意见检验负责人:计算:复核:年月日7附表J.1.4养护工程项目质量评定表项目名称:路线名称:起迄桩号:完工日期:养护单元(单位养护工程)名称实得分投资额(万元)质量等级备注合计评定意见检验负责人:计算:复核:年月日8附表J.3.1公路养护工程竣工验收资料检查评分表工程名称工程范围施工单位开竣工日期序号检查内容内业资料名称检查情况标准分实得分1立项文件和造价文件1)立项文件缺少扣3分102)合同文件缺少扣5分,不完整扣1~4分3)造价文件缺少或不完整、不准确扣1~2分2施工大纲及批复1)施工大纲缺少扣4分,内容不全扣1~3分82)施工大纲批复批复手续不全扣4分3技术交底和会议纪要1)设计交底会议纪要缺少扣2分102)施工图交底会议纪要缺少扣2分3)关键施工技术交底纪录缺少扣2分4)验收会议纪要及整改消项报告缺少一项扣2分4工程施工过程资料1)开工报告缺少扣1.5分152)停工报告如有停工情况发生,缺少扣1.5分3)复工报告如有复工情况发生,缺少扣1.5分4)竣工报告缺少扣1.5分5)水准点、控制点和基准线复测记录缺少扣4分,不完整扣1~3分6)施工日志及施工原始记录缺少扣5分,不完整扣1~4分9续表序号检查内容内业资料名称检查情况标准分实得分5施工及监理质量管理资料1)养护工程项目划分表缺少扣2分302)工程质量保证资料缺少或不真实、不完整扣1~10分3)工程质量检验评定表缺少或不真实、不完整扣1~10分4)监理质量控制文件缺少或不真实、不完整扣1~8分6竣工图表1)竣工图目录缺少扣2分122)变更单及相关竣工图对照汇总表缺少扣2分3)设计变更单及业务联系单缺少或手续不全扣1~2分4)竣工图、表及相关影像资料缺少扣6分,不准确扣1~5分7工程总结及工程验收文件1)施工总结缺少扣2分152)监理工作总结缺少扣2分3)设计工作总结缺少扣2分4)养护工程项目管理总结缺少扣2分5)单项工程质量验收文件如发生,缺少扣3分6)工程竣工验收报告单缺少扣4分,不准确扣1~3分8合计备注复核:检查:年月日10附表J.3.2公路养护工程竣工验收报告工程编号工程性质工程名称工程地点(桩号)投(议)标价决算金额开工日期20年月日竣工日期20年月日管理机构联系电话项目法人项目负责人设计单位设计负责人施工单位项目经理监理单位总监理工程师主要工程量施工单位自检意见单位养护工程质量自评分:竣工资料检查自评分:自评工程质量等级:项目经理(签名):(公章)20年月日监理单位评定意见单位养护工程质量评分:竣工资料检查评分:建议工程质量等级:总监理工程师(签名):(公章)20年月日项目法人验收意见单位养护工程质量评分:竣工资料检查评分:工程质量等级:负责人(签名):(公章...

1、当您付费下载文档后,您只拥有了使用权限,并不意味着购买了版权,文档只能用于自身使用,不得用于其他商业用途(如 [转卖]进行直接盈利或[编辑后售卖]进行间接盈利)。
2、本站所有内容均由合作方或网友上传,本站不对文档的完整性、权威性及其观点立场正确性做任何保证或承诺!文档内容仅供研究参考,付费前请自行鉴别。
3、如文档内容存在违规,或者侵犯商业秘密、侵犯著作权等,请点击“违规举报”。

碎片内容

《公路养护工程质量检验评定标准》部分规范表式

您可能关注的文档

确认删除?
VIP
微信客服
  • 扫码咨询
会员Q群
  • 会员专属群点击这里加入QQ群
客服邮箱
回到顶部