电脑桌面
添加小米粒文库到电脑桌面
安装后可以在桌面快捷访问

质量成本策划VIP免费

质量成本策划_第1页
1/4
质量成本策划_第2页
2/4
质量成本策划_第3页
3/4
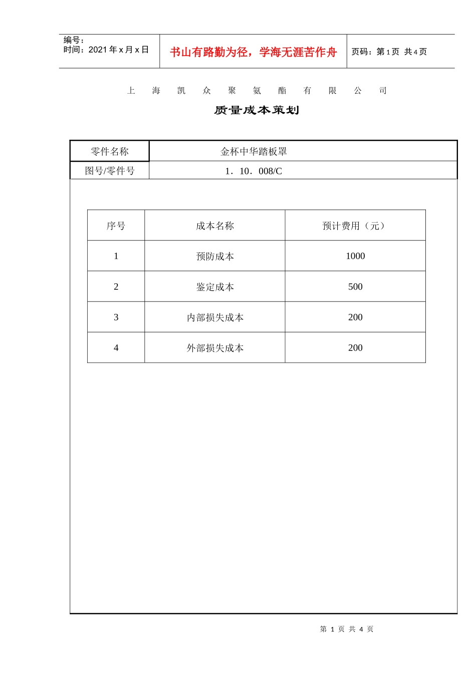
第1页共4页编号:时间:2021年x月x日书山有路勤为径,学海无涯苦作舟页码:第1页共4页上海凯众聚氨酯有限公司质量成本策划零件名称金杯中华踏板罩图号/零件号1.10.008/C序号成本名称预计费用(元)1预防成本10002鉴定成本5003内部损失成本2004外部损失成本200第2页共4页第1页共4页编号:时间:2021年x月x日书山有路勤为径,学海无涯苦作舟页码:第2页共4页编制/日期:上海凯众聚氨酯有限公司质量成本监控零件名称金杯中华踏板罩图号/零件号1.10.008/C分类内容计划/实施备注12月2003年1月2003月2月2003年3月预防成本1.质量培训费2.质量管理活动费3.质量改进措施费4.工资、福利5.质量评审费小计鉴定成本1.检测试验费(内/外)2.检测设备添置、鉴定费3.工资及福利费4.检测设备维修,折旧费5.自制检具费小计内部损失成本1.废品损失费2.停工损失费3.事故分析和处理费4.返修费/返工费5.重复检验费6.未达开发要求损失费小计外部损失成本1.索赔费2.退货损失费3.折价损失费4.鉴定费第3页共4页第2页共4页编号:时间:2021年x月x日书山有路勤为径,学海无涯苦作舟页码:第3页共4页5.无形资产小计质量成本总计编制/日期:上海凯众聚氨酯有限公司质量成本统计表零件名称金杯中华踏板罩图号/零件号1.10.008/C分类内容计划/实施备注预防成本1.质量培训费2.质量管理活动费3.质量改进措施费4.工资、福利5.质量评审费小计鉴定成本1.检测试验费(内/外)2.检测设备添置、鉴定费3.工资及福利费4.检测设备维修,折旧费5.自制检具费小计内部损失成本1.废品损失费2.停工损失费3.事故分析和处理费4.返修费/返工费5.重复检验费6.未达开发要求损失费小计外部损失成1.索赔费第4页共4页第3页共4页编号:时间:2021年x月x日书山有路勤为径,学海无涯苦作舟页码:第4页共4页本2.退货损失费3.折价损失费4.鉴定费5.无形资产小计质量成本总计统计人/日期:

1、当您付费下载文档后,您只拥有了使用权限,并不意味着购买了版权,文档只能用于自身使用,不得用于其他商业用途(如 [转卖]进行直接盈利或[编辑后售卖]进行间接盈利)。
2、本站所有内容均由合作方或网友上传,本站不对文档的完整性、权威性及其观点立场正确性做任何保证或承诺!文档内容仅供研究参考,付费前请自行鉴别。
3、如文档内容存在违规,或者侵犯商业秘密、侵犯著作权等,请点击“违规举报”。

碎片内容

质量成本策划

精华资料店+ 关注
实名认证
内容提供者

大量教育教学资料

确认删除?
VIP
微信客服
  • 扫码咨询
会员Q群
  • 会员专属群点击这里加入QQ群
客服邮箱
回到顶部