电脑桌面
添加小米粒文库到电脑桌面
安装后可以在桌面快捷访问

通用统计技术及品质手法VIP免费

通用统计技术及品质手法_第1页
1/25
通用统计技术及品质手法_第2页
2/25
通用统计技术及品质手法_第3页
3/25
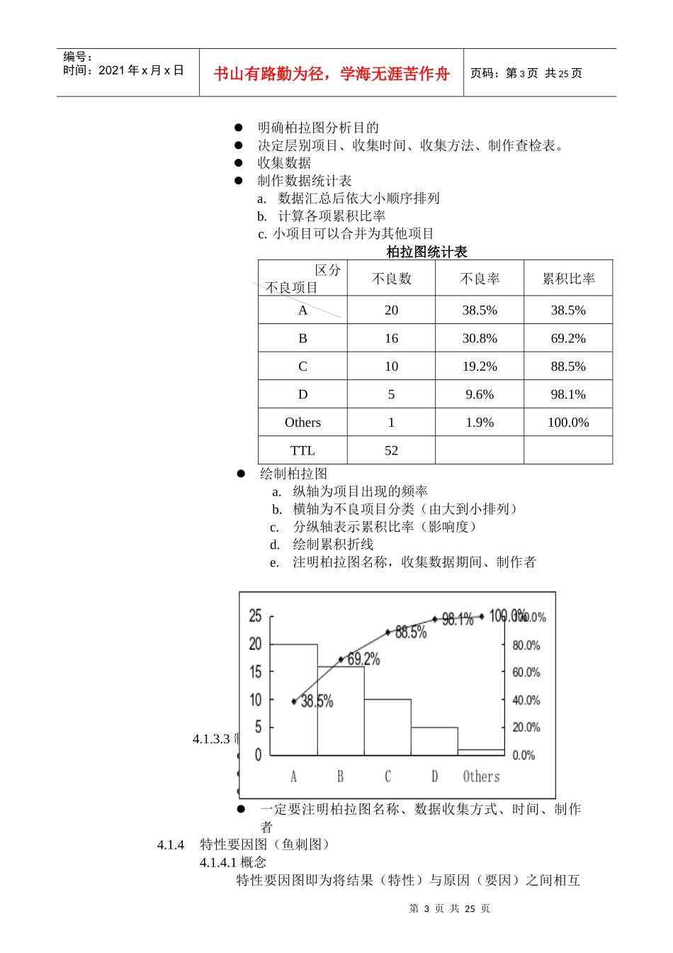
第1页共25页编号:时间:2021年x月x日书山有路勤为径,学海无涯苦作舟页码:第1页共25页1.0目的通过进行‘通用统计技术及品质手法’的培训,使受训者能够具备灵活运用相关工具进行发现问题、分析问题、解决问题的能力。2.0适用范围此培训教程适用于喜高公司所有从事生产、技术、工程、品质等方面的人员。3.0参考文件无4.0内容4.1QC七大手法4.1.1层别法4.1.1.1概念一种最基本的QC手法。它就是将事物、现象等按照不同层次、类别进行分类,寻求差异或共同点,由此作为分析原因的着眼点。4.1.1.2层别法的作用同一物品进行比较同一动作进行比较同一设备或生产线进行比较用层别法观察现场用层别法观察现物用层别法观察现况4.1.1.3层别法的目的发掘问题,界定问题IPQC用层别法找出哪条生产线不良率最高发掘问题的影响因素用层别法区分A&B两台切割机切割不良造成的原因4.1.1.3使用层别法的步骤明确目的你想使用层别法做什么?掌握影响问题的因素决定层别的项目a.问题组b.比较组层别观察到的事实并做记录寻找差异点结论4.1.2查检表4.1.2.1概念查检表就是记录表。其特点为1、方便检查事实或项目2、记录检查的必要项目,以免检查遗漏3、分层、分类第2页共25页第1页共25页编号:时间:2021年x月x日书山有路勤为径,学海无涯苦作舟页码:第2页共25页统计4、方便将检查结果记录于检查表上。4.1.2.2查检表分类不良内容查检表不良项目不良数抽样数不良率ABCD不良原因查检表不良原因不良数抽样数不良率缩水夹水纹混色其它调查品质分布状况次数扭力(kgf.cm)次数>36.030~3618~30机器/设备开机前查检表序号检查项目标准结果对策1电源是否接好220V√2气压是否正常5kg/cm2√3油压是否正常10~25kg/cm2√4.1.2.3设计查检表的步骤明确收集数据的目的做什么用途整理并决定查检项目考虑是否需要层别决定查检数据的方法决定查检表格式试使用进行修正4.1.3柏拉图4.1.3.1概念以项目别进行分类依出现次数大小顺序排列图示表示出各项目之累积比率或影响度从众多复杂的事物或不良项目找出影响最大或最主要的项目(一般以累积比率或影响度80%以上为界限)。4.1.3.2制作柏拉图的方法第3页共25页第2页共25页编号:时间:2021年x月x日书山有路勤为径,学海无涯苦作舟页码:第3页共25页明确柏拉图分析目的决定层别项目、收集时间、收集方法、制作查检表。收集数据制作数据统计表a.数据汇总后依大小顺序排列b.计算各项累积比率c.小项目可以合并为其他项目柏拉图统计表区分不良项目不良数不良率累积比率A2038.5%38.5%B1630.8%69.2%C1019.2%88.5%D59.6%98.1%Others11.9%100.0%TTL52绘制柏拉图a.纵轴为项目出现的频率b.横轴为不良项目分类(由大到小排列)c.分纵轴表示累积比率(影响度)d.绘制累积折线e.注明柏拉图名称,收集数据期间、制作者4.1.3.3制作标柏拉图注意事项横轴项目以4~6项为宜纵轴一般代表出现的频数分纵轴代表累积比率一定要注明柏拉图名称、数据收集方式、时间、制作者4.1.4特性要因图(鱼刺图)4.1.4.1概念特性要因图即为将结果(特性)与原因(要因)之间相互第4页共25页第3页共25页编号:时间:2021年x月x日书山有路勤为径,学海无涯苦作舟页码:第4页共25页影响的关系表示在一个图中,形如鱼刺,故又称鱼刺图。4.1.4.2物性要因图的作用分析因果关系表达因果关系通过识别症状、分析原因、寻找措施,促进问题的解决。4.1.4.3特性要因图的制作方法决定品质特性、绘制骨架首先将品质特性(不良现象)写在纸张或白板右边,并用“”将其圈起来,然后自左向右画出一个粗箭头且箭头指向品质特性。列出大的要因、找出可能的原因,然后将各要因分成几个大项,每大项以“”圈起来并加以箭头,箭头以60°斜度插于横线上,并且箭头要指向品质特性。大要因可依4MIE(人、设备、材料、方法、环境)来分类。依据大要因,再分中要因细分出中要因之中骨线(与主干线保持平线),中要因选定约3~5个为宜(但非硬性规定),绘制时应将有因果关系之要因归于同一骨线内。依据中要因,再细分出小要因,将中要因分成可以采取措的...

1、当您付费下载文档后,您只拥有了使用权限,并不意味着购买了版权,文档只能用于自身使用,不得用于其他商业用途(如 [转卖]进行直接盈利或[编辑后售卖]进行间接盈利)。
2、本站所有内容均由合作方或网友上传,本站不对文档的完整性、权威性及其观点立场正确性做任何保证或承诺!文档内容仅供研究参考,付费前请自行鉴别。
3、如文档内容存在违规,或者侵犯商业秘密、侵犯著作权等,请点击“违规举报”。

碎片内容

通用统计技术及品质手法

确认删除?
VIP
微信客服
  • 扫码咨询
会员Q群
  • 会员专属群点击这里加入QQ群
客服邮箱
回到顶部