电脑桌面
添加小米粒文库到电脑桌面
安装后可以在桌面快捷访问

模板、支架和拱架安装检验批质量验收记录表2VIP免费

模板、支架和拱架安装检验批质量验收记录表2_第1页
1/37
模板、支架和拱架安装检验批质量验收记录表2_第2页
2/37
模板、支架和拱架安装检验批质量验收记录表2_第3页
3/37
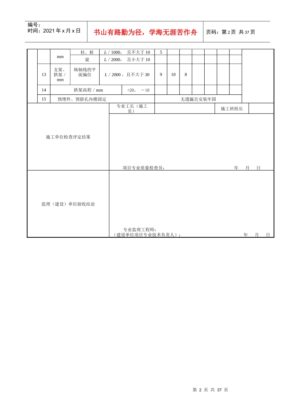
第1页共37页编号:时间:2021年x月x日书山有路勤为径,学海无涯苦作舟页码:第1页共37页模板、支架和拱架安装检验批质量验收记录表编号:__________单位(子单位)工程名称濮阳市五一路跨马颊河桥梁工程分部(子分部)工程名称基础立柱验收部位1-1#立柱施工单位濮阳市中信建设工程有限公司项目经理分包单位分包项目经理施工执行标准名称及编号Cjj2-2008城市桥梁工程与质量验收规范施工质量验收规范的规定施工单位检查评定记录监理(建设)单位验收记录主控项目1模板、支架和拱架安装要求符合施工图的规定,且稳固牢靠,接缝严密2立柱基础有足够的支撑面和排水、防冻融措施基础有足够的支撑面和排水、防冻融措施一般项目1相邻两板表面高低差/mm清水模板2混水模板4钢模板212112表面平整度/mm清水模板3混水模板5钢模板332333垂直度/mm墙、柱H/1000,且不大于653墩、台H/500,且不大于20塔柱H/3000,且不大于304模内尺寸/mm基础±10墩、台+5,-8梁、板、墙、柱、桩、拱+3,-6+2-5+35轴线偏位/mm基础15墩、台、墙10梁、柱、拱、塔柱824悬浇各梁段8横隔梁56支承面高程/mm+2,-5-17悬浇各梁段底面高程/mm+10,08预埋件/mm支座板、锚垫板、连接板等位置53平面高差21螺栓、锚筋等位置3外露长度±59预留孔洞/mm预应力筋孔道位置(梁端)5其他位置8孔径+10,010梁底模拱度/mm+5,-2211对角线差/mm板7墙板5桩3312侧向弯曲/板、拱肋、桁架L/1500第2页共37页第1页共37页编号:时间:2021年x月x日书山有路勤为径,学海无涯苦作舟页码:第2页共37页mm柱、桩L/1000,且不大于105梁L/2000,且小大于1013支架、拱架/mm纵轴线的平面偏位L/2000,且不大于30910814拱架高程/mm+20,-1015预埋件、预留孔内模固定无遗漏且安装牢固施工单位检查评定结果专业工长(施工员)施工班组长项目专业质量检查员:年月日监理(建设)单位验收结论专业监理工程师:(建设单位项目专业技术负责人):年月日第3页共37页第2页共37页编号:时间:2021年x月x日书山有路勤为径,学海无涯苦作舟页码:第3页共37页模板、支架和拱架安装检验批质量验收记录表编号:__________单位(子单位)工程名称濮阳市五一路跨马颊河桥梁工程分部(子分部)工程名称基础立柱验收部位1-2#立柱施工单位濮阳市中信建设工程有限公司项目经理分包单位分包项目经理施工执行标准名称及编号Cjj2-2008城市桥梁工程与质量验收规范施工质量验收规范的规定施工单位检查评定记录监理(建设)单位验收记录主控项目1模板、支架和拱架安装要求符合施工图的规定,且稳固牢靠,接缝严密2立柱基础有足够的支撑面和排水、防冻融措施基础有足够的支撑面和排水、防冻融措施一般项目1相邻两板表面高低差/mm清水模板2混水模板4钢模板212112表面平整度/mm清水模板3混水模板5钢模板322323垂直度/mm墙、柱H/1000,且不大于645墩、台H/500,且不大于20塔柱H/3000,且不大于304模内尺寸/mm基础±10墩、台+5,-8梁、板、墙、柱、桩、拱+3,-6+1-5+35轴线偏位/mm基础15墩、台、墙10梁、柱、拱、塔柱873悬浇各梁段8横隔梁56支承面高程/mm+2,-5-27悬浇各梁段底面高程/mm+10,08预埋件/mm支座板、锚垫板、连接板等位置5平面高差2螺栓、锚筋等位置3外露长度±5-39预留孔洞/mm预应力筋孔道位置(梁端)5其他位置8孔径+10,010梁底模拱度/mm+5,-2211对角线差板7墙板5第4页共37页第3页共37页编号:时间:2021年x月x日书山有路勤为径,学海无涯苦作舟页码:第4页共37页/mm桩3312侧向弯曲/mm板、拱肋、桁架L/1500柱、桩L/1000,且不大于105梁L/2000,且小大于1013支架、拱架/mm纵轴线的平面偏位L/2000,且不大于30910814拱架高程/mm+20,-1015预埋件、预留孔内模固定无遗漏且安装牢固施工单位检查评定结果专业工长(施工员)施工班组长项目专业质量检查员:年月日监理(建设)单位验收结论专业监理工程师:(建设单位项目专业技术负责人):年月日第5页共37页第4页共37页编号:时间:2021年x月x日书山有路勤为径,学海无涯苦作舟页码:第5页共37页模板、支架和拱架安装检验批质量验收记录表编号:__________单位(子单位)工程名称濮阳市...

1、当您付费下载文档后,您只拥有了使用权限,并不意味着购买了版权,文档只能用于自身使用,不得用于其他商业用途(如 [转卖]进行直接盈利或[编辑后售卖]进行间接盈利)。
2、本站所有内容均由合作方或网友上传,本站不对文档的完整性、权威性及其观点立场正确性做任何保证或承诺!文档内容仅供研究参考,付费前请自行鉴别。
3、如文档内容存在违规,或者侵犯商业秘密、侵犯著作权等,请点击“违规举报”。

碎片内容

模板、支架和拱架安装检验批质量验收记录表2

您可能关注的文档

精华资料店+ 关注
实名认证
内容提供者

大量教育教学资料

相关文档

确认删除?
VIP
微信客服
  • 扫码咨询
会员Q群
  • 会员专属群点击这里加入QQ群
客服邮箱
回到顶部