电脑桌面
添加小米粒文库到电脑桌面
安装后可以在桌面快捷访问

质量保证书抄件VIP免费

质量保证书抄件_第1页
1/7
质量保证书抄件_第2页
2/7
质量保证书抄件_第3页
3/7
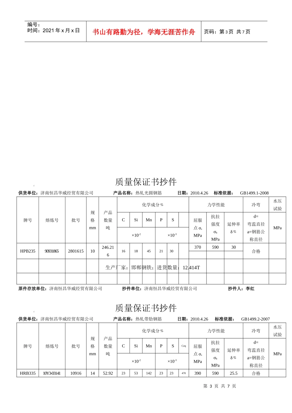
第1页共7页编号:时间:2021年x月x日书山有路勤为径,学海无涯苦作舟页码:第1页共7页质量保证书抄件供货单位:济南恒昌华威经贸有限公司产品名称:热轧光圆钢筋日期:2010.4.7标准依据:GB13013-1991牌号熔炼号批号规格mm产品数量吨化学成分﹪力学性能冷弯水压试验CSiMnPS屈服点σsMPa抗拉强度σbMPa延伸率δ﹪d=弯蕊直径a=钢筋公称直径MPa×10-2×10-3HPB2359082844609016546.58.882152141193036559531合格原件存放单位:济南恒昌华威经贸有限公司抄件单位:济南恒昌华威经贸有限公司抄件人:李红质量保证书抄件供货单位:济南恒昌华威经贸有限公司产品名称:热轧带肋钢筋日期:2010.4.7标准依据:GB1499.2-2007牌号熔炼号批号规格mm产品数量吨化学成分﹪力学性能冷弯水压试验CSiMnPSCeq屈服点σsMPa抗拉强度σbMPa延伸率δ﹪d=弯蕊直径a=钢筋公称直径MPa×10-2×10-3HRB40010Y1-1658110014161.9902152154282451049565319合格48365022原件存放单位:济南恒昌华威经贸有限公司抄件单位:济南恒昌华威经贸有限公司抄件人:李红质量保证书抄件供货单位:济南恒昌华威经贸有限公司产品名称:热轧带肋钢筋日期:2010.4.7标准依据:GB1499.2-2007牌号熔炼号批号规格mm产品数量吨化学成分﹪力学性能冷弯水压试验CSiMnPSCeq屈服点σsMPa抗拉强度σbMPa延伸率δ﹪d=弯蕊直径a=钢筋公称直径MPa×10-2×10-3HRB335YF101-037302529.1062048136251743038555025合格38555024.5生产厂家:济南钢铁;进货数量:1.990T生产厂家:邯郸钢铁;进货数量:8.882T第2页共7页第1页共7页编号:时间:2021年x月x日书山有路勤为径,学海无涯苦作舟页码:第2页共7页原件存放单位:济南恒昌华威经贸有限公司抄件单位:济南恒昌华威经贸有限公司抄件人:李红质量保证书抄件供货单位:济南恒昌华威经贸有限公司产品名称:热轧带肋钢筋日期:2010.4.17标准依据:GB1499.2-2007牌号熔炼号批号规格mm产品数量吨化学成分﹪力学性能冷弯水压试验CSiMnPSCeq屈服点σsMPa抗拉强度σbMPa延伸率δ﹪d=弯蕊直径a=钢筋公称直径MPa×10-2×10-3HRB335YF101-037301685.6132252139292346040553523合格41056025原件存放单位:济南恒昌华威经贸有限公司抄件单位:济南恒昌华威经贸有限公司抄件人:李红生产厂家:济南钢铁;进货数量:5.973T生产厂家:莱钢永锋;进货数量:29.106T第3页共7页第2页共7页编号:时间:2021年x月x日书山有路勤为径,学海无涯苦作舟页码:第3页共7页质量保证书抄件供货单位:济南恒昌华威经贸有限公司产品名称:热轧光圆钢筋日期:2010.4.26标准依据:GB1499.1-2008牌号熔炼号批号规格mm产品数量吨化学成分﹪力学性能冷弯水压试验CSiMnPS屈服点σsMPa抗拉强度σbMPa延伸率δ﹪d=弯蕊直径a=钢筋公称直径MPa×10-2×10-3HPB23590931865280161510246.216161845213037059030合格原件存放单位:济南恒昌华威经贸有限公司抄件单位:济南恒昌华威经贸有限公司抄件人:李红质量保证书抄件供货单位:济南恒昌华威经贸有限公司产品名称:热轧带肋钢筋日期:2010.4.26标准依据:GB1499.2-2007牌号熔炼号批号规格mm产品数量吨化学成分﹪力学性能冷弯水压试验CSiMnPSCeq屈服点σsMPa抗拉强度σbMPa延伸率δ﹪d=弯蕊直径a=钢筋公称直径MPa×10-2×10-3HRB33510Y3-03141109161452.922353142232347039059025.5合格生产厂家:邯郸钢铁;进货数量:12.414T第4页共7页第3页共7页编号:时间:2021年x月x日书山有路勤为径,学海无涯苦作舟页码:第4页共7页39059024.5原件存放单位:济南恒昌华威经贸有限公司抄件单位:济南恒昌华威经贸有限公司抄件人:李红质量保证书抄件供货单位:济南恒昌华威经贸有限公司产品名称:热轧带肋钢筋日期:2010.4.26标准依据:GB1499.2-2007牌号熔炼号批号规格mm产品数量吨化学成分﹪力学性能冷弯水压试验CSiMnPSCeq屈服点σsMPa抗拉强度σbMPa延伸率δ﹪d=弯蕊直径a=钢筋公称直径MPa×10-2×10-3HRB33510Y3-03212121462086.0431953141232343039058526.5合格39058525原件存放单位:济南恒昌华威经贸有限公司抄件单位:济南恒昌华威经贸有限公司抄件人:李红质量保证书抄件供货单位:济南恒昌...

1、当您付费下载文档后,您只拥有了使用权限,并不意味着购买了版权,文档只能用于自身使用,不得用于其他商业用途(如 [转卖]进行直接盈利或[编辑后售卖]进行间接盈利)。
2、本站所有内容均由合作方或网友上传,本站不对文档的完整性、权威性及其观点立场正确性做任何保证或承诺!文档内容仅供研究参考,付费前请自行鉴别。
3、如文档内容存在违规,或者侵犯商业秘密、侵犯著作权等,请点击“违规举报”。

碎片内容

质量保证书抄件

精华资料店+ 关注
实名认证
内容提供者

大量教育教学资料

确认删除?
VIP
微信客服
  • 扫码咨询
会员Q群
  • 会员专属群点击这里加入QQ群
客服邮箱
回到顶部