电脑桌面
添加小米粒文库到电脑桌面
安装后可以在桌面快捷访问

空调水系统安装检验批质量验收记录表ⅠVIP免费

空调水系统安装检验批质量验收记录表Ⅰ_第1页
1/2
空调水系统安装检验批质量验收记录表Ⅰ_第2页
2/2
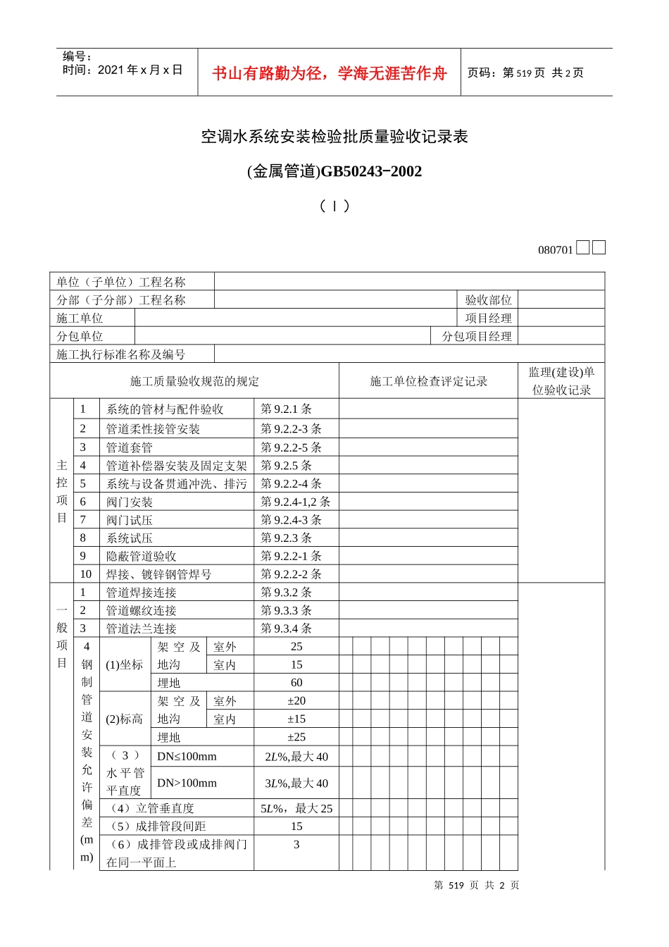
第519页共2页编号:时间:2021年x月x日书山有路勤为径,学海无涯苦作舟页码:第519页共2页空调水系统安装检验批质量验收记录表(金属管道)GB50243-2002(Ⅰ)080701单位(子单位)工程名称分部(子分部)工程名称验收部位施工单位项目经理分包单位分包项目经理施工执行标准名称及编号施工质量验收规范的规定施工单位检查评定记录监理(建设)单位验收记录主控项目1系统的管材与配件验收第9.2.1条2管道柔性接管安装第9.2.2-3条3管道套管第9.2.2-5条4管道补偿器安装及固定支架第9.2.5条5系统与设备贯通冲洗、排污第9.2.2-4条6阀门安装第9.2.4-1,2条7阀门试压第9.2.4-3条8系统试压第9.2.3条9隐蔽管道验收第9.2.2-1条10焊接、镀锌钢管焊号第9.2.2-2条一般项目1管道焊接连接第9.3.2条2管道螺纹连接第9.3.3条3管道法兰连接第9.3.4条4钢制管道安装允许偏差(mm)(1)坐标架空及地沟室外25室内15埋地60(2)标高架空及地沟室外±20室内±15埋地±25(3)水平管平直度DN≤100mm2L%,最大40DN>100mm3L%,最大40(4)立管垂直度5L%,最大25(5)成排管段间距15(6)成排管段或成排阀门在同一平面上3第520页共2页第519页共2页编号:时间:2021年x月x日书山有路勤为径,学海无涯苦作舟页码:第520页共2页5钢塑复合管道安装第9.3.6条6管道沟槽式连接第9.3.6条7管道支、吊架第9.3.8条8阀门及其他部件安装第9.3.10条9系统放气阀与排水阀第9.3.10-4条施工单位检查评定结果专业工长(施工员)施工班组长项目专业质量检查员:年月日监理(建设)单位验收结论专业监理工程师:(建设单位项目专业技术负责人):年月日

1、当您付费下载文档后,您只拥有了使用权限,并不意味着购买了版权,文档只能用于自身使用,不得用于其他商业用途(如 [转卖]进行直接盈利或[编辑后售卖]进行间接盈利)。
2、本站所有内容均由合作方或网友上传,本站不对文档的完整性、权威性及其观点立场正确性做任何保证或承诺!文档内容仅供研究参考,付费前请自行鉴别。
3、如文档内容存在违规,或者侵犯商业秘密、侵犯著作权等,请点击“违规举报”。

碎片内容

空调水系统安装检验批质量验收记录表Ⅰ

精华资料店+ 关注
实名认证
内容提供者

大量教育教学资料

确认删除?
VIP
微信客服
  • 扫码咨询
会员Q群
  • 会员专属群点击这里加入QQ群
客服邮箱
回到顶部