电脑桌面
添加小米粒文库到电脑桌面
安装后可以在桌面快捷访问

温度仪表安装工程检验批质量验收记录表VIP专享VIP免费

温度仪表安装工程检验批质量验收记录表_第1页
1/2
温度仪表安装工程检验批质量验收记录表_第2页
2/2
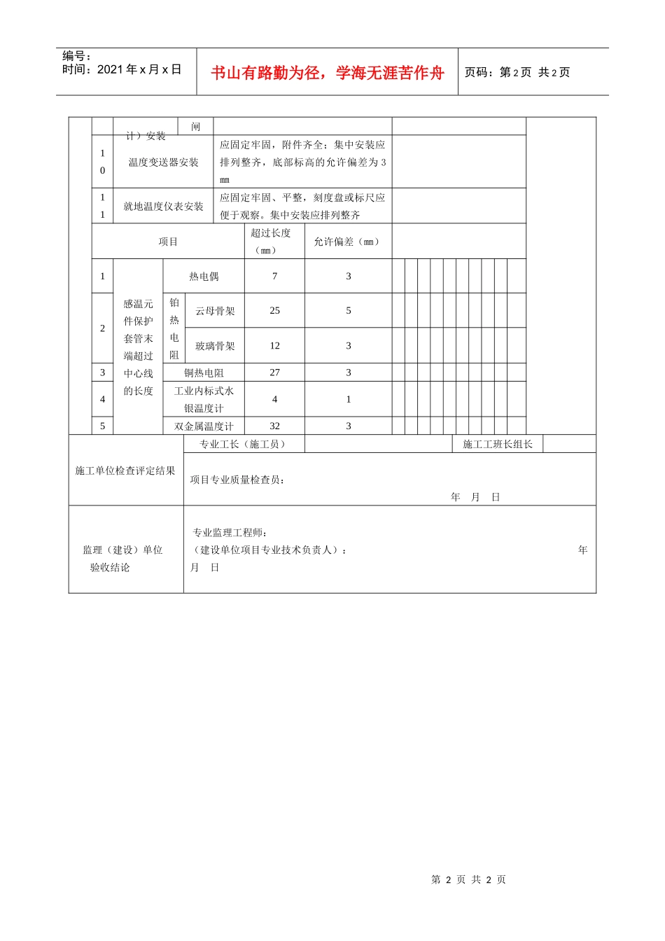
第1页共2页编号:时间:2021年x月x日书山有路勤为径,学海无涯苦作舟页码:第1页共2页温度仪表安装工程检验批质量验收记录表单位(子单位)工程名称分部(子分部)工程名称验收部位施工单位项目经理分包单位分包项目经理施工执行标准名称及编号项别项目质量施工单位检查评定记录监理(建设)单位验收记录主控项目1感温元件感温元件的插座同管道、设备和感温元件间连接必须严密、牢固,不得渗漏1感温元件型号、位号位置感温元件的型号、位号和安装位置应符合设计要求或有关规定2材质、规格感温元件的插座、法兰、垫汽和填料等的材质、规格应符合有关规定3安装在管道上感温元件(如热偶、热电阻和水银温度计的水银球等)安装在管道上应通过管道中心线,插入方向应递介质流向或垂直管中心线(含有纤维的介质例外)4表面热电偶(热电阻)表面(热电偶)热电阻安装:感温端应和设备或管道的被测表面接触良好,固定牢固,位置正确。5压力式温度计的温包应全部插入被测介质中6压力式温度计毛细管其弯曲半径应大于50㎜,保护装置应固定牢固7辐射高温计(光电、光电比色高温计)安装感温计感温器和被测物体间的距离符合仪表说明书的要求8辐射高温计(光电、光电比色高温窥视管窥视管应清洗干净,通风和冷却水装置完整9防护防护闸完好,动作灵活第2页共2页第1页共2页编号:时间:2021年x月x日书山有路勤为径,学海无涯苦作舟页码:第2页共2页计)安装闸10温度变送器安装应固定牢固,附件齐全;集中安装应排列整齐,底部标高的允许偏差为3㎜11就地温度仪表安装应固定牢固、平整,刻度盘或标尺应便于观察。集中安装应排列整齐项目超过长度(㎜)允许偏差(㎜)1感温元件保护套管末端超过中心线的长度热电偶732铂热电阻云母骨架255玻璃骨架1233铜热电阻2734工业内标式水银温度计415双金属温度计323施工单位检查评定结果专业工长(施工员)施工工班长组长项目专业质量检查员:年月日监理(建设)单位验收结论专业监理工程师:(建设单位项目专业技术负责人):年月日

1、当您付费下载文档后,您只拥有了使用权限,并不意味着购买了版权,文档只能用于自身使用,不得用于其他商业用途(如 [转卖]进行直接盈利或[编辑后售卖]进行间接盈利)。
2、本站所有内容均由合作方或网友上传,本站不对文档的完整性、权威性及其观点立场正确性做任何保证或承诺!文档内容仅供研究参考,付费前请自行鉴别。
3、如文档内容存在违规,或者侵犯商业秘密、侵犯著作权等,请点击“违规举报”。

碎片内容

温度仪表安装工程检验批质量验收记录表

精华资料店+ 关注
实名认证
内容提供者

大量教育教学资料

确认删除?
VIP
微信客服
  • 扫码咨询
会员Q群
  • 会员专属群点击这里加入QQ群
客服邮箱
回到顶部