电脑桌面
添加小米粒文库到电脑桌面
安装后可以在桌面快捷访问

工程边坡锚喷支护施工技术及质量控制VIP免费

工程边坡锚喷支护施工技术及质量控制_第1页
1/15
工程边坡锚喷支护施工技术及质量控制_第2页
2/15
工程边坡锚喷支护施工技术及质量控制_第3页
3/15
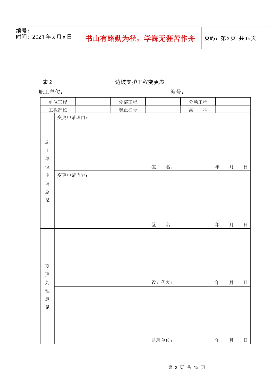
第1页共15页编号:时间:2021年x月x日书山有路勤为径,学海无涯苦作舟页码:第1页共15页工程边坡锚喷支护施工技术及质量控制一、施工顺序1、周边截水沟与最高一级边坡之间的施工顺序是:场地清理→周边截水沟开挖及衬护→坡顶表土开挖→最高一级边坡开挖→坡面整修。2、排水沟与边坡锚喷之间的施工顺序是:(1)坡面排水沟衬护在同一级坡面开挖之后,喷混凝土之前进行。(2)马道排水沟开挖,在上一级坡面喷混凝土之前进行。马道排水沟开挖前,上一级坡面不准喷混凝土。(3)马道以及马道排水沟衬护,在同一部位的相邻上、下级坡面喷混凝土之后进行。3、边坡锚喷支护的施工顺序是:坡面整修→施工单位自检→地质素描→地质缺陷处理→检查签证→基础验收→结构分缝分块→铺网→搭脚手架→锚杆孔及安装→检查签证→排水孔及安装→挂网→设置喷混凝土厚度标记→坡面吹扫冲洗→开仓签证→喷混凝土→养护→单元工程验收。4、地质缺陷处理的施工顺序是:地质缺陷鉴定→确定处理方案→开挖或打锚孔→检查签证→回填混凝土或安装锚杆→检查签证。5、重要工序(包括锚杆造孔和锚杆安装)采用旁站监理,其他工序采用跟踪监理和组织检查签证(验收)进行质量控制。6、边坡锚喷支护工程需要变更时,须经过审查批准(见表2-1)。二、坡面整修1、坡面整修按永久船闸开挖及支护技术要求执行。2、经整修后的坡面、马道的最终轮廓,除航道底部允许局部欠挖10cm外,其余建筑物地基面不得欠挖。3、各种边坡和地基岩面误差不得超过表3-1的规定。第2页共15页第1页共15页编号:时间:2021年x月x日书山有路勤为径,学海无涯苦作舟页码:第2页共15页表2-1边坡支护工程变更表施工单位:编号:单位工程分部工程分项工程工程部位起止桩号高程施工单位申请意见变更申请理由:签名:年月日变更申请内容:签名:年月日变更处理意见设计代表:年月日监理单位:年月日第3页共15页第2页共15页编号:时间:2021年x月x日书山有路勤为径,学海无涯苦作舟页码:第3页共15页业主意见业主单位:年月日表3-1开挖轮廓限差表(cm)项目马道边坡引航道建筑物地基全强风化层其它平面2050252515高程15302010104、坡面起伏差是指垂直设计边坡线方向的凸起与凹陷的差值,经整修后一般不大于20cm(地质原因除外)。5、施工单位三检(初检、复检、终检)要求(1)坡面平均坡度不得陡于设计坡度为主要检查项目。(2)轮廓测量检查在500m2以内不得少于20点,500m2以上不得少于30点,局部凸起与凹陷部位(0.5m2以上)均应增加测点。各轮廓控制点坐标高程必须实测,不得标用设计坐标、高程。(3)施工承包单位对轮廊测量成果,进行自检合格后报监理单位检查签证和按规定进行复测检查。三、地质缺陷处理1、开挖中发现地质缺陷,应及时通知监理单位,不得隐匿不报或拖延,否则由此引起的后果由施工单位负责。2、地质缺陷一般不得擅自处理,须经地质鉴定,由设计单位提出处理方案,并经监理单位签发,按要求处理。3、地质缺陷处理及其结果,施工承包单位应做好详细记录,作为竣工验收资料的一部分提交。四、锚杆1、锚杆包括挂网锚杆、系统锚杆与局部加强锚杆。2、锚杆孔开孔偏差不得大于10cm,钻孔偏差角不得大于2o,孔深应达到设计要求。3、锚杆孔内岩粉和积水必须清除干净,经质检人员检查孔深、清孔情况及锚杆长度后第4页共15页第3页共15页编号:时间:2021年x月x日书山有路勤为径,学海无涯苦作舟页码:第4页共15页才能注浆安装。4m以上锚杆安装时,必须有监理人员在场,否则必须经拔锚检查后才予开仓。4、砂浆锚杆应用注浆机(或注浆器)注浆,严禁人工注浆。锚杆安装程序是先注浆后安装锚杆,注浆必须饱满。5、锚杆砂浆中的水泥严禁含有对锚杆有腐蚀作用的化学成分。6、锚杆安装后,在砂浆凝固之前不得敲击、碰撞、拉拔。7、锚杆质量检查项目与要求如表5-1。表5-1砂浆锚杆质量检查标准项目质量标准备注锚杆材质出厂证明与质检结果砂浆标号与化学成分符合设计要求孔位偏差小于10cm抽样10%~15%,但不少于20根孔轴偏差角不大于2°孔深偏差±5cm钻孔清理无岩粉,无积水挂网安装挂网焊接(绑扎)在锚杆上五、排水孔1、开孔偏差不得大于10cm...

1、当您付费下载文档后,您只拥有了使用权限,并不意味着购买了版权,文档只能用于自身使用,不得用于其他商业用途(如 [转卖]进行直接盈利或[编辑后售卖]进行间接盈利)。
2、本站所有内容均由合作方或网友上传,本站不对文档的完整性、权威性及其观点立场正确性做任何保证或承诺!文档内容仅供研究参考,付费前请自行鉴别。
3、如文档内容存在违规,或者侵犯商业秘密、侵犯著作权等,请点击“违规举报”。

碎片内容

工程边坡锚喷支护施工技术及质量控制

确认删除?
VIP
微信客服
  • 扫码咨询
会员Q群
  • 会员专属群点击这里加入QQ群
客服邮箱
回到顶部