电脑桌面
添加小米粒文库到电脑桌面
安装后可以在桌面快捷访问

水泥混凝土面层工程检验批质量验收记录表VIP免费

水泥混凝土面层工程检验批质量验收记录表_第1页
1/2
水泥混凝土面层工程检验批质量验收记录表_第2页
2/2
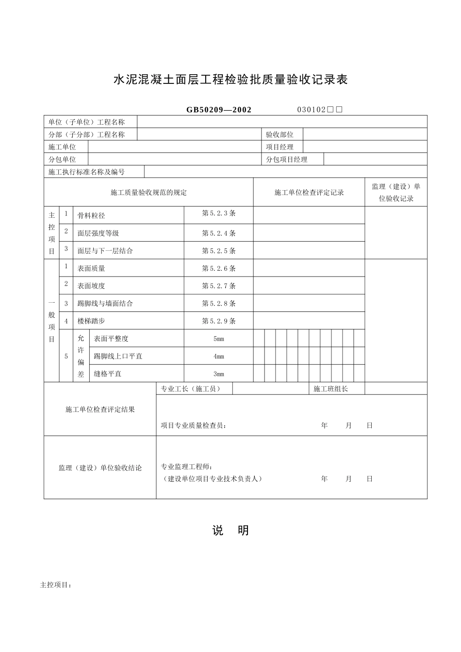
水泥混凝土面层工程检验批质量验收记录表GB50209—2002030102□□单位(子单位)工程名称分部(子分部)工程名称验收部位施工单位项目经理分包单位分包项目经理施工执行标准名称及编号施工质量验收规范的规定施工单位检查评定记录监理(建设)单位验收记录主控项目1骨料粒径第5.2.3条2面层强度等级第5.2.4条3面层与下一层结合第5.2.5条一般项目1表面质量第5.2.6条2表面坡度第5.2.7条3踢脚线与墙面结合第5.2.8条4楼梯踏步第5.2.9条5允许偏差表面平整度5mm踢脚线上口平直4mm缝格平直3mm施工单位检查评定结果专业工长(施工员)施工班组长项目专业质量检查员:年月日监理(建设)单位验收结论专业监理工程师:(建设单位项目专业技术负责人)年月日说明主控项目:1、水泥混凝土采用的粗骨料,其最大粒径不应大于面层厚度的2/3,细石混凝土面层采用的石子粒径不应大于15mm。观察检查和检查产品合格证明文件及检测报告。2、面层的强度等级应符合设计要求,且水泥混凝土面层强度等级不应小于C20;水泥混凝土垫层兼面层强度等级不应小于C15。检查配合比通知单及检测报告。3、面层与下一层应结合牢固,无空鼓、裂纹。用小锤轻击检查。注:空鼓面积不应大于400cm2,且每自然间(标准间)不多于2处可不计。一般项目1、面层表面不应有裂纹、脱皮、麻面、起砂等缺陷。观察检查。2、面层表面的坡度,符合设计要求,不得有倒泛水和积水现象。观察和采用泼水或用坡度尺检查。3、水泥砂浆踢脚线与墙面应紧密结合,高度一致,出墙厚度均匀。用小锤轻击、尺量检查和观察检查。注:局部空鼓长度不应大于300mm,且每自然间(标准间)不多于2处可不计。4、楼梯踏步的宽度、高度应符合设计要求。楼层梯段相邻踏步高度差不应大于10mm,每踏步两端宽度差不应大于10mm;旋转楼梯梯段的每踏步两端宽度的允许偏差为5mm。楼梯踏步的齿角应整齐,防滑条应顺直。观察和尺量检查。5、水泥混凝土面层的允许偏差,按本规范表5.1.7中的检验方法检验。

1、当您付费下载文档后,您只拥有了使用权限,并不意味着购买了版权,文档只能用于自身使用,不得用于其他商业用途(如 [转卖]进行直接盈利或[编辑后售卖]进行间接盈利)。
2、本站所有内容均由合作方或网友上传,本站不对文档的完整性、权威性及其观点立场正确性做任何保证或承诺!文档内容仅供研究参考,付费前请自行鉴别。
3、如文档内容存在违规,或者侵犯商业秘密、侵犯著作权等,请点击“违规举报”。

碎片内容

水泥混凝土面层工程检验批质量验收记录表

确认删除?
VIP
微信客服
  • 扫码咨询
会员Q群
  • 会员专属群点击这里加入QQ群
客服邮箱
回到顶部