电脑桌面
添加小米粒文库到电脑桌面
安装后可以在桌面快捷访问

烟囱道、排气道与穿墙预留管工程质量分户验收记录表VIP专享VIP免费

烟囱道、排气道与穿墙预留管工程质量分户验收记录表_第1页
1/59
烟囱道、排气道与穿墙预留管工程质量分户验收记录表_第2页
2/59
烟囱道、排气道与穿墙预留管工程质量分户验收记录表_第3页
3/59
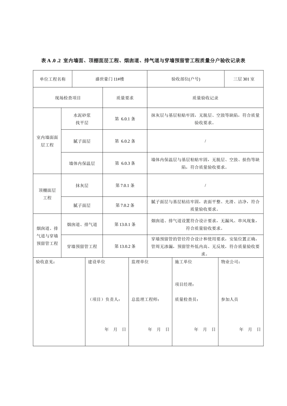
表A.0.2室内墙面、顶棚面层工程、烟囱道、排气道与穿墙预留管工程质量分户验收记录表单位工程名称盛世豪门11#楼验收部位(户号)三层301室现场检查项目质量要求质量验收记录室内墙面面层工程水泥砂浆找平层第6.0.1条抹灰层与基层粘贴牢固,无脱层、空鼓等缺陷,符合质量验收要求。腻子面层第6.0.2条/墙体内保温层第6.0.3条墙体内保温层与基层粘贴牢固,无脱层、空鼓、损伤等缺陷,符合质量验收要求。顶棚面层工程抹灰层第7.0.1条/腻子面层第7.0.2条腻子面层与基层粘结牢固,表面平整、光滑、洁净,符合质量验收要求。烟囱道、排气道与穿墙预留管工程烟囱道、排气道第13.0.1条烟囱道、排气道设置符合设计要求,无漏风、串风现象,符合质量验收要求。穿墙预留管工程第13.0.2条穿墙预留管的管径符合设计和使用要求,安装位置正确,管周无渗漏,预留管外低内高、无反坡,符合质量验收要求。验收意见:建设单位(项目)负责人:年月日监理单位总监理工程师:年月日施工单位项目经理:质量检查员:年月日物业公司:参加人员年月日表A.0.2室内墙面、顶棚面层工程、烟囱道、排气道与穿墙预留管工程质量分户验收记录表单位工程名称盛世豪门11#楼验收部位(户号)三层302室现场检查项目质量要求质量验收记录室内墙面面层工程水泥砂浆找平层第6.0.1条抹灰层与基层粘贴牢固,无脱层、空鼓等缺陷,符合质量验收要求。腻子面层第6.0.2条/墙体内保温层第6.0.3条墙体内保温层与基层粘贴牢固,无脱层、空鼓、损伤等缺陷,符合质量验收要求。顶棚面层工程抹灰层第7.0.1条/腻子面层第7.0.2条腻子面层与基层粘结牢固,表面平整、光滑、洁净,符合质量验收要求。烟囱道、排气道与穿墙预留管工程烟囱道、排气道第13.0.1条烟囱道、排气道设置符合设计要求,无漏风、串风现象,符合质量验收要求。穿墙预留管工程第13.0.2条穿墙预留管的管径符合设计和使用要求,安装位置正确,管周无渗漏,预留管外低内高、无反坡,符合质量验收要求。验收意见:建设单位(项目)负责人:年月日监理单位总监理工程师:年月日施工单位项目经理:质量检查员:年月日物业公司:参加人员年月日表A.0.2室内墙面、顶棚面层工程、烟囱道、排气道与穿墙预留管工程质量分户验收记录表单位工程名称盛世豪门11#楼验收部位(户号)四层401室现场检查项目质量要求质量验收记录室内墙面面层工程水泥砂浆找平层第6.0.1条抹灰层与基层粘贴牢固,无脱层、空鼓等缺陷,符合质量验收要求。腻子面层第6.0.2条/墙体内保温层第6.0.3条墙体内保温层与基层粘贴牢固,无脱层、空鼓、损伤等缺陷,符合质量验收要求。顶棚面层工程抹灰层第7.0.1条/腻子面层第7.0.2条腻子面层与基层粘结牢固,表面平整、光滑、洁净,符合质量验收要求。烟囱道、排气道与穿墙预留管工程烟囱道、排气道第13.0.1条烟囱道、排气道设置符合设计要求,无漏风、串风现象,符合质量验收要求。穿墙预留管工程第13.0.2条穿墙预留管的管径符合设计和使用要求,安装位置正确,管周无渗漏,预留管外低内高、无反坡,符合质量验收要求。验收意见:建设单位(项目)负责人:年月日监理单位总监理工程师:年月日施工单位项目经理:质量检查员:年月日物业公司:参加人员年月日表A.0.2室内墙面、顶棚面层工程、烟囱道、排气道与穿墙预留管工程质量分户验收记录表单位工程名称盛世豪门11#楼验收部位(户号)四层402室现场检查项目质量要求质量验收记录室内墙面面层工程水泥砂浆找平层第6.0.1条抹灰层与基层粘贴牢固,无脱层、空鼓等缺陷,符合质量验收要求。腻子面层第6.0.2条/墙体内保温层第6.0.3条墙体内保温层与基层粘贴牢固,无脱层、空鼓、损伤等缺陷,符合质量验收要求。顶棚面层工程抹灰层第7.0.1条/腻子面层第7.0.2条腻子面层与基层粘结牢固,表面平整、光滑、洁净,符合质量验收要求。烟囱道、排气道与穿墙预留管工程烟囱道、排气道第13.0.1条烟囱道、排气道设置符合设计要求,无漏风、串风现象,符合质量验收要求。穿墙预留管工程第13.0.2条穿墙预留管的管径符合设计和使用要求,安装位置正确,管周无渗漏,预留管外低内高、无反坡,符合质量验收要求。验收意见:建设单位(项目)负责人:...

1、当您付费下载文档后,您只拥有了使用权限,并不意味着购买了版权,文档只能用于自身使用,不得用于其他商业用途(如 [转卖]进行直接盈利或[编辑后售卖]进行间接盈利)。
2、本站所有内容均由合作方或网友上传,本站不对文档的完整性、权威性及其观点立场正确性做任何保证或承诺!文档内容仅供研究参考,付费前请自行鉴别。
3、如文档内容存在违规,或者侵犯商业秘密、侵犯著作权等,请点击“违规举报”。

碎片内容

烟囱道、排气道与穿墙预留管工程质量分户验收记录表

确认删除?
VIP
微信客服
  • 扫码咨询
会员Q群
  • 会员专属群点击这里加入QQ群
客服邮箱
回到顶部