电脑桌面
添加小米粒文库到电脑桌面
安装后可以在桌面快捷访问

投资、消费、出口与西安经济增长关系VIP免费

投资、消费、出口与西安经济增长关系_第1页
1/13
投资、消费、出口与西安经济增长关系_第2页
2/13
投资、消费、出口与西安经济增长关系_第3页
3/13
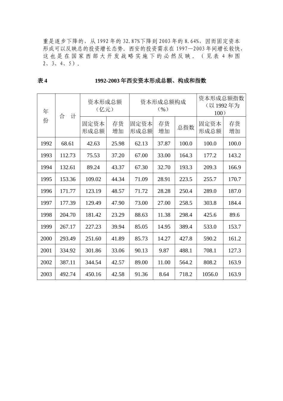
投资、消费、出口与西安经济增长关系分析及政策建议(摘要)投资、消费、出口是拉动中国经济的“三驾马车”,是中国经济持续高速增长不可或缺的重要动力。因此,通过投资、消费、出口与经济增长关系的分析,可以全面、客观的了解一个城市的经济发展趋势,从而为城市未来发展方向提供重要的借鉴。下面我们将具体分析投资、消费、出口与经济增长的关系。一、投资与西安经济增长关系的分析资本形成总额由固定资本形成总额和存货增加构成。固定资本形成总额产出新的供给能力;存货是供给能力的储存。资本形成总额中存货增加的份额太大,则会抑制下一轮投资需求。1992年—2003年,资本形成对西安GDP年平均贡献率是55.76%。而近五年,资本形成有上升趋势,这种状况是符合规律的。由于国家西部大开发战略的实施,对西部投资的增大,而直接带来资本形成总额的增大,对西安GDP贡献率有了上升的趋势。(见表3)在资本形成总额中,存货占的比重一般不大,因而讨论资本形成问题,实质主要研究的是固定资本形成问题。在1992—2003年期间,西安的资本形成中,存货增加所占的比表31992-2003年资本形成对西安GDP的贡献率年份GDP增量(亿元)资本形成增量(亿元)贡献率(%)1992199364.7244.1268.17199460.2519.8833.00199540.5320.7551.20199676.6018.4124.03199781.875.626.86199836.9827.3173.85199950.5962.47123.48200066.8726.3239.36200190.5941.4345.73200289.6552.1958.222003118.10105.6389.441992-2003年平均55.76重是逐步下降的,从1992年的32.87%下降到2003年的8.64%,因而固定资本形成可以反映总的投资增长态势。西安的投资需求在1997—2003年间增长较快,这也是在国家西部大开发战略实施下的必然反映。(见表4和图2、3、4、5)。表41992-2003年西安资本形成总额、构成和指数年份合计资本形成总额(亿元)资本形成总额构成(%)资本形成总额指数(以1992年为100)固定资本形成总额存货增加固定资本形成总额存货增加总指数固定资本形成总额存货增加199268.6142.6325.9862.1337.87100.0100.0100.01993112.7375.5337.2067.0033.00164.3177.2143.21994132.6189.2443.3767.3032.70193.3209.3166.91995153.36109.0244.3471.0928.91223.5255.7170.71996171.77123.1948.5771.7228.28250.4289.0187.01997177.39129.4947.9073.0027.00258.5303.8184.41998204.70181.4223.2988.6311.38298.4425.689.61999267.17227.2339.9485.0514.95389.4533.0153.72000293.49251.6041.8985.7314.27427.8590.2161.22001334.92301.8633.0690.139.87488.1708.1127.32002387.11344.5442.5789.0011.00564.2808.2163.92003492.74450.1642.5891.368.64718.21056.0163.9二、消费与西安经济增长关系的分析1、西安消费需求态势1992年—2003年,最终消费对西安GDP年平均贡献率是71.56%。这说明,最终消费对西安经济增长的贡献占主导地位。(见表5)表51992-2003年最终消费对西安GDP的贡献率年份GDP增量(亿元)最终消费增量(亿元)贡献率(%)1992199364.7261.4794.98199460.2531.8752.90199540.5343.70107.82199676.6039.0350.95199781.8751.4862.88199836.9830.0081.12199950.5944.1687.29200066.8747.2770.69200190.5958.2564.30200289.6552.2258.252003118.1066.1656.021992-2003年平均71.56最终消费由居民和政府消费构成,在1992—2003年中,政府消费比重保持在20%多,一直比较稳定的,因而考察消费变动情况可以由最终消费总额和居民消费额来进行分析。西安的消费需求在1992—2003年保持着较好的增长态势,而增长率在1992—1998年是呈下降趋势的,1998--2003年趋于平稳,这种态势与我国近年来内需疲软和政府采取的扩张性政策相符合的。(见表6和图6、7分析)根据图2—图7,投资增长和消费增长的增长态势基本是相同的,这说明投资和消费增长是相互作用,相互影响的,也是符合市场经济规律的。表61992-2003年西安最终消费总额、增长率及构成年份最终消费总额最终消费构成消费总额(亿元)增长率(%)居民消费政府消费消费额(亿元)增长率(%)消费额(亿元)增长率(%)1992113.9590.5423.421993175.4253.94135.3449.4840.0871.14...

1、当您付费下载文档后,您只拥有了使用权限,并不意味着购买了版权,文档只能用于自身使用,不得用于其他商业用途(如 [转卖]进行直接盈利或[编辑后售卖]进行间接盈利)。
2、本站所有内容均由合作方或网友上传,本站不对文档的完整性、权威性及其观点立场正确性做任何保证或承诺!文档内容仅供研究参考,付费前请自行鉴别。
3、如文档内容存在违规,或者侵犯商业秘密、侵犯著作权等,请点击“违规举报”。

碎片内容

投资、消费、出口与西安经济增长关系

您可能关注的文档

文泉书屋+ 关注
实名认证
内容提供者

热爱教学事业,对互联网知识分享很感兴趣

确认删除?
VIP
微信客服
  • 扫码咨询
会员Q群
  • 会员专属群点击这里加入QQ群
客服邮箱
回到顶部