电脑桌面
添加小米粒文库到电脑桌面
安装后可以在桌面快捷访问

火灾自动报警及联动系统VIP免费

火灾自动报警及联动系统_第1页
1/22
火灾自动报警及联动系统_第2页
2/22
火灾自动报警及联动系统_第3页
3/22
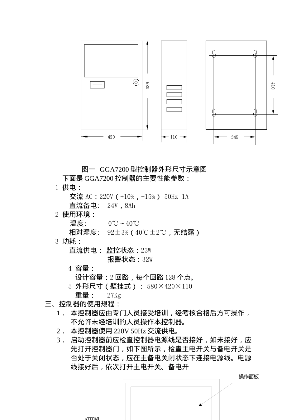
GGA7000系列火灾自动报警及联动系统欢迎使用GGA7200通用火灾报警控制器(联动型),在您使用前,请务必认真阅读本手册,它将指导您学习GGA7200通用火灾报警控制器(联动型)的使用方法。一、控制器简介GGA7200通用火灾报警控制器(联动型)是我公司研制开发的通用型二总线、模拟量报警联动控制器。该控制器采用的模拟量报警、报警联动协同处理等先进技术,在前一代产品的技术基础上,有了更大的改进和发展,该控制器最大容量为256个点,满足了小型系统的用户需求,有效的为用户节约成本,更具有经济性和实用性,大大提高了产品的性能价格比。该控制器的各项技术指标完全符合GB4717-93《火灾报警控制器通用技术条件》、GB16806-1997《消防联动控制设备通用技术条件》等国家标准的规定。每台GGA7200/256控制器设计有2个报警回路,每个回路可挂接128个火灾探测器、模块或手动火灾报警按钮等设备组合。控制器设计有RS-232接口,RS-485接口,与计算机之间通过RS-232口通信,控制器与控制器之间通过485通信,实现交叉联动控制和监控。通过PC个人计算机或我公司的GGA7541数据转发器,还可实现远程诊断和监控。系统具有黑匣子功能,便于系统管理和日后对事件的分析和处理。控制器具有主备电自动切换及备电自动保护功能,当主电发生故障时,系统会自动切换到备电运行,等主电恢复正常后再自动切换回主电运行。当备电的电压下降到一定值时,系统可以自动关闭。二、控制器的技术指标GGA7200控制器的外形及尺寸如下图所示:操作面板打印机图一GGA7200型控制器外形尺寸示意图下面是GGA7200控制器的主要性能参数:1供电:交流AC:220V(+10%,-15%)50Hz1A直流备电:24V,8Ah2使用环境:温度:0℃~40℃相对湿度:92±3%(40℃±2℃,无结露)3功耗:直流供电:监控状态:23W报警状态:32W4容量:设计容量:2回路,每个回路128个点。5外形尺寸(壁挂式):580×420×110重量:27Kg三、控制器的使用规程:1.本控制器应由专门人员接受培训,经考核合格后方可操作,不允许未经培训的人员操作本控制器。2.本控制器使用220V50Hz交流供电。3.启动控制器前应检查控制器电源线是否接好,如未接好,应先打开控制器门,如下图所示,检查主电开关与备电开关是否处于关闭状态,应在主备电关闭状态下连接电源线。电源线接好后,依次打开主电开关、备电开图二GGA7200型控制器结构示意图关,系统即开始工作。如果是第一次打开控制器,需进行各种设置,具体设置方法请参考后文的说明。控制器正常工作时应关闭并锁好控制器门,防止非法操作。正常工作时的操作请参考后面的说明。关闭控制器电源时,依次关闭备电开关、主电开关。4.当系统发出报警信号后,应派人到报警地点查看,如果是火警或预警,应检查是否有火灾发生;如果是故障,应检查器件或模块外观是否完好。当确认有火灾发生时,如果系统的“”“”“”联动状态是手动,在模请页面时用急启键启动当前设“““备,用急停键取消当前设备的启动;也可以用手动/”自动“”键将联动状态设为自动,由系统按预先设定的联动关系自动启动设备。5.如果因为操作不当或其他原因导致系统停止响应,可以按复位键使系统复位。6.决不允许随意删除、隔离器件或模块,如确实需要删除或隔离,应尽量选择隔离,并做好记录。7.如果出现严重故障如总线故障、电源故障导致系统无法正常工作,应立即与销售商联系要求维修,不允许长时间停止控制器的工作。8.以上各条仅供参考,如另有规定,应按规定执行。9.注意事项9.1如果要隔离一个已启动的输出模块,首先关闭该模块,再隔离,否则模块将一直保持启动状态。9.2系统复位后会自动关闭所有打开的输出模块。9.3系统在08点02分时进行本控制器的器件自检,如检测到有器件或模块发生故障,将发出故障报警。9.4系统自检时发现的故障只有在再次自检并且自检正常后才会恢复,系统复位可以消除自检所报出的故障。9.5更换器件或模块,应先关闭控制器,然后更换,重新“开机。如果更换的器件或模块不是同一类型,应先在器件设”“”置中更改器件类型,然后关闭控制器,更换器件或模块、重新开机。严禁带电更换器件、模块!9.6严禁随意更...

1、当您付费下载文档后,您只拥有了使用权限,并不意味着购买了版权,文档只能用于自身使用,不得用于其他商业用途(如 [转卖]进行直接盈利或[编辑后售卖]进行间接盈利)。
2、本站所有内容均由合作方或网友上传,本站不对文档的完整性、权威性及其观点立场正确性做任何保证或承诺!文档内容仅供研究参考,付费前请自行鉴别。
3、如文档内容存在违规,或者侵犯商业秘密、侵犯著作权等,请点击“违规举报”。

碎片内容

火灾自动报警及联动系统

确认删除?
VIP
微信客服
  • 扫码咨询
会员Q群
  • 会员专属群点击这里加入QQ群
客服邮箱
回到顶部