电脑桌面
添加小米粒文库到电脑桌面
安装后可以在桌面快捷访问

视频安防监控系统分项工程质量验收记录表VIP免费

视频安防监控系统分项工程质量验收记录表_第1页
1/2
视频安防监控系统分项工程质量验收记录表_第2页
2/2
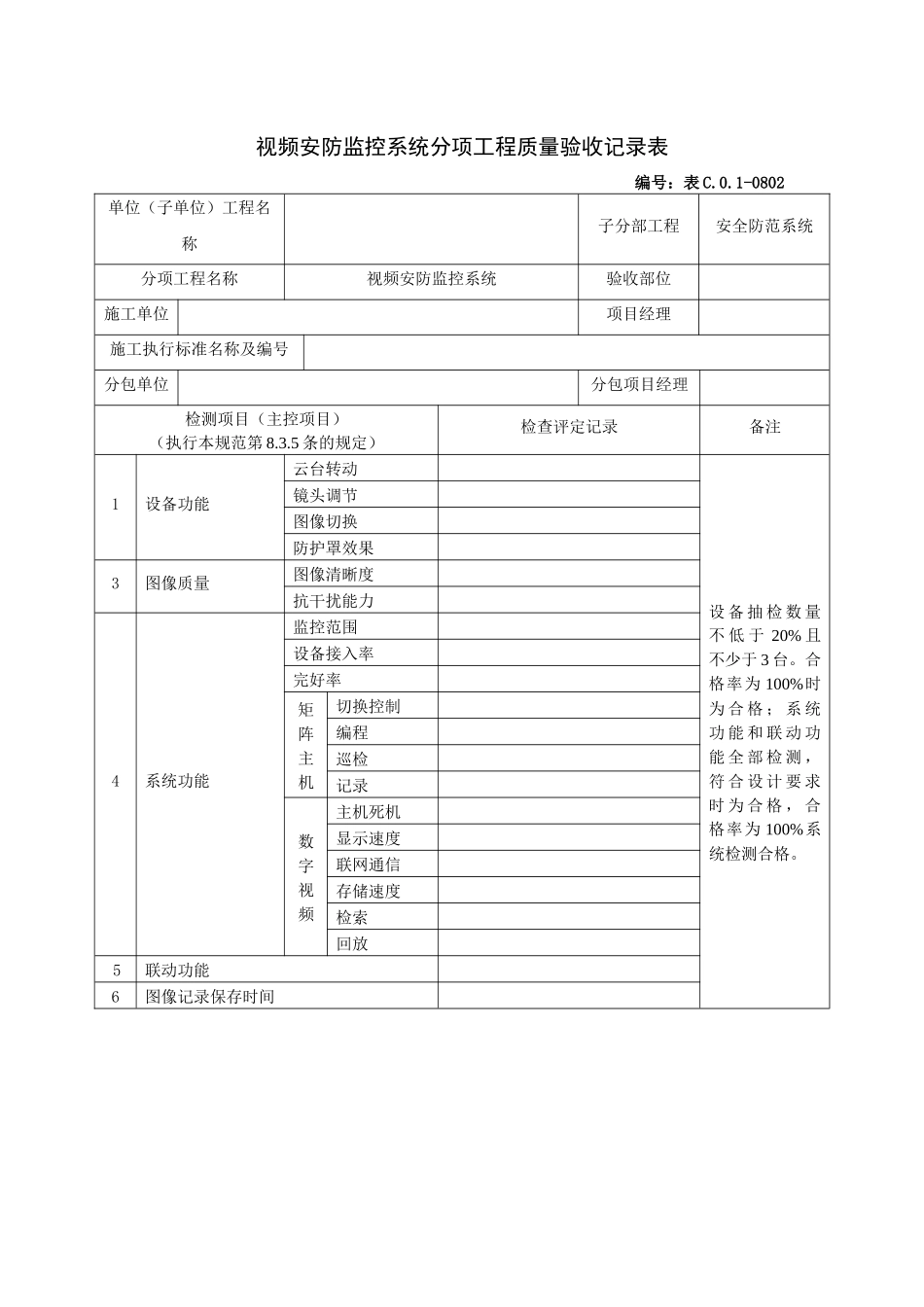
视频安防监控系统分项工程质量验收记录表编号:表C.0.1-0802单位(子单位)工程名称子分部工程安全防范系统分项工程名称视频安防监控系统验收部位施工单位项目经理施工执行标准名称及编号分包单位分包项目经理检测项目(主控项目)(执行本规范第8.3.5条的规定)检查评定记录备注1设备功能云台转动设备抽检数量不低于20%且不少于3台。合格率为100%时为合格;系统功能和联动功能全部检测,符合设计要求时为合格,合格率为100%系统检测合格。镜头调节图像切换防护罩效果3图像质量图像清晰度抗干扰能力4系统功能监控范围设备接入率完好率矩阵主机切换控制编程巡检记录数字视频主机死机显示速度联网通信存储速度检索回放5联动功能6图像记录保存时间检测意见:监理工程师签字:检测机构负责人签字:(建设单位项目专业技术负责人)日期:日期:

1、当您付费下载文档后,您只拥有了使用权限,并不意味着购买了版权,文档只能用于自身使用,不得用于其他商业用途(如 [转卖]进行直接盈利或[编辑后售卖]进行间接盈利)。
2、本站所有内容均由合作方或网友上传,本站不对文档的完整性、权威性及其观点立场正确性做任何保证或承诺!文档内容仅供研究参考,付费前请自行鉴别。
3、如文档内容存在违规,或者侵犯商业秘密、侵犯著作权等,请点击“违规举报”。

碎片内容

视频安防监控系统分项工程质量验收记录表

您可能关注的文档

文泉书屋+ 关注
实名认证
内容提供者

热爱教学事业,对互联网知识分享很感兴趣

确认删除?
VIP
微信客服
  • 扫码咨询
会员Q群
  • 会员专属群点击这里加入QQ群
客服邮箱
回到顶部