电脑桌面
添加小米粒文库到电脑桌面
安装后可以在桌面快捷访问

结构软件SAP2000学习实例VIP免费

结构软件SAP2000学习实例_第1页
1/38
结构软件SAP2000学习实例_第2页
2/38
结构软件SAP2000学习实例_第3页
3/38
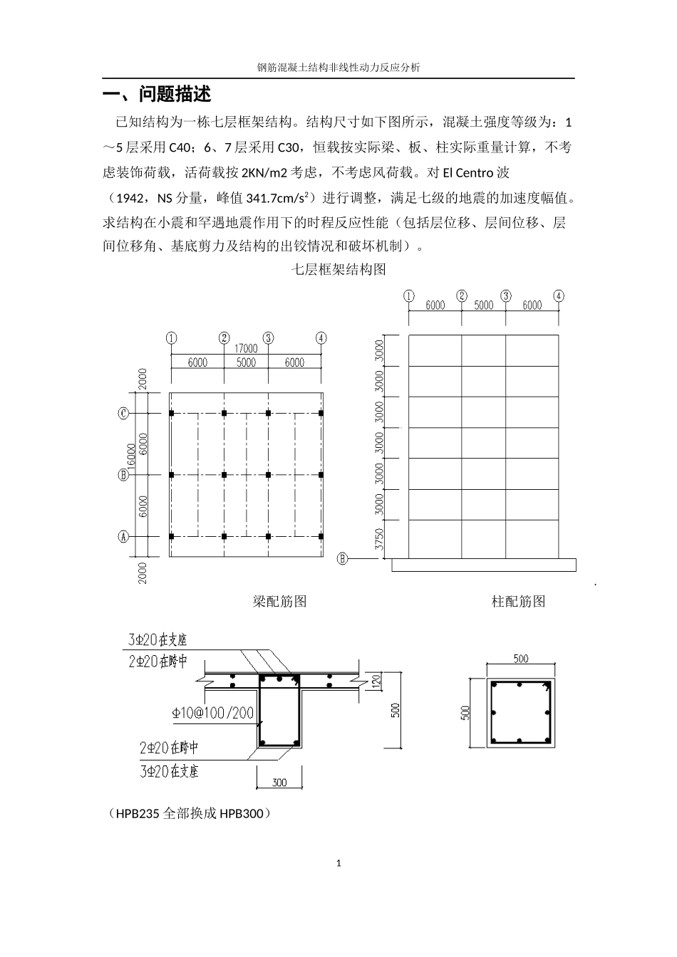
钢筋混凝土结构非线性动力反应分析一、问题描述已知结构为一栋七层框架结构。结构尺寸如下图所示,混凝土强度等级为:1~5层采用C40;6、7层采用C30,恒载按实际梁、板、柱实际重量计算,不考虑装饰荷载,活荷载按2KN/m2考虑,不考虑风荷载。对ElCentro波(1942,NS分量,峰值341.7cm/s2)进行调整,满足七级的地震的加速度幅值。求结构在小震和罕遇地震作用下的时程反应性能(包括层位移、层间位移、层间位移角、基底剪力及结构的出铰情况和破坏机制)。七层框架结构图梁配筋图柱配筋图(HPB235全部换成HPB300)1钢筋混凝土结构非线性动力反应分析二、模型建立2.1建立初步模型打开sap2000,把系统单位设置为,创建新模型,选择三维框架,在对应空格如下填写模型基本数据:勾选(使用定制轴网间距和原点定位),编辑轴网,按题目模型要求设置,并指定底层节点约束为固端。2钢筋混凝土结构非线性动力反应分析2.2定义材料选择定义—》材料—》快速添加材料,添加C30、C40混凝土和HRB335、HPB300钢筋,由于方法类似,这里只给出HRB335图片:2.3框架截面的定义、指定、剖分这里的截面包括不同尺寸,不同配筋,不同混凝土强度,不同位置的各种截面。根据一到五层的混凝土强度等级不同,边梁和主梁的楼板加强作用不同,主梁和次梁的截面尺寸不同,总共可以划分为以下八种不同截面:(1)一到五层的中间主梁(B-300X500-D-C)(2)六到七层的中间主梁(B-300X500-G-C)(3)一到五层的中间次梁(B-300X450-D-C)(4)六到七层的中间次梁(B-300X450-G-C)(5)一到五层的边次梁(B-300X450-D-S)(6)六到七层的边次梁(B-300X450-G-S)(7)一到五层的柱子(C-D)(8)六到七层的柱子(C-G)例如:选择定义—》截面属性—》框架属性—》添加新属性—》concrete—》矩形:把截面名称改为B-300X500-D-C:3钢筋混凝土结构非线性动力反应分析选择属性修正,把中梁的绕3轴惯性矩修正为2:选择配筋混凝土,给梁配上钢筋:同样的方法设置好柱的截面和配筋:4钢筋混凝土结构非线性动力反应分析定义好框架截面属性后把各个截面类型指定给其对应的构件,并指定自动剖分。2.4楼板的定义、绘制、剖分由于楼板的跨度相对比较大,板厚为120mm,剪切作用不是很明显,这里选用薄壳模型。选择定义—》截面属性—》面截面—》shell:5钢筋混凝土结构非线性动力反应分析点击快速绘制面单元按钮出现如下图框,选择正确的截面画在对应的楼层:三维视图中全部选中,编辑—》编辑面—》分割面—》基于面周边上点分割面:三维视图中全部选中,指定—》面—》自动面网格剖分—》按数目剖分:6钢筋混凝土结构非线性动力反应分析2.5指定节点束缚、线单元插入点三维视图中全部选中,指定—》节点—》束缚—》Diaphragm—》添加新束缚:对已有模型构件指定插入点,实现了构件的偏心,构件的几何位置并不改变,模型中的节点位置并没有改变,而力的传递作用位置发生了变化。SAP2000中默认的插入点的偏移值为零,而且结构的方位基准点在楼层高程处,故为了保证梁的表面与楼层高程平齐,框架梁的控制点要改为8TopCenter。选择—》属性—》框架截面,选中所有梁截面:指定—》框架—》插入点:7钢筋混凝土结构非线性动力反应分析得到模型如下:2.6指定线对象的刚域刚域系数表示指定了端部偏移的刚域部分,在弯曲和剪切变形时刚域程度。在刚域系数一栏可输入0到1之间的一个系数,表示刚域的刚性程度从完全柔性到完全刚性。完全柔性表示刚域的弯曲和剪切刚度由线性单元的实际刚度确定;完全刚性即刚域内部没有弯曲和剪切变形。这里取为0.7。三维图中全部选中,指定—》框架—》端部长度偏移:2.7定义荷载模式这里定义两种荷载模式DEAD和LIVE。自重系数表示软件将自动计算结构中所有构件的的自重,将自重乘以这个自重系数施加在结构上。8钢筋混凝土结构非线性动力反应分析定义—》荷载模式:2.8对结构施加荷载填充墙厚度200mm,加气混凝土填充墙重度取7.5KN/m3,主梁上高度2.5m,次梁上高度2.55m。计算主梁下的填充墙的线荷载:计算次梁下的填充墙的线荷载:依次选择次梁和主梁,指定—》框架荷载—》分布:9钢筋混凝土结构非线...

1、当您付费下载文档后,您只拥有了使用权限,并不意味着购买了版权,文档只能用于自身使用,不得用于其他商业用途(如 [转卖]进行直接盈利或[编辑后售卖]进行间接盈利)。
2、本站所有内容均由合作方或网友上传,本站不对文档的完整性、权威性及其观点立场正确性做任何保证或承诺!文档内容仅供研究参考,付费前请自行鉴别。
3、如文档内容存在违规,或者侵犯商业秘密、侵犯著作权等,请点击“违规举报”。

碎片内容

结构软件SAP2000学习实例

确认删除?
VIP
微信客服
  • 扫码咨询
会员Q群
  • 会员专属群点击这里加入QQ群
客服邮箱
回到顶部