电脑桌面
添加小米粒文库到电脑桌面
安装后可以在桌面快捷访问

箱梁预制质量标准手册VIP免费

箱梁预制质量标准手册_第1页
1/8
箱梁预制质量标准手册_第2页
2/8
箱梁预制质量标准手册_第3页
3/8
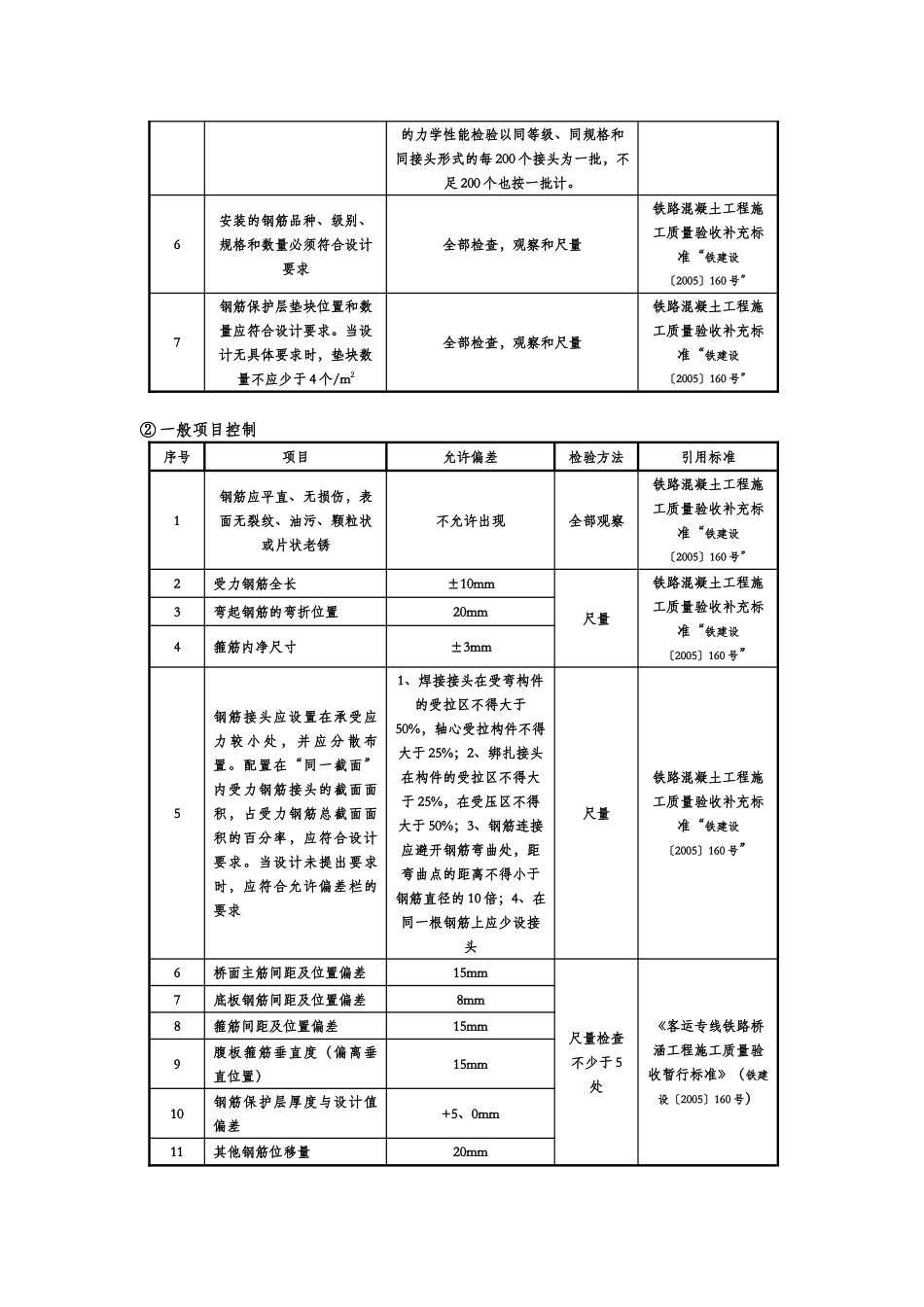
箱梁预制施工质量标准手册一、编制依据《铁路混凝土工程施工质量验收补充标准》(铁建设〔2005〕160号)《客运专线铁路桥涵工程施工质量验收暂行标准》(铁建设〔2005〕160号)《客运专线预应力混凝土预制梁暂行技术条件》(铁科技〔2004〕120号)二、使用范围适用于中交二航局西宝铁路客运专线第一项目经理部37孔24m、607孔32m箱梁预制及孔非标准梁的预制。三、箱梁预制质量标准1、模板及支架工序①主控项目序号项目检验方法、数量引用标准1模板及支架的材料质量及结构必须符合施工工艺设计要求观察和测量全部《铁路混凝土工程施工质量验收补充标准》(铁建设〔2005〕160号)2模板安装必须稳固牢靠,接缝严密,不得漏浆;模板与混凝土的接触面必须清理干净并涂刷隔离剂;混凝土浇筑前,模型内的积水和杂物应清理干净全部进行观察《铁路混凝土工程施工质量验收补充标准》(铁建设〔2005〕160号)3拆模时的梁体混凝土强度应符合设计要求。当设计无具体规定时,混凝土强度应达到设计强度的60%及以上,且能保证棱角完整拆模前进行一组同条件养护试件强度试验,全部检查《客运专线铁路桥涵工程施工质量验收暂行标准》(铁建设〔2005〕160号)4拆模时梁体混凝土芯部与表层、箱内与箱外、表层与环境温度之差均不得大于15℃;气温急剧变化时不宜拆模使用温度计全部测量《客运专线铁路桥涵工程施工质量验收暂行标准》(铁建设〔2005〕160号)②一般项目序号项目允许偏差检验方法引用标准1侧、底模板全长±10mm尺量检查各不少于3处《客运专线铁路桥涵工程施工质量验收暂行标准》(铁建设〔2005〕160号)2底模板宽+5mm、0尺量检查不少于5处3底模板中心线与设计位置偏差2mm尺量检查不少于5处4桥面板中心线与设计位置偏差10mm尺量检查不少于5处5腹板中心线位置偏差10mm尺量检查6隔板中心线位置偏差5mm7模板垂直度每米高度3吊线尺量检查不少于5处8侧、底模板平整度每米长度21m靠尺和塞尺检查各不少于5处《客运专线铁路桥涵工程施工质量验收暂行标准》(铁建设〔2005〕160号)9桥面板宽度±10mm尺量检查不少于5处10腹板厚度+10mm、011底板厚度+10mm、012顶板厚度+10mm、013隔板厚度+10、-5mm14端模板预留预应力孔道偏离设计位置3mm尺量检查《客运专线铁路桥涵工程施工质量验收暂行标准》(铁建设〔2005〕160号)2、钢筋制安工序①主控项目序号项目检验方法、数量引用标准1钢筋进场,必须对其质量指标进行全面检查并按批抽取试件做屈服强度、抗拉强度、伸长率和冷弯试验以同牌号、同炉罐号、同规格、同交货状态的钢筋,每60t为一批,不足60t也按一批计。每批抽检一次。全部检查质量证明文件并按批进行抽样。铁路混凝土工程施工质量验收补充标准“铁建设〔2005〕160号”2钢筋保护层垫块材质应符合设计要求或垫块抗压强度不应低于结构本体混凝土设计强度按规定数量制作试件进行试验铁路混凝土工程施工质量验收补充标准“铁建设〔2005〕160号”3钢筋的加工应符合设计要求按钢筋编号各抽检10%,且各不少于3件,尺量。铁路混凝土工程施工质量验收补充标准“铁建设〔2005〕160号”4纵向受力钢筋的连接方式必须符合设计要求全部目测铁路混凝土工程施工质量验收补充标准“铁建设〔2005〕160号”5钢筋接头的技术要求和外观质量应符合“铁建设〔2005〕160号铁路混凝土工程施工质量验收补充标准”附录B的要求钢筋接头的外观质量,全部目测检查,焊接接头的力学性能检验以同级别、同规格、同接头形式和同一焊工完成的每200个接头为一批,不足200个也按一批计;冷挤压套筒连接接头铁路混凝土工程施工质量验收补充标准“铁建设〔2005〕160号”的力学性能检验以同等级、同规格和同接头形式的每200个接头为一批,不足200个也按一批计。6安装的钢筋品种、级别、规格和数量必须符合设计要求全部检查,观察和尺量铁路混凝土工程施工质量验收补充标准“铁建设〔2005〕160号”7钢筋保护层垫块位置和数量应符合设计要求。当设计无具体要求时,垫块数量不应少于4个/m2全部检查,观察和尺量铁路混凝土工程施工质量验收补充标准“铁建设〔2005〕160号”②一般项目控制序号项目允许偏差检验方法引用标准1钢筋应平直、无损伤,...

1、当您付费下载文档后,您只拥有了使用权限,并不意味着购买了版权,文档只能用于自身使用,不得用于其他商业用途(如 [转卖]进行直接盈利或[编辑后售卖]进行间接盈利)。
2、本站所有内容均由合作方或网友上传,本站不对文档的完整性、权威性及其观点立场正确性做任何保证或承诺!文档内容仅供研究参考,付费前请自行鉴别。
3、如文档内容存在违规,或者侵犯商业秘密、侵犯著作权等,请点击“违规举报”。

碎片内容

箱梁预制质量标准手册

您可能关注的文档

确认删除?
VIP
微信客服
  • 扫码咨询
会员Q群
  • 会员专属群点击这里加入QQ群
客服邮箱
回到顶部