电脑桌面
添加小米粒文库到电脑桌面
安装后可以在桌面快捷访问

变频恒压供水系统VIP免费

变频恒压供水系统_第1页
1/9
变频恒压供水系统_第2页
2/9
变频恒压供水系统_第3页
3/9
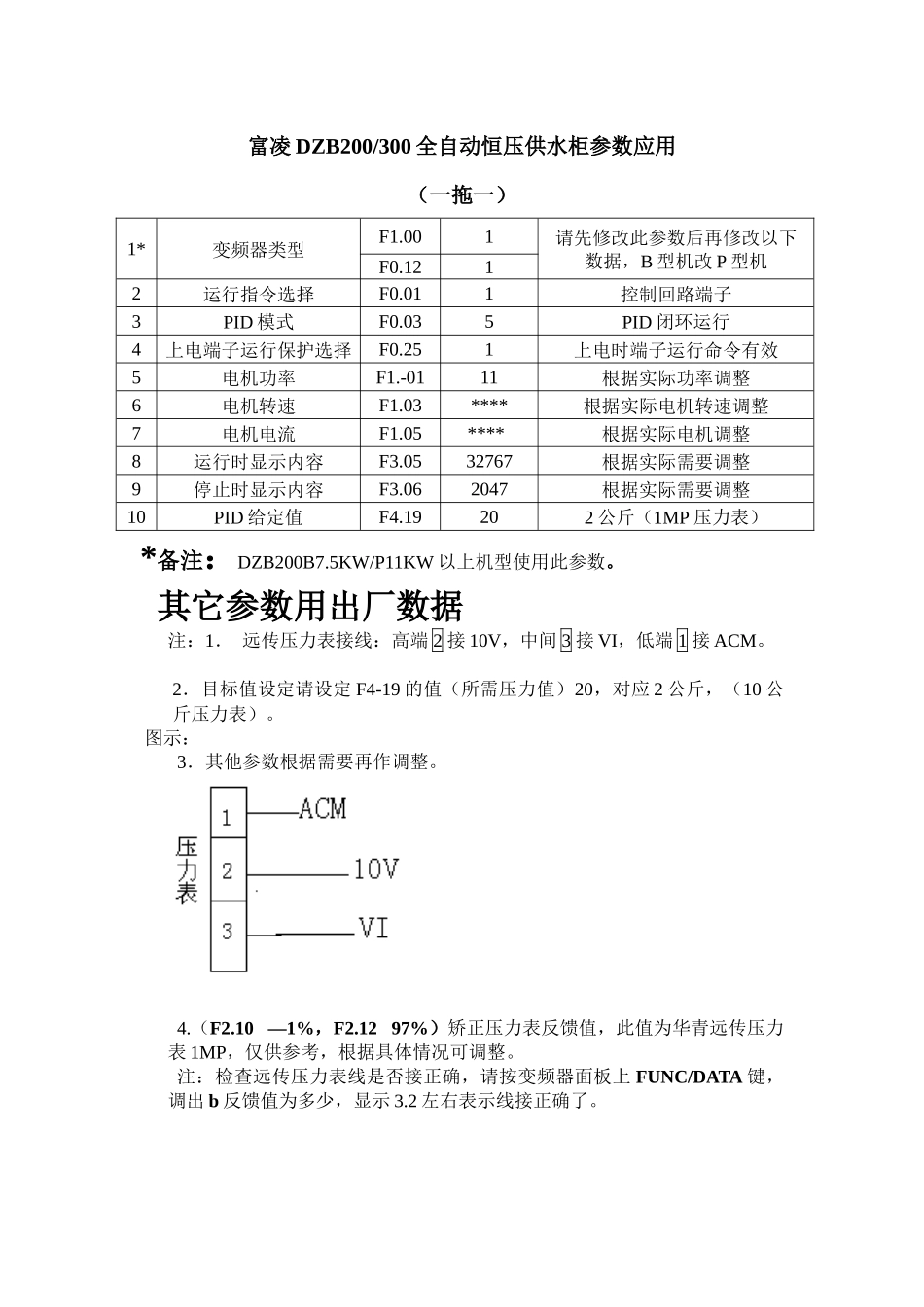
变频恒压供水系统变频恒压供水系统保证供水的不间断,是替代水塔、水池、压力罐等二次供水设备。自动化程度高,具有手动、自动控制功能。水厂/加压泵房单台或多台变频控制。动态响应快、稳定性及可靠性高,降低电损耗节能效果明显。操作简便,维护方便。*利用水压、流量、水位等调节控制,实现恒压控制降低能耗,保证供水。*系统可显示设定压力值及实际压力值,并可根据使用要求随时修正。*可以对供水设备进行多方位的保护,对缺相、欠压超压、过流、过载、过热等均保护。*启动电流小,延长供电设备和负载寿命。*可以与无线系统结合,将远程水位、压力、流量等数据,用于变频调速控制,保证供水质量。变频柜的起停操作变频启动:启动前确认电机线接在变频器出线端子上(U、V、W)。一:先旋转配电柜门上的电压表旋钮,看三相之间电压是否平衡。然后合上空开,变频柜门上电源指示灯亮(红),此时变频器的面板屏幕上显示“H50.00”,并听到制冷风扇的声音(以上如有任何一项不符不准启动)。二:关上配电柜门,把旋钮开关拨到“自动”档,然后按下启动按钮。此时配电柜门上变频启动灯亮(绿灯),变频器输出频率P数字开始上升,并伴有变频器输出的声音,20秒左右后开始出水。变频停止:一:按下配电柜上的变频停止按钮,然后把旋转开关打到中间档。二:当看到变频器面板显示“H50.00”后再拉下空开。三:再次确认是否断电,然后锁上配电柜门。工频启动:在断开空开时把电机线接到热继电器下口。一:合上空开。二:关上配电柜门,观察电源指示灯是否亮(红)。三:把旋转按钮打到手动档,然后按下工频启动按钮(此时工频运转指示灯亮)。工频停止:一:按下工频停止按钮(此时工频运转指示灯灭),然后将旋转按钮打到中间档。二:打开配电柜门拉下空开,并再次确认是否断电,然后锁上配电柜门。注意:在变频启动完好的情况下禁止使用工频启动。配线安全注意事项:1)输入电源R、S、T。2)变频器输出恻U、V、W为接电机。3)接地端子E。富凌DZB200/300全自动恒压供水柜参数应用(一拖一)1*变频器类型F1.001请先修改此参数后再修改以下数据,B型机改P型机F0.1212运行指令选择F0.011控制回路端子3PID模式F0.035PID闭环运行4上电端子运行保护选择F0.251上电时端子运行命令有效5电机功率F1.-0111根据实际功率调整6电机转速F1.03****根据实际电机转速调整7电机电流F1.05****根据实际电机调整8运行时显示内容F3.0532767根据实际需要调整9停止时显示内容F3.062047根据实际需要调整10PID给定值F4.19202公斤(1MP压力表)*备注:DZB200B7.5KW/P11KW以上机型使用此参数。其它参数用出厂数据注:1.远传压力表接线:高端2接10V,中间3接VI,低端1接ACM。2.目标值设定请设定F4-19的值(所需压力值)20,对应2公斤,(10公斤压力表)。图示:3.其他参数根据需要再作调整。4.(F2.10—1%,F2.1297%)矫正压力表反馈值,此值为华青远传压力表1MP,仅供参考,根据具体情况可调整。注:检查远传压力表线是否接正确,请按变频器面板上FUNC/DATA键,调出b反馈值为多少,显示3.2左右表示线接正确了。富凌DZB200/300全自动恒压供水柜参数应用(一拖一)休眠功能例如:F4.19给定压力为30(3公斤压力)1*允许启动压力F7.20252.5公斤压力2*睡眠检测频率F7.213030HZ3睡眠检测延时F7.221.01秒4*苏醒压力F7.23252.5公斤压力5苏醒检测延时F7.241.01秒备注:1*、4*、根据现场要求可以调整。2*、睡眠频率可以根据现场工况调整,30HZ为经验值。变频器常见故障的排除在变频器的使用过程中经常会出现变频器报故障现象,为了不影响生产就简单的排除故障的方法做以下介绍以供参考:E001:报此故障时首先了解是否在变频器未完全停止输出时断电,如果是,此时只需按下变频器面板上的STOP键即可;如果还不能解决,请检查输入电压是否在规定范围之内,不在,请将输入电压调整到规定范围之内。如果以上方法都不能排除请及时与我方联系。E004/E006:检查变频器输出回路是否有短路现象,如果有短路现象,请及时排除;是否启动正在旋转的电机,是,等电机停止旋转后再启动。如果不是,请调出参数F0.08并适当加大参数数值;如果还不...

1、当您付费下载文档后,您只拥有了使用权限,并不意味着购买了版权,文档只能用于自身使用,不得用于其他商业用途(如 [转卖]进行直接盈利或[编辑后售卖]进行间接盈利)。
2、本站所有内容均由合作方或网友上传,本站不对文档的完整性、权威性及其观点立场正确性做任何保证或承诺!文档内容仅供研究参考,付费前请自行鉴别。
3、如文档内容存在违规,或者侵犯商业秘密、侵犯著作权等,请点击“违规举报”。

碎片内容

变频恒压供水系统

教育教学文库+ 关注
实名认证
内容提供者

本店有大量的教育教学资料,课件

确认删除?
VIP
微信客服
  • 扫码咨询
会员Q群
  • 会员专属群点击这里加入QQ群
客服邮箱
回到顶部