电脑桌面
添加小米粒文库到电脑桌面
安装后可以在桌面快捷访问

现浇结构模板安装检验批质量验收记录VIP免费

现浇结构模板安装检验批质量验收记录_第1页
1/35
现浇结构模板安装检验批质量验收记录_第2页
2/35
现浇结构模板安装检验批质量验收记录_第3页
3/35
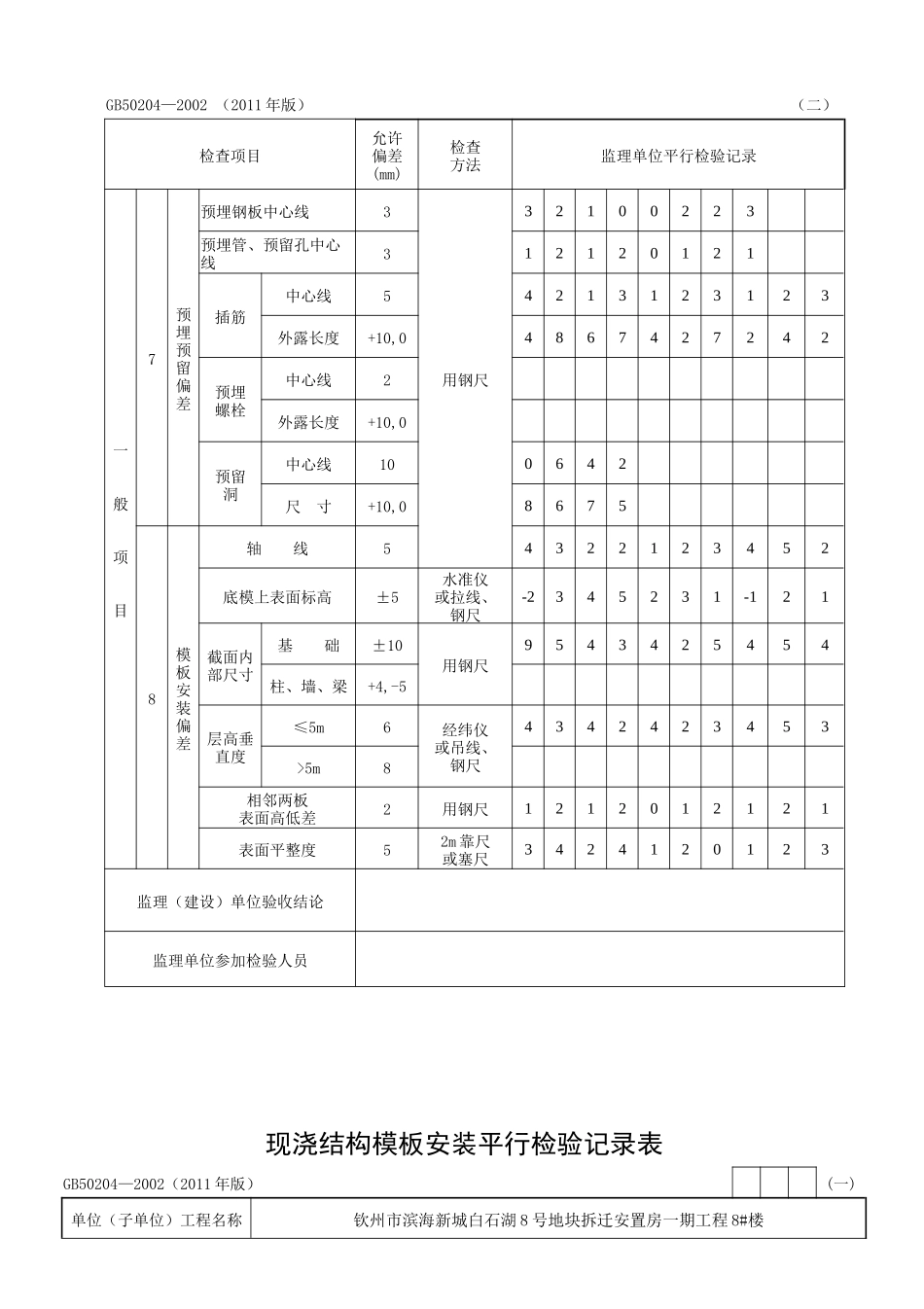
现浇结构模板安装平行检验记录表GB50204—2002(2011年版)(一)单位(子单位)工程名称钦州市滨海新城白石湖8号地块拆迁安置房一期工程8#楼分部(子分部)工程名称地基与基础验收部位基础、承台梁监理单位广西恒基建设工程咨询有限公司项目总监周宏进检查项目质量验收规范的规定监理(建设)单位验收记录主控项目1模板和支架的安装下层模板能承受上层荷载,上、下层支架立柱对准,并设垫板√2隔离剂的涂刷不得沾污钢筋和砼接槎一般项目1模板接缝、淋木模板、清杂物不应漏浆、湿润无积水、无杂物√2与砼的接触面清理干净并涂刷隔离剂,隔离剂不得影响结构性能和装饰施工3清水砼、装饰工程模板能达到设计效果/4用地坪作模板、胎模无下沉、不开裂、无起砂起鼓/5梁、板模起拱高度(L≥4m)1‰~3‰或按设计要求√6预埋件、预留孔洞无遗漏、牢固√注:本表所列项目的检查方法和检查数量:1.主控项目、一般项目第1~4项:用观察方法,全数检查。2.第5项:用水准仪或拉线,钢尺检查。在同一检验批内,对梁抽查10%并不少于3件。对板抽查有代表性自然间的10%并不少于3间,如为大空间,可按纵、横轴线划分检查面,抽查10%并不少于3面。3.第6项:以观察方法全数检查有无遗漏。现浇结构模板安装平行检验记录表GB50204—2002(2011年版)(一)单位(子单位)工程名称钦州市滨海新城白石湖8号地块拆迁安置房一期工程8#楼GB50204—2002(2011年版)(二)检查项目允许偏差(mm)检查方法监理单位平行检验记录一般项目7预埋预留偏差预埋钢板中心线3用钢尺32100223预埋管、预留孔中心线312120121插筋中心线54213123123外露长度+10,04867427242预埋螺栓中心线2外露长度+10,0预留洞中心线100642尺寸+10,086758模板安装偏差轴线54322123452底模上表面标高±5水准仪或拉线、钢尺-2345231-121截面内部尺寸基础±10用钢尺9543425454柱、墙、梁+4,-5层高垂直度≤5m6经纬仪或吊线、钢尺4342423453>5m8相邻两板表面高低差2用钢尺1212012121表面平整度52m靠尺或塞尺3424120123监理(建设)单位验收结论监理单位参加检验人员分部(子分部)工程名称主体结构验收部位一层柱监理单位广西恒基建设工程咨询有限公司项目总监周宏进检查项目质量验收规范的规定监理(建设)单位验收记录主控项目1模板和支架的安装下层模板能承受上层荷载,上、下层支架立柱对准,并设垫板√2隔离剂的涂刷不得沾污钢筋和砼接槎一般项目1模板接缝、淋木模板、清杂物不应漏浆、湿润无积水、无杂物√2与砼的接触面清理干净并涂刷隔离剂,隔离剂不得影响结构性能和装饰施工3清水砼、装饰工程模板能达到设计效果/4用地坪作模板、胎模无下沉、不开裂、无起砂起鼓/5梁、板模起拱高度(L≥4m)1‰~3‰或按设计要求/6预埋件、预留孔洞无遗漏、牢固√注:本表所列项目的检查方法和检查数量:1.主控项目、一般项目第1~4项:用观察方法,全数检查。2.第5项:用水准仪或拉线,钢尺检查。在同一检验批内,对梁抽查10%并不少于3件。对板抽查有代表性自然间的10%并不少于3间,如为大空间,可按纵、横轴线划分检查面,抽查10%并不少于3面。3.第6项:以观察方法全数检查有无遗漏。GB50204—2002(2011年版)(二)检查项目允许偏差(mm)检查方法监理单位平行检验记录7预埋钢板中心线3用钢尺现浇结构模板安装平行检验记录表GB50204—2002(2011年版)(一)单位(子单位)工程名称钦州市滨海新城白石湖8号地块拆迁安置房一期工程8#楼分部(子分部)工程名称主体结构验收部位二层柱监理单位广西恒基建设工程咨询有限公司项目总监周宏进检查项目质量验收规范的规定监理(建设)单位验收记录一般项目预埋预留偏差预埋管、预留孔中心线32131242插筋中心线53214242334外露长度+10,07675421424预埋螺栓中心线2外露长度+10,0预留洞中心线10564272尺寸+10,06342838模板安装偏差轴线54322123452底模上表面标高±5水准仪或拉线、钢尺截面内部尺寸基础±10用钢尺柱、墙、梁+4,-5层高垂直度≤5m6经纬仪或吊线、钢尺4342423453>5m85644284642相邻两板表面高低差2用钢尺表面平整度52m靠尺或塞尺监理(建设)单位验收结论主控项目全部合格,一般项目满足规范要求,本平行检验合...

1、当您付费下载文档后,您只拥有了使用权限,并不意味着购买了版权,文档只能用于自身使用,不得用于其他商业用途(如 [转卖]进行直接盈利或[编辑后售卖]进行间接盈利)。
2、本站所有内容均由合作方或网友上传,本站不对文档的完整性、权威性及其观点立场正确性做任何保证或承诺!文档内容仅供研究参考,付费前请自行鉴别。
3、如文档内容存在违规,或者侵犯商业秘密、侵犯著作权等,请点击“违规举报”。

碎片内容

现浇结构模板安装检验批质量验收记录

文泉书屋+ 关注
实名认证
内容提供者

热爱教学事业,对互联网知识分享很感兴趣

确认删除?
VIP
微信客服
  • 扫码咨询
会员Q群
  • 会员专属群点击这里加入QQ群
客服邮箱
回到顶部