电脑桌面
添加小米粒文库到电脑桌面
安装后可以在桌面快捷访问

XLS800系统设计概述VIP免费

XLS800系统设计概述_第1页
1/15
XLS800系统设计概述_第2页
2/15
XLS800系统设计概述_第3页
3/15
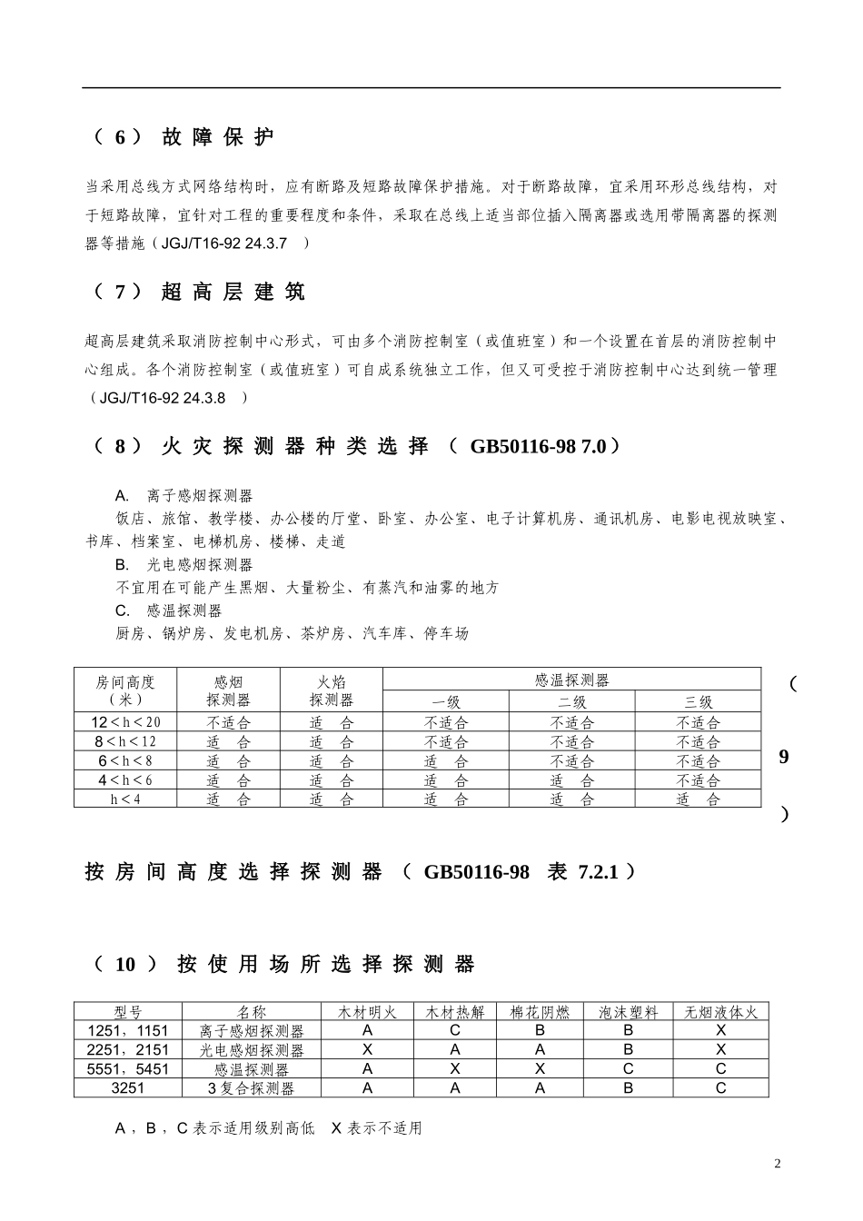
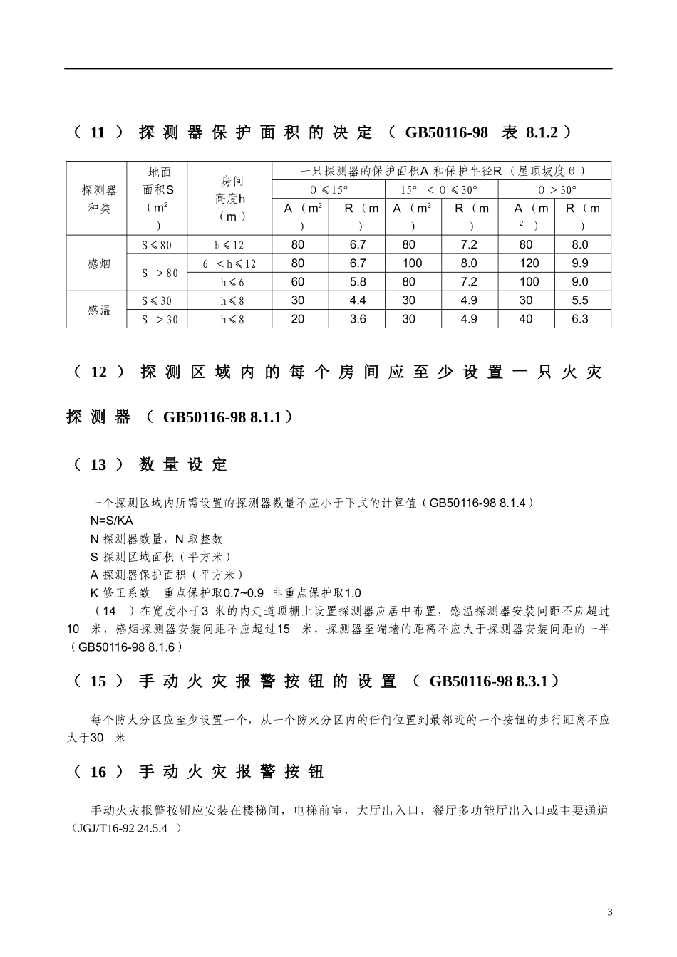
XLS800系统设计主要设计依据中国国家标准GB50116-98火灾自动报警系统设计规范中国行业标准JGJ/T16-92民用建筑电气设计规范主要设计要求(1)4种保护对象(JGJ/T16-9224.2.1)特级全面保护高度超过100米的建筑物所有建筑面积(超过5m2)均应设置火灾探测器及自动喷水灭火装置一级总体保护一类建筑主要场所和部位装设火灾探测器二级区域保护二类建筑及低层一类建筑主要区域装设火灾探测器普通场所保护低层二类建筑局部位置装设火电厂灾探测器作为重点保护(2)选用由微机构成的报警控制器选用由微机构成的报警控制器时,宜采用总线方式的网络结构(JGJ/T16-9224.3.4.2)(3)控制模式有条件时,报警和消防联动控制皆通过总线的方式,部分就地控制,大部分是由消防中心输出联动控制程序(直线控制)(JGJ/T16-9224.3.4.3)(4)声光显示装置每层主要楼梯口明显部位,装设识别火灾层的声光显示装置(楼层复示器)(JGJ/T16-9224.3.4.5)(5)系统集成宜通过建筑物自动化系统BAS,或作为一个子系统,实现报警、自动灭火的各项功能(JGJ/T16-9224.3.6.3)1(6)故障保护当采用总线方式网络结构时,应有断路及短路故障保护措施。对于断路故障,宜采用环形总线结构,对于短路故障,宜针对工程的重要程度和条件,采取在总线上适当部位插入隔离器或选用带隔离器的探测器等措施(JGJ/T16-9224.3.7)(7)超高层建筑超高层建筑采取消防控制中心形式,可由多个消防控制室(或值班室)和一个设置在首层的消防控制中心组成。各个消防控制室(或值班室)可自成系统独立工作,但又可受控于消防控制中心达到统一管理(JGJ/T16-9224.3.8)(8)火灾探测器种类选择(GB50116-987.0)A.离子感烟探测器饭店、旅馆、教学楼、办公楼的厅堂、卧室、办公室、电子计算机房、通讯机房、电影电视放映室、书库、档案室、电梯机房、楼梯、走道B.光电感烟探测器不宜用在可能产生黑烟、大量粉尘、有蒸汽和油雾的地方C.感温探测器厨房、锅炉房、发电机房、茶炉房、汽车库、停车场(9)按房间高度选择探测器(GB50116-98表7.2.1)(10)按使用场所选择探测器A,B,C表示适用级别高低X表示不适用房间高度(米)感烟探测器火焰探测器感温探测器一级二级三级12<h<20不适合适合不适合不适合不适合8<h<12适合适合不适合不适合不适合6<h<8适合适合适合不适合不适合4<h<6适合适合适合适合不适合h<4适合适合适合适合适合型号名称木材明火木材热解棉花阴燃泡沫塑料无烟液体火1251,1151离子感烟探测器ACBBX2251,2151光电感烟探测器XAABX5551,5451感温探测器AXXCC32513复合探测器AAABC2(11)探测器保护面积的决定(GB50116-98表8.1.2)探测器种类地面面积S(m2)房间高度h(m)一只探测器的保护面积A和保护半径R(屋顶坡度θ)θ≤15°15°<θ≤30°θ>30°A(m2)R(m)A(m2)R(m)A(m2)R(m)感烟S≤80h≤12806.7807.2808.0S>806<h≤12806.71008.01209.9h≤6605.8807.21009.0感温S≤30h≤8304.4304.9305.5S>30h≤8203.6304.9406.3(12)探测区域内的每个房间应至少设置一只火灾探测器(GB50116-988.1.1)(13)数量设定一个探测区域内所需设置的探测器数量不应小于下式的计算值(GB50116-988.1.4)N=S/KAN探测器数量,N取整数S探测区域面积(平方米)A探测器保护面积(平方米)K修正系数重点保护取0.7~0.9非重点保护取1.0(14)在宽度小于3米的内走道顶棚上设置探测器应居中布置,感温探测器安装间距不应超过10米,感烟探测器安装间距不应超过15米,探测器至端墙的距离不应大于探测器安装间距的一半(GB50116-988.1.6)(15)手动火灾报警按钮的设置(GB50116-988.3.1)每个防火分区应至少设置一个,从一个防火分区内的任何位置到最邻近的一个按钮的步行距离不应大于30米(16)手动火灾报警按钮手动火灾报警按钮应安装在楼梯间,电梯前室,大厅出入口,餐厅多功能厅出入口或主要通道(JGJ/T16-9224.5.4)3(17)消防联动控制应包括以下内容(JGJ/T16-9224.6.1)A.水灭火设施B.防排烟设施C.防火卷帘、防火门、水幕D.电梯E.非消防电源断电控制(18)消防控制设备的功能(GB50116-986.3)A.控制室对...

1、当您付费下载文档后,您只拥有了使用权限,并不意味着购买了版权,文档只能用于自身使用,不得用于其他商业用途(如 [转卖]进行直接盈利或[编辑后售卖]进行间接盈利)。
2、本站所有内容均由合作方或网友上传,本站不对文档的完整性、权威性及其观点立场正确性做任何保证或承诺!文档内容仅供研究参考,付费前请自行鉴别。
3、如文档内容存在违规,或者侵犯商业秘密、侵犯著作权等,请点击“违规举报”。

碎片内容

XLS800系统设计概述

您可能关注的文档

确认删除?
VIP
微信客服
  • 扫码咨询
会员Q群
  • 会员专属群点击这里加入QQ群
客服邮箱
回到顶部