电脑桌面
添加小米粒文库到电脑桌面
安装后可以在桌面快捷访问

燃气工程质量保证资料统一用表VIP免费

燃气工程质量保证资料统一用表_第1页
1/42
燃气工程质量保证资料统一用表_第2页
2/42
燃气工程质量保证资料统一用表_第3页
3/42
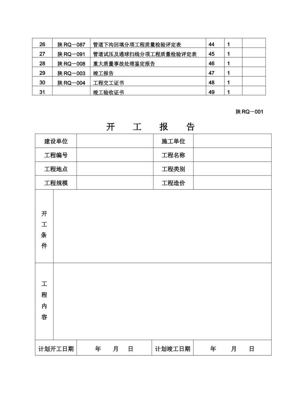
燃气工程质量保证资料统一用表工程名称:编制人:核人:技术负责人:单位负责人:编制单位:延安市深源防腐保温股份合作公司编制日期:年月日至年月日延安市天然气公司交工资料目录工程名称工程编号序号标号资料名称页数张数备注1封面12卷内目录113陕RQ-001开工报告214陕RQ-013施工技术及安全交底记录315陕RQ-017合格证汇总表496陕RQ-018合格证粘贴单1327陕RQ-023管沟开挖及回填检查记录1518陕RQ-024管沟复测记录1619陕RQ-027合格焊工登记表17210陕RQ-033焊缝排列检测管段图19211陕RQ-034无损检测之口联络单21112陕RQ-035焊口射线探伤综合报告22313陕RQ-039焊缝表面质量检验记录25414陕RQ-047管道下沟前防腐检漏及补伤记录29115陕RQ-048管道防腐现场补口施工记录30116陕RQ-054管道工程隐蔽检验记录31117陕RQ-070调压装置检查记录32118陕RQ-071设备管道吹(洗)扫记录33219陕RQ-072管线试压检验记录35220陕RQ-073管道气密性试验记录37221陕RQ-080分部工程质量验收综合评定表39122陕RQ-081管沟开挖分项工程质量检验评定表40123陕RQ-082管道组对分项工程质量检验评定表41124陕RQ-083管道焊接分项工程质量检验评定表42125陕RQ-086环氧煤沥青防腐钢管补口分项工程质量检验评定431陕RQ-001开工报告建设单位施工单位工程编号工程名称工程地点工程类别工程规模工程造价开工条件工程内容计划开工日期年月日计划竣工日期年月日26陕RQ-087管道下沟回填分项工程质量检验评定表44127陕RQ-091管道试压及通球扫线分项工程质量检验评定表45128陕RQ-008重大质量事故处理鉴定报告46129陕RQ-003竣工报告47130陕RQ-004工程交工证书48131竣工验收证书491施工单位:(公章)负责人:年月日建设单位:(公章)负责人:年月日监理单位:(公章)总监理工程师:年月日陕RQ-013施工技术及安全交底记录工程名称组织交底技术负责人年月日参加交底人员交底内容:安全交底:交底人签字陕RQ-014施工组织设计(施工方案)审批表编制日期:2010年9月25日工程名称延安市枣园盛唐王朝燃气管道工程施工单位延安市深源防腐保温股份合作公司编制部门/编制人/项目部审查意见责任部门责任人职务(职称)审查意见进度管理何德林项目经理质量管理赵延东技术负责人安全管理文明施工施工单位主管部门审核意见年月日审批意见施工单位技术负责人:施工单位(公章)年月日审定意见项目总监理工程师:(签名)年月日建设项目代表:(签名)年月日陕RQ-017合格证汇总表工程名称施工单位序号设备或材料名称规格型号数量生产厂名出厂日期及批号合格证或检验记录进场日期安装部位技术负责人:制表人:年月日监理工程师:年月日陕RQ-018合格证粘贴单陕RQ-018合格证粘贴单陕RQ-023管沟开挖及回填检查记录单位工程名称管沟位置管管沟情况管沟深度管沟宽度要求宽度实挖宽度平整度中心偏移(m)实长(m)设计深度(m)实挖深度(m)上口宽度(m)沟底宽度(m)上口宽度(m)沟底宽度(m)沟开挖结论二次回填情况地貌恢复情况其他情况陕RQ-024管沟复测记录单位工程名称桩号设计挖深(m)地面高程(m)沟底高程(m)挖深比差(±m)沟底长度(m)水平长度(m)纵向角(±°’)水平角(°’)备注结论施工单位(盖章):检验人:年月日建设单位(盖章):现场代表:年月日监理单位(盖章):监理工程师:年月日陕RQ-027合格焊工登记表工程名称填表日期年月日施焊钢种焊接方法焊接位置序号姓名性别合格证号焊工钢印合格项目代号资格有效期1年月日2年月日3年月日4年月日5年月日6年月日7年月日8年月日9年月日10年月日11年月日12年月日13年月日说明后附焊工证书复印件施工单位:(公章)审核人:制表人:年月日监理单位:(公章)监理工程师:年月日陕RQ-036延安市燃气总公司焊缝排列检测管段图工程名称工程编号/建设单位:监理单位:施工单位:现场代表:现场代表:现场代表:2010年月日2010年月日2010年月日陕RQ-039焊缝表面质量检查记录工程名称工程编号焊缝编号焊工代号缺陷记录修复情况探伤条件结论裂纹气孔凹陷飞溅错边量焊宽余高咬边返修方法最宽最窄最高最低深度长度施工单位:(公章)技术负责人:年月日...

1、当您付费下载文档后,您只拥有了使用权限,并不意味着购买了版权,文档只能用于自身使用,不得用于其他商业用途(如 [转卖]进行直接盈利或[编辑后售卖]进行间接盈利)。
2、本站所有内容均由合作方或网友上传,本站不对文档的完整性、权威性及其观点立场正确性做任何保证或承诺!文档内容仅供研究参考,付费前请自行鉴别。
3、如文档内容存在违规,或者侵犯商业秘密、侵犯著作权等,请点击“违规举报”。

碎片内容

燃气工程质量保证资料统一用表

文泉书屋+ 关注
实名认证
内容提供者

热爱教学事业,对互联网知识分享很感兴趣

确认删除?
VIP
微信客服
  • 扫码咨询
会员Q群
  • 会员专属群点击这里加入QQ群
客服邮箱
回到顶部