电脑桌面
添加小米粒文库到电脑桌面
安装后可以在桌面快捷访问

水泥砂浆面层检验批施工质量验收记录VIP免费

水泥砂浆面层检验批施工质量验收记录_第1页
1/61
水泥砂浆面层检验批施工质量验收记录_第2页
2/61
水泥砂浆面层检验批施工质量验收记录_第3页
3/61
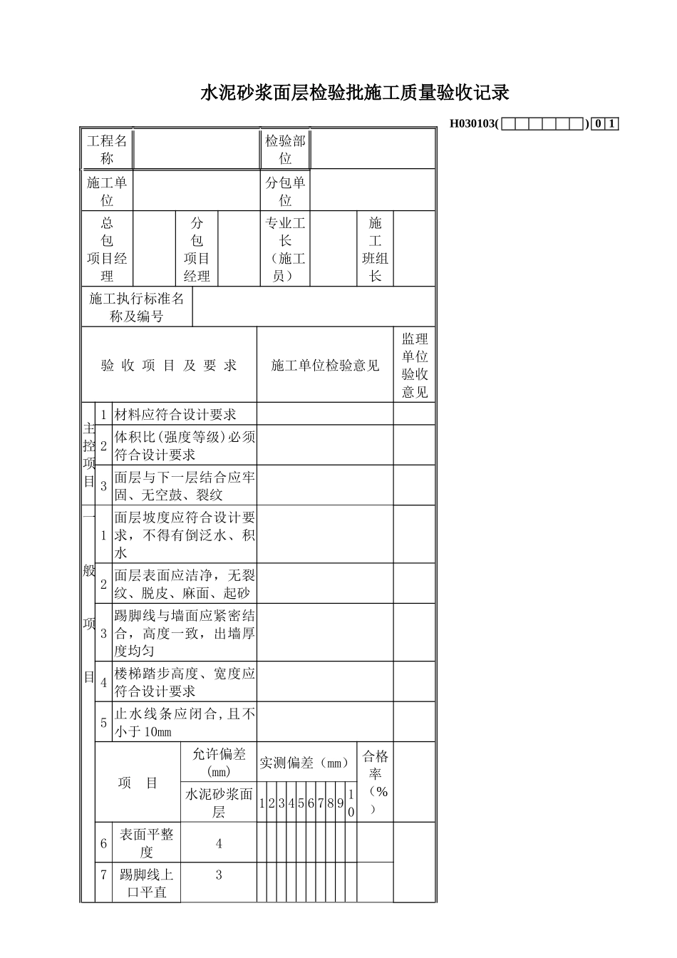
水泥砂浆面层检验批施工质量验收记录工程名称检验部位施工单位分包单位总包项目经理分包项目经理专业工长(施工员)施工班组长施工执行标准名称及编号验收项目及要求施工单位检验意见监理单位验收意见主控项目1材料应符合设计要求2体积比(强度等级)必须符合设计要求3面层与下一层结合应牢固、无空鼓、裂纹一般项目1面层坡度应符合设计要求,不得有倒泛水、积水2面层表面应洁净,无裂纹、脱皮、麻面、起砂3踢脚线与墙面应紧密结合,高度一致,出墙厚度均匀4楼梯踏步高度、宽度应符合设计要求5止水线条应闭合,且不小于10mm项目允许偏差(mm)实测偏差(mm)合格率(%)水泥砂浆面层123456789106表面平整度47踢脚线上口平直3H030103()018缝格平直3施工单位检验结果项目质量检查员:(签字盖章)年月日监理单位验收结论监理工程师:(签字盖章)年月日水泥砂浆面层检验批施工质量验收记录工程名称检验部位施工单位农垦建工有限公司第五分公司分包单位总包项目经理王念国分包项目经理专业工长(施工员)李广宏施工班组长施工执行标准名称及编号黑龙江农垦建工集团企业标准NKJGQB—01验收项目及要求施工单位检验意见监理单位验收意见主控项目1材料应符合设计要求水泥、砂二次复试报告、出厂合格证各一份,符合要求2体积比(强度等级)必须符合设计要求砂浆抗压试验报告编号为符合要求3面层与下一层结合应牢固、无空鼓、裂纹符合要求一般1面层坡度应符合设计要求,不得有倒泛水、积水符合要求2面层表面应洁净,无裂纹、脱皮、麻面、起砂符合要求H030103()02项目3踢脚线与墙面应紧密结合,高度一致,出墙厚度均匀4楼梯踏步高度、宽度应符合设计要求5止水线条应闭合,且不小于10mm项目允许偏差(mm)实测偏差(mm)合格率(%)水泥砂浆面层123456789106表面平整度432142314121007踢脚线上口平直321213122221008缝格平直33122213123100施工单位检验结果符合设计要求及黑龙江农垦建工集团企业标准的合格规定项目质量检查员:(签字盖章)年月日监理单位验收结论监理工程师:(签字盖章)年月日水泥砂浆面层检验批施工质量验收记录工程名称检验部位施工单位农垦建工有限公司第五分公司分包单位总包项目经理王念国分包项目经理专业工长(施工员)施工班组长施工执行标准名称及编号黑龙江农垦建工集团企业标准NKJGQB—01验收项目及要求施工单位检验意见监理单位验收意见主控项目1材料应符合设计要求水泥、砂二次复试报告、出厂合格证共4份,符合要求2体积比(强度等级)必须符合设计要求20厚1:2水泥砂浆,强度等级为H030103()033面层与下一层结合应牢固、无空鼓、裂纹符合要求一般项目1面层坡度应符合设计要求,不得有倒泛水、积水符合要求2面层表面应洁净,无裂纹、脱皮、麻面、起砂符合要求3踢脚线与墙面应紧密结合,高度一致,出墙厚度均匀符合要求4楼梯踏步高度、宽度应符合设计要求符合要求5止水线条应闭合,且不小于10mm符合要求项目允许偏差(mm)实测偏差(mm)合格率(%)水泥砂浆面层123456789106表面平整度422143214221007踢脚线上口平直321221311231008缝格平直32131222131100施工单位检验结果符合设计要求及黑龙江农垦建工集团企业标准的合格规定项目质量检查员:(签字盖章)年月日监理单位验收结论监理工程师:(签字盖章)年月日水泥砂浆面层检验批施工质量验收记录工程名称检验部位施工单位农垦建工有限公司第五分公司分包单位总包项目经理王念国分包项目经理专业工长(施工员)施工班组长施工执行标准名称及编号黑龙江农垦建工集团企业标准NKJGQB—01验收项目及要求施工单位检验意见监理单位验收意见H030103()04主控项目1材料应符合设计要求水泥、砂二次复试报告、出厂合格证共4份,符合要求2体积比(强度等级)必须符合设计要求20厚1:2水泥砂浆,强度等级为3面层与下一层结合应牢固、无空鼓、裂纹符合要求一般项目1面层坡度应符合设计要求,不得有倒泛水、积水符合要求2面层表面应洁净,无裂纹、脱皮、麻面、起砂符合要求3踢脚线与墙面应紧密结合,高度一致,出墙厚度均匀符合要求4楼梯踏步高度、宽度应符合设计要求符合要求5止水线条应闭合,且不小于10mm符合要求项目允许偏差(mm)实测偏差(mm)合格率...

1、当您付费下载文档后,您只拥有了使用权限,并不意味着购买了版权,文档只能用于自身使用,不得用于其他商业用途(如 [转卖]进行直接盈利或[编辑后售卖]进行间接盈利)。
2、本站所有内容均由合作方或网友上传,本站不对文档的完整性、权威性及其观点立场正确性做任何保证或承诺!文档内容仅供研究参考,付费前请自行鉴别。
3、如文档内容存在违规,或者侵犯商业秘密、侵犯著作权等,请点击“违规举报”。

碎片内容

水泥砂浆面层检验批施工质量验收记录

确认删除?
VIP
微信客服
  • 扫码咨询
会员Q群
  • 会员专属群点击这里加入QQ群
客服邮箱
回到顶部