电脑桌面
添加小米粒文库到电脑桌面
安装后可以在桌面快捷访问

桥梁工程质量验收表格全套VIP专享VIP免费

桥梁工程质量验收表格全套_第1页
1/103
桥梁工程质量验收表格全套_第2页
2/103
桥梁工程质量验收表格全套_第3页
3/103
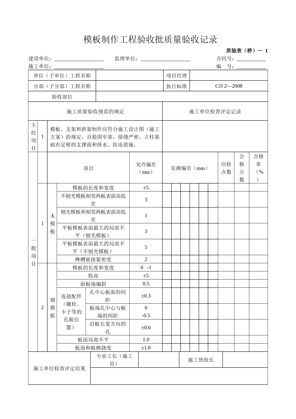
模板制作工程验收批质量验收记录质验表(桥)—1建设单位:监理单位:合同号:施工单位:编号:单位(子单位)工程名称项目经理分部(子分部)工程名称执行标准CJJ2—2008验收部位施工质量验收规范的规定施工单位检查评定记录主控项目1模板、支架和拱架制作应符合施工设计图(施工方案)的规定,且稳固牢靠,接缝严密,立柱基础有足够的支撑面和排水、防冻措施。一般项目项目允许偏差(mm)实测偏差(mm)应检点数合格点数合格率(%)1木模板模板的长度和宽度±5不刨光模板相邻两板表面高低差3刨光模板和相邻两板表面高低差1平板模板表面最大的局部不平(刨光模板)3平板模板表面最大的局部不平(不刨光模板)5榫槽嵌接紧密度22钢模板模板的长度和宽度0-1肋高±5面板端偏斜0.5连接配件(螺栓、卡子等的孔眼位置)孔中心板面的间距±0.3板端孔中心与板端的间距0-0.5沿板长宽方向的孔±0.6板面局部不平1.0板面和板侧挠度±1.0施工单位检查评定结果专业工长(施工员)施工班组长质量检查员:年月日监理单位验收结论专业监理工程师:年月日南通市建设工程质量监督站监制模板、支架和拱架安装工程验收批质量验收记录(一)质验表(桥)—2.1建设单位:监理单位:合同号:施工单位:编号:单位(子单位)工程名称项目经理分部(子分部)工程名称执行标准CJJ2—2008验收部位施工质量验收规范的规定施工单位检查评定记录主控项目1模板、支架和拱架安装应符合施工设计图(施工方案)的规定,且稳固牢靠,接缝严密,立柱基础有足够的支撑面和排水、防冻措施。一般项目1固定在模板上的预埋件、预留孔内模不得遗漏,且应安装牢固。项目允许偏差(mm)实测偏差(mm)应检点数合格点数合格率(%)2相邻两板表面高低差清水模板、钢模板2混水模板43表面平整度清水模板、钢模板3混水模板54垂直度墙、柱H/1000,且不大于6墩、台H/500,且不大于20塔柱H/3000,且不大于305模内尺寸基础±10墩、台+5、-8梁、板、墙、柱、桩、拱+3、-66轴线偏位基础15墩、台、墙10梁、柱、拱、塔柱8悬浇各梁段8横隔梁57支承面高程+2、-58悬浇各梁段底面高程+10、0施工单位检查评定结果专业工长(施工员)施工班组长量检查员:年月日监理单位验收结论专业监理工程师:年月日模板、支架和拱架安装工程验收批质量验收记录(二)质验表(桥)—2.2建设单位:监理单位:合同号:施工单位:编号:单位(子单位)工程名称项目经理分部(子分部)工程名称执行标准CJJ2—2008验收部位施工质量验收规范的规定施工单位检查评定记录一般项目项目允许偏差(mm)实测偏差(mm)应检点数合格点数合格率(%)9预埋件支座板、锚垫板、连接板等位置5平面高差2螺栓、锚筋等位置3外露长度±510预留孔洞预应力筋孔道位置(梁端)5其他位置8孔径+10、011梁底模拱度+5、-21对角线差板72墙板5桩313侧向弯曲板、拱肋、桁架L/1500柱、桩L/1000,且不大于10梁L/2000,且不大于1014支架、拱架纵轴线的平面偏位L/2000,且不大于3015拱架高程+20、-10施工单位检查评定结果专业工长(施工员)施工班组长质量检查员:年月日监理单位验收结论专业监理工程师:年月日钢筋加工工程验收批质量验收记录质验表(桥)—3建设单位:监理单位:合同号:施工单位:编号:单位(子单位)工程名称项目经理分部(子分部)工程名称执行标准CJJ2—2008验收部位施工质量验收规范的规定施工单位检查评定记录主控项目1钢筋、焊条的品种、牌号、规格和技术性能必须符合国家现行标准规定和设计要求。2钢筋进场时,必须按批抽取试件做力学性能和工艺性能试验,其质量必须符合国家现行标准的规定。3当钢筋出现脆断、焊接性能不良或力学性能显著不正常等现象时,应对该批钢筋进行化学成分检验或其他专项检验。4受力钢筋弯制和未端弯钩均应符合设计要求,设计未规定时,其尺寸应符合表6.2.3的规定5箍筋未端弯钩的形式应符合设计要求,设计无规定时,可按表6.2.4所示形式加工6钢筋的连接形式必须符合设计要求7钢筋宜在常温状态下弯制,不宜加热。钢筋宜从中部开始逐步向两端弯制,弯钩应一次弯成。8钢筋焊接接头质量应符合国家现行标准《钢筋焊接及验收规程》JGJ18的规定和设计要求。...

1、当您付费下载文档后,您只拥有了使用权限,并不意味着购买了版权,文档只能用于自身使用,不得用于其他商业用途(如 [转卖]进行直接盈利或[编辑后售卖]进行间接盈利)。
2、本站所有内容均由合作方或网友上传,本站不对文档的完整性、权威性及其观点立场正确性做任何保证或承诺!文档内容仅供研究参考,付费前请自行鉴别。
3、如文档内容存在违规,或者侵犯商业秘密、侵犯著作权等,请点击“违规举报”。

碎片内容

桥梁工程质量验收表格全套

确认删除?
VIP
微信客服
  • 扫码咨询
会员Q群
  • 会员专属群点击这里加入QQ群
客服邮箱
回到顶部