电脑桌面
添加小米粒文库到电脑桌面
安装后可以在桌面快捷访问

ERP标准业务流程图(DOC46页)VIP免费

ERP标准业务流程图(DOC46页)_第1页
1/48
ERP标准业务流程图(DOC46页)_第2页
2/48
ERP标准业务流程图(DOC46页)_第3页
3/48
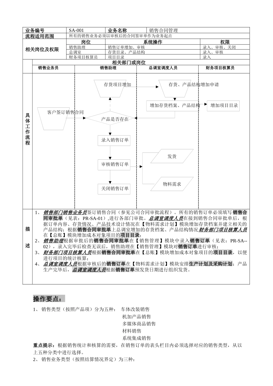
标准业务流程一、销售部分:(一)销售合同管理流程:客户签订销售合同产品是否存在录入销售订单增加存货档案、产品结构增加项目目录存货项目增加存货、产品结构增加申请审核销售订单发货物料需求关闭销售订单操作要点:1、销售类型(按照产品项)分为五种:车体改装销售机加产品销售多媒体商品销售材料销售系统集成销售重点提示:根据销售统计和核算的需要,在销售订单的表头栏目内必须选择对应的销售类型,从以上五种分类中进行选择。2、销售业务类型(按照结算情况界定)为三种:业务编号SA-001业务名称销售合同管理流程适用范围所有的销售业务必须以审核后的合同签审单作为业务起点相关岗位及权限岗位系统操作权限销售助理销售订单增加、审核录入、审核、关闭总调室存货目录、产品结构录入、审核财务项目核算员项目目录录入相关部门或岗位销售业务员销售助理总调室调度人员财务项目核算员具体工作流程描述1、销售部门销售业务员签订销售合同(参见公司合同审批流程)。所有的销售订单必须填写销售合同审批单(见表:PR-SA-01),进行各部门审批。总调室调度人员在接到销售合同审批单后,根据订单内容、存货情况、产品技术设计情况在【物料需求计划】模块增加存货档案并建立相关的产品结构;根据销售合同审批单上总调室增加的存货档案、产品结构情况财务部门项目核算人员在【总账】模块增加成本对象项目的项目目录;2、销售助理根据审批后的销售合同审批单在【销售管理】模块中录入销售订单(见表:PR-SA--02),录入完毕后检查无误后,销售助理在【销售管理】模块对销售订单进行审核;3、财务部门项目核算人员根据销售合同审批单在【总账】模块增加成本对象项目的项目目录,以便进行项目的统计核算;4、总调室调度人员根据审核后的销售订单在【物料需求计划】模块安排生产计划及采购计划;产品生产完毕后,总调室调度人员根据销售订单预发货日期进行组织发货。普通销售业务:无论赊销、现销,当月完成发货后(含多次发货)当月结算完毕(含多次结算)的销售业务,在增加销售订单时选择业务类型为普通销售业务。具体操作见普通销售业务处理流程分期收款业务:当月完成发货后(含多次发货),需分次、跨月进行结算、开发票,分批结转收入成本的销售业务,在增加销售订单时选择业务类型为:分期收款。具体操作见分期收款业务处理流程。直运销售:销售的商品不经过公司库房,直接将商品从供应商处发送到客户方的销售业务(例如:商品代购业务),在增加销售订单时选择业务类型为:直运销售。具体操作见直运销售业务处理流程。重点提示:根据销售统计和核算的需要,在销售订单的表头栏目内必须选择对应的业务类型,从以上三种分类中进行选择。因为三种业务的核算处理方式不同,所以在增加销售订单时一定要区分清楚。(二)普通销售流程:编号:PR-SA-002业务编号SA-002业务名称普通销售业务流程适用范围无论赊销、现销,当月完成发货后(含多次发货)当月结算完毕(含多次结算)的销售业务相关岗位及权限岗位系统操作权限销售助理销售管理模块中录入销售订单、销售开票通知录入、审核、复核总调室调度人员销售管理模块中录入发货单增加、审核库房记账人员库存管理模块中销售出库审核确认审核材料成本会计存货核算模块中记账、制单记账、制单应收往来会计应收账款模块中结转收入、应收往来核算审核、核销、制单相关部门或岗位客户销售助理总调室调度人员库房记账员材料成本会计/往来会计具体工作流程合同签定,相关项目及存货目录已增加完毕。参照销售订单生成发货通知单销售发票通应收账款收货填写销售订单销售出库单审核销售订单结转销售成本现结复核收款收款单制单审核出库流程描述1、销售业务员与客户签订销售合同,销售助理依据签审完毕的销售合同审批单在【销售管理】模块录入销售订单并审核。2、产品生产完毕完工入库后,总调室调度人员在【销售管理】模块根据销售订单生成销售发货通知单(见表:PR-SA-03);3、销售助理根据客户开票需求,查询销售发货通知单审核状态,对已审核的销售发货通知单在【销售管理】模块中根据销售发货通知单生成销售开票通知单(见表:PR-SA-...

1、当您付费下载文档后,您只拥有了使用权限,并不意味着购买了版权,文档只能用于自身使用,不得用于其他商业用途(如 [转卖]进行直接盈利或[编辑后售卖]进行间接盈利)。
2、本站所有内容均由合作方或网友上传,本站不对文档的完整性、权威性及其观点立场正确性做任何保证或承诺!文档内容仅供研究参考,付费前请自行鉴别。
3、如文档内容存在违规,或者侵犯商业秘密、侵犯著作权等,请点击“违规举报”。

碎片内容

ERP标准业务流程图(DOC46页)

确认删除?
VIP
微信客服
  • 扫码咨询
会员Q群
  • 会员专属群点击这里加入QQ群
客服邮箱
回到顶部