电脑桌面
添加小米粒文库到电脑桌面
安装后可以在桌面快捷访问

质量管理工作质量策划采购制程仓储质量控制质量VIP免费

质量管理工作质量策划采购制程仓储质量控制质量_第1页
1/146
质量管理工作质量策划采购制程仓储质量控制质量_第2页
2/146
质量管理工作质量策划采购制程仓储质量控制质量_第3页
3/146
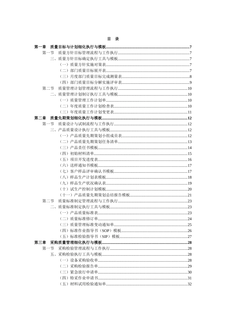
质量管理工作细化模板大全清一善品整理目录第一章质量目标与计划细化执行与模板...................................................................................7第一节质量方针目标管理流程与工作执行.......................................................................7三、质量方针目标确定执行工具与模板.......................................................................7(一)质量方针实施对策表...................................................................................7(二)部门质量目标展开表...................................................................................7(三)月度部门质量目标完成测量表...................................................................8(四)部门质量目标分解实施评审表...................................................................9第二节质量管理计划管理流程与工作执行.....................................................................10二、质量管理计划制订执行工具与模板.....................................................................10(一)质量管理工作计划单.................................................................................10(二)年度质量工作计划检查表.........................................................................10(三)年度质量工作计划变更表.........................................................................11第二章质量先期策划细化执行与模板.....................................................................................12第一节质量设计与试制流程与工作执行.........................................................................12三、产品质量设计执行工具与模板.............................................................................12(一)产品质量先期策划小组成员表.................................................................12(二)产品质量先期策划任务清单.....................................................................13(三)产品责任书模板.........................................................................................14(四)初始材料清单.............................................................................................15(五)项目开发进度表.........................................................................................16(六)送样通知书模板.........................................................................................17(七)客户样品评审确认书模板.........................................................................17(八)样品生产计划表模板.................................................................................18(九)样品生产状况确认表.................................................................................19(十)试生产控制计划模板.................................................................................20(十一)产品质量先期策划总结报告模板.........................................................21第二节质量标准制定管理流程与工作执行.....................................................................23二、质量标准制定执行工具与模板.............................................................................23(一)产品质量标准表.........................................................................................23(二)质量标准修订单.........................................................................................24(三)质量管理标准变动通知单....................................................

1、当您付费下载文档后,您只拥有了使用权限,并不意味着购买了版权,文档只能用于自身使用,不得用于其他商业用途(如 [转卖]进行直接盈利或[编辑后售卖]进行间接盈利)。
2、本站所有内容均由合作方或网友上传,本站不对文档的完整性、权威性及其观点立场正确性做任何保证或承诺!文档内容仅供研究参考,付费前请自行鉴别。
3、如文档内容存在违规,或者侵犯商业秘密、侵犯著作权等,请点击“违规举报”。

碎片内容

质量管理工作质量策划采购制程仓储质量控制质量

黄金阁书苑+ 关注
实名认证
内容提供者

热爱教学事业,对互联网知识分享很感兴趣

确认删除?
VIP
微信客服
  • 扫码咨询
会员Q群
  • 会员专属群点击这里加入QQ群
客服邮箱
回到顶部