电脑桌面
添加小米粒文库到电脑桌面
安装后可以在桌面快捷访问

施工现场安全生产检查表VIP免费

施工现场安全生产检查表_第1页
1/8
施工现场安全生产检查表_第2页
2/8
施工现场安全生产检查表_第3页
3/8
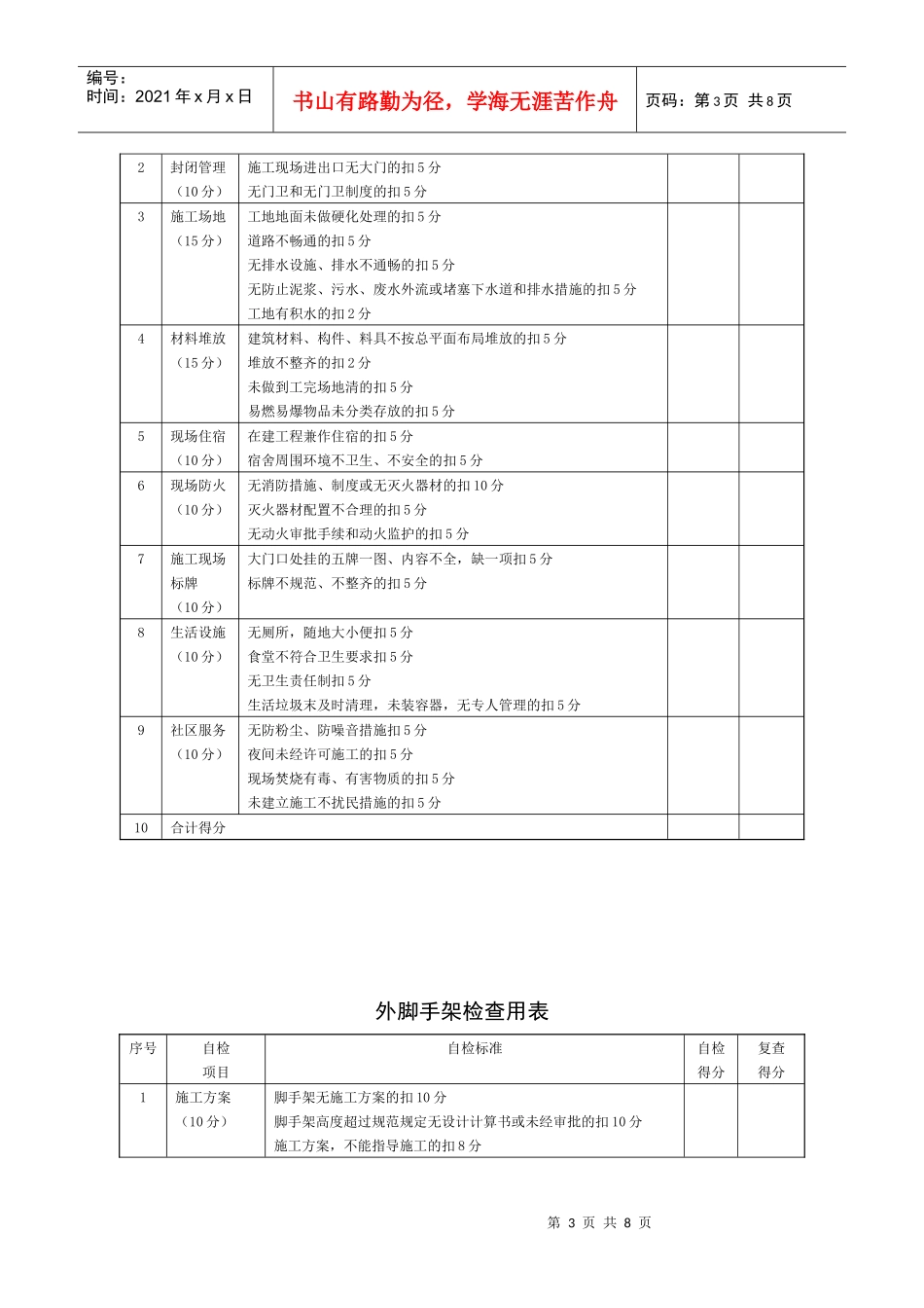
第1页共8页编号:时间:2021年x月x日书山有路勤为径,学海无涯苦作舟页码:第1页共8页施工现场安全生产检查表(企业自检和安全监督部门复检)工程名称:项目负责人(签字):监理单位总监(签字):施工单位(盖章):监理单位(盖章):主监人:监督员:二OO年月日安全管理检查用表序号自检项目自检标准自检得分复查得分1安全生产责任制(10分)未建立安全责任制的扣5分各级各部门未执行责任制的扣4—6分未制定各工种安全技术操作规程的扣5分未按规定配备专职安全员的扣8分管理人员责任制考核不合格的扣5分第2页共8页第1页共8页编号:时间:2021年x月x日书山有路勤为径,学海无涯苦作舟页码:第2页共8页2施工组织设计(15分)施工组织设计中无安全措施扣10分施工组织设计未经审批扣5分专业性较强的项目,未单独编制专项安全施工组织设计扣8分安全措施不全面扣2~4分安全措施无针对性扣4~6分安全措施未落实扣8分3安全技术交底(15分)无书面安全技术交底扣10分交底针对性不强扣4~6分交底不全面扣6分交底未履行签字手续扣2~4分4安全检查(20分)无定期安全检查制度扣5分安全检查无记录扣10分安全检查记录不实扣10分检查出事故隐患整改做不到定人、定时间、定措施扣5分对重大事故隐患整改通知书所列项目未如期完成扣5分5安全教育(10分)无安全教育制度扣10分新入厂工人未进行三级安全教育扣10分无具体安全教育内容扣5分变换工种时未进行安全教育扣10分每有1人不懂本工种安全技术操作规程扣1分施工管理人员未按规定进行年度培训的扣5分6特种作业持证上岗(10分)一人未经培训从事特种作业扣4分一人未持操作证上岗扣2分7工伤事故处理(15分)工伤事故未按规定报告扣10分发生人员伤亡事故的扣10分8安全标志(5分)无现场安全标志布置总平面图,扣5分现场未按安全标志总平面图设置安全标志的扣5分9合计得分场容场貌检查用表序号自检项目自检标准自检得分复查得分1现场围挡(10分)在市区主要路段的工地周围未设置高于2.5m的围挡扣10分一般路段的工地周围未设置高于1.8m的围挡扣10分围挡材料不坚固、不稳定、不整洁、不美观扣5分围挡没有沿工地四周连续设置的扣5分第3页共8页第2页共8页编号:时间:2021年x月x日书山有路勤为径,学海无涯苦作舟页码:第3页共8页2封闭管理(10分)施工现场进出口无大门的扣5分无门卫和无门卫制度的扣5分3施工场地(15分)工地地面未做硬化处理的扣5分道路不畅通的扣5分无排水设施、排水不通畅的扣5分无防止泥浆、污水、废水外流或堵塞下水道和排水措施的扣5分工地有积水的扣2分4材料堆放(15分)建筑材料、构件、料具不按总平面布局堆放的扣5分堆放不整齐的扣2分未做到工完场地清的扣5分易燃易爆物品未分类存放的扣5分5现场住宿(10分)在建工程兼作住宿的扣5分宿舍周围环境不卫生、不安全的扣5分6现场防火(10分)无消防措施、制度或无灭火器材的扣10分灭火器材配置不合理的扣5分无动火审批手续和动火监护的扣5分7施工现场标牌(10分)大门口处挂的五牌一图、内容不全,缺一项扣5分标牌不规范、不整齐的扣5分8生活设施(10分)无厕所,随地大小便扣5分食堂不符合卫生要求扣5分无卫生责任制扣5分生活垃圾末及时清理,未装容器,无专人管理的扣5分9社区服务(10分)无防粉尘、防噪音措施扣5分夜间未经许可施工的扣5分现场焚烧有毒、有害物质的扣5分未建立施工不扰民措施的扣5分10合计得分外脚手架检查用表序号自检项目自检标准自检得分复查得分1施工方案(10分)脚手架无施工方案的扣10分脚手架高度超过规范规定无设计计算书或未经审批的扣10分施工方案,不能指导施工的扣8分第4页共8页第3页共8页编号:时间:2021年x月x日书山有路勤为径,学海无涯苦作舟页码:第4页共8页2立杆基础(10分)每l0延长米立杆基础不平、不实、不符合方案设计要求的扣5分每10延长米无扫地杆的扣5分每l0延长米木脚手架立杆不埋地或无扫地杆的扣5分每10延长米无排水措施的扣5分3架体与建筑结构拉结(5分)脚手架高度在7m以上,架体与建筑结构拉结,按规定要求每少一处的扣2分拉结不坚固每一处的扣1分4杆体间距与剪刀撑(5分)每10延长米立杆、大横杆、小横杆间距超过规定要求的每一处扣1...

1、当您付费下载文档后,您只拥有了使用权限,并不意味着购买了版权,文档只能用于自身使用,不得用于其他商业用途(如 [转卖]进行直接盈利或[编辑后售卖]进行间接盈利)。
2、本站所有内容均由合作方或网友上传,本站不对文档的完整性、权威性及其观点立场正确性做任何保证或承诺!文档内容仅供研究参考,付费前请自行鉴别。
3、如文档内容存在违规,或者侵犯商业秘密、侵犯著作权等,请点击“违规举报”。

碎片内容

施工现场安全生产检查表

确认删除?
VIP
微信客服
  • 扫码咨询
会员Q群
  • 会员专属群点击这里加入QQ群
客服邮箱
回到顶部