电脑桌面
添加小米粒文库到电脑桌面
安装后可以在桌面快捷访问

汽车二级维护67499926VIP免费

汽车二级维护67499926_第1页
1/6
汽车二级维护67499926_第2页
2/6
汽车二级维护67499926_第3页
3/6
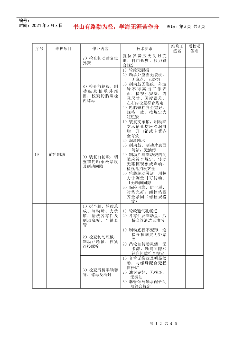
第1页共6页编号:时间:2021年x月x日书山有路勤为径,学海无涯苦作舟页码:第1页共6页附件:营运汽车二级维护基本作业项目序号维护项目作业内容技术要求维修工签名质检员签名1发动机润滑油、机油滤清器1)视情更换润滑油2)视情更换机油滤清器1)润滑油规格性能指标符合规定2)液面高度符合规定3)机油滤清器密封良好,无堵塞,完好有效2检查润滑油油面高度检查转向器、变速器、主减速器等润滑油规格和液面高度,不足时按要求补给符合出厂规定3空气滤清器清洁空气滤清器空气滤清器清洁有效,安装可靠恒温进气装置真空软管安装可靠。进气转换阀工作灵敏、准确41)油箱及油管2)燃油滤清器3)燃油泵1)检查接头及密封情况2)清洁燃油滤器,并视情更换3)检查燃油泵,必要时更换1)接头无破损、渗漏,紧固可靠2)燃油滤清器工作正常3)燃油泵工作正常、油压符合规定5燃油蒸发控制装置检查清洁,必要时更换工作正常6曲箱箱通风装置检查、清洁清洁畅通。连接可靠,不漏气,各阀门无堵塞、卡滞现象,灵敏有效,符合规定7散热器、膨胀箱、百叶窗、水泵、节温器、传动皮带1)检查密封情况、箱盖压力阀、液面高度、水泵2)检视皮带外观,调整皮带松紧度1)散热器及软管无变形、破损及渗漏;箱盖接合表面良好。胶垫不老化、箱盖压力阀开启压力符合要求;水泵不漏水。无异响;节温器工作性能符合规定2)皮带应无裂痕和过量磨损,表面无油污、皮带松紧度符合规定81)进、排气歧管、消声器、排气管2)气缸盖1)检查、紧固,视情补焊或更换2)按规定次序和扭紧力矩校紧气缸盖1)无裂痕、漏气、消声器性能良好2)扭紧力矩符合规定9增压器、中冷器检查、清洁符合规定10发动机支架检查、紧固连接牢固、无变形和裂缝11化油器及联动机构清洁、检查、紧固清洁,联动机构运动灵活,连接牢固。无漏第2页共6页第1页共6页编号:时间:2021年x月x日书山有路勤为径,学海无涯苦作舟页码:第2页共6页序号维护项目作业内容技术要求维修工签名质检员签名油、气现象,工作系统和附加装置工作正常12油器、喷油器检查喷油器和喷油泵的作用,必要时检测喷油压力和喷油状况,视情调整供油提前角1)喷油器雾化良好、无滴油、漏油现象,喷油压力符合规定2)供油提前角符合规定13分电器、高压线清洁、检查分电器无油污,调整触点间隙在规定范围内,无松旷、漏电现象、高压线性能符合规定14火花塞清洁、检查或更换火花塞,调整电极间隙电极表面清洁,间隙符合规定15气门间隙检查调查符合规定16电控燃油喷射系统供油管路检查密封状况密封良好,作用正常17三效催化装置检查三效催化装置的作用,必要的更换作用正常18离合器检查调整离合器踏板自由行程离合器踏板自由行程符合规定19前轮制动1)检查前轮制动器调整臂的作用作用正常2)拆卸前轮毂总成、制动蹄、支承销;消洗转向节、轴承、支承销、清洁制动底板等零件清洁、无油污3)检查制动盘、制动凸轮轴,校紧装置螺栓1)制动底板不变形,按规定力矩扭紧装置螺栓2)凸轮轴转动灵活、无卡滞,转向间隙符合规定4)检查转向节及螺母、保险片及油封、转向节臂,校紧装置螺栓1)转向节无裂纹,螺纹完好,与螺母配合应无径向松旷,保险片作用良好,油封完好不漏油2)转向节轴径与轴承的配合间隙符合要求,转向节臂装置螺栓扭紧力矩符合规定5)检查内外轴承液柱保持架无断裂,滚柱无脱落,无裂损和烧蚀,轴承内圈无裂损和烧蚀6)检查制动蹄及支承销1)制动蹄无裂损及明显变形,摩擦片不破裂,铆接可靠,摩擦片厚度符合规定2)支承销无过量磨损,支承销与制动蹄承孔衬套配合间隙符合规定第3页共6页第2页共6页编号:时间:2021年x月x日书山有路勤为径,学海无涯苦作舟页码:第3页共6页序号维护项目作业内容技术要求维修工签名质检员签名19前轮制动7)检查制动蹄复位弹簧复位弹簧应无明显变形,自由长度、拉力符合规定8)检查前轮毂、制动鼓及轴承外座圈,校紧轮胎螺栓内螺母1)轮毂无裂损2)轴承外座圈无裂纹,无麻点,无烧蚀3)制动鼓无裂纹,外边缘不得高出工作表面,检视孔完整,内径尺寸、圆度误差、左右内径差符合规定4)轮胎螺栓齐全完好,规格一致、按规定力矩钮紧9)装复前轮...

1、当您付费下载文档后,您只拥有了使用权限,并不意味着购买了版权,文档只能用于自身使用,不得用于其他商业用途(如 [转卖]进行直接盈利或[编辑后售卖]进行间接盈利)。
2、本站所有内容均由合作方或网友上传,本站不对文档的完整性、权威性及其观点立场正确性做任何保证或承诺!文档内容仅供研究参考,付费前请自行鉴别。
3、如文档内容存在违规,或者侵犯商业秘密、侵犯著作权等,请点击“违规举报”。

碎片内容

汽车二级维护67499926

您可能关注的文档

中小学教育精品资料+ 关注
实名认证
内容提供者

中小学教育资料,优质文档创作者

确认删除?
VIP
微信客服
  • 扫码咨询
会员Q群
  • 会员专属群点击这里加入QQ群
客服邮箱
回到顶部