电脑桌面
添加小米粒文库到电脑桌面
安装后可以在桌面快捷访问

水处理设备设计参数VIP免费

水处理设备设计参数_第1页
1/58
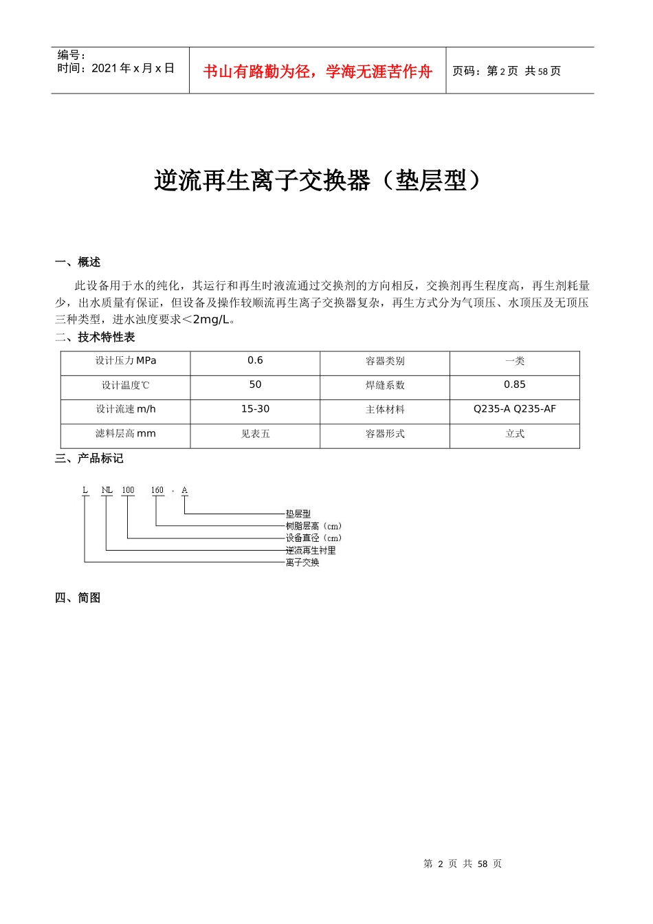
水处理设备设计参数_第2页
2/58
水处理设备设计参数_第3页
3/58
第1页共58页编号:时间:2021年x月x日书山有路勤为径,学海无涯苦作舟页码:第1页共58页目录逆流再生离子交换器(垫层型)..................................................................................2新型高效纤维过滤器..................................................................................................7机械过滤器............................................................................................................12活性碳过滤器.........................................................................................................15浮动离子交换器(多孔板水帽型)..........................................................................17混合离子交换器(体内再生)...................................................................................23树脂捕捉器(低压)................................................................................................27除碳器...................................................................................................................31收水器...................................................................................................................34中间水箱...............................................................................................................35酸碱贮存罐............................................................................................................37计量箱...................................................................................................................40酸雾吸收器............................................................................................................43混合三通...............................................................................................................45第2页共58页第1页共58页编号:时间:2021年x月x日书山有路勤为径,学海无涯苦作舟页码:第2页共58页逆流再生离子交换器(垫层型)一、概述此设备用于水的纯化,其运行和再生时液流通过交换剂的方向相反,交换剂再生程度高,再生剂耗量少,出水质量有保证,但设备及操作较顺流再生离子交换器复杂,再生方式分为气顶压、水顶压及无顶压三种类型,进水浊度要求<2mg/L。二、技术特性表设计压力MPa0.6容器类别一类设计温度℃50焊缝系数0.85设计流速m/h15-30主体材料Q235-AQ235-AF滤料层高mm见表五容器形式立式三、产品标记四、简图第3页共58页第2页共58页编号:时间:2021年x月x日书山有路勤为径,学海无涯苦作舟页码:第3页共58页内部结构简介:1、上部进水装置为穹形多孔板。2、中间排再生液装置为支母管型式。3、出水装置为穹形多孔板加石英砂垫层(或瓷砂)。说明:1、设备配就地取样装置及进出口压力表。2、所有接口法兰压力等级为1MPa。3、该设备可配手动衬胶隔膜阀和气动衬胶隔膜阀,其尺寸LA-LD详见阀门尺寸对照表。4、该设备再生液可采用食盐,盐酸、硫酸、氢氧化钠等,再生液流速一般小于5m/h时,当大于此值时需在订货时注明。5、用户若采用顶压再生时,订货时请注明。6、设备内衬1751半硬橡胶。第4页共58页第3页共58页编号:时间:2021年x月x日书山有路勤为径,学海无涯苦作舟页码:第4页共58页第5页共58页第4页共58页编号:时间:2021年x月x日书山有路勤为径,学海无涯苦作舟页码:第5页共58页第6页共58页第5页共58页编号:时间:2021年x月x日书山有路勤为径,学海无涯苦作舟页码:第6页共58页第7页共58页第6页共58页编号:时间:2021年x月x日书山有路勤为径,学海无涯苦作舟页码:第7页共58页第8页共58页第7页共58页编号:时间:2021年x月x日书山有路勤为径,学海无涯苦作舟页码:第8页共58页新型高效纤维过滤器特点BDGXG新型高效纤维过滤器是我公司研制开发的第二代纤维过滤装置,是在积累大量第一代过...

1、当您付费下载文档后,您只拥有了使用权限,并不意味着购买了版权,文档只能用于自身使用,不得用于其他商业用途(如 [转卖]进行直接盈利或[编辑后售卖]进行间接盈利)。
2、本站所有内容均由合作方或网友上传,本站不对文档的完整性、权威性及其观点立场正确性做任何保证或承诺!文档内容仅供研究参考,付费前请自行鉴别。
3、如文档内容存在违规,或者侵犯商业秘密、侵犯著作权等,请点击“违规举报”。

碎片内容

水处理设备设计参数

确认删除?
VIP
微信客服
  • 扫码咨询
会员Q群
  • 会员专属群点击这里加入QQ群
客服邮箱
回到顶部