电脑桌面
添加小米粒文库到电脑桌面
安装后可以在桌面快捷访问

变电站安全预警系统VIP免费

变电站安全预警系统_第1页
1/7
变电站安全预警系统_第2页
2/7
变电站安全预警系统_第3页
3/7
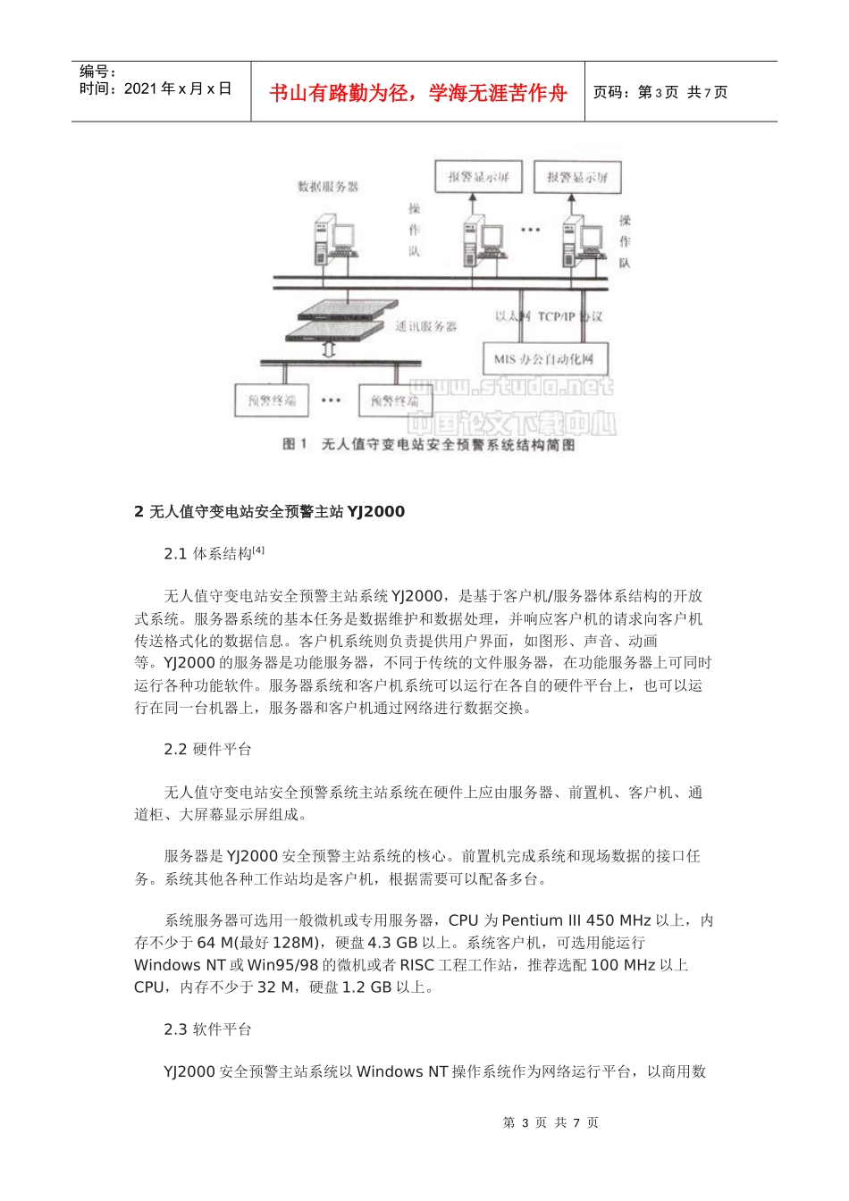
第1页共7页编号:时间:2021年x月x日书山有路勤为径,学海无涯苦作舟页码:第1页共7页变电站安全预警系统作者:周士亮时间:2007-11-2512:03:00来源:论文天下论文网摘要:随着电力系统体制改革的深入,变电站应实现无人值守。这样变电站在运行过程中,必须建立一个安全的运行环境,对变电站各种设备的运行状态及影响变电站安全运行的因素实现在线监测,使变电站实现"可控"、"在控"。该文详细的介绍变电站安全预警系统的原理,并给出了为满足各种用户要求的系统结构。关键词:变电站安全预警在线监测1概述1.1意义随着电力系统体制改革的深入,电力系统普遍开展了"减人增效"、"提高供电水平和供电质量"、"创一流企业"的工作。无论是减人增效还是创一流企业,变电站都涉及了一个核心任务:变电站应实现无人值守。这样,变电站必须解决以下几个问题:·如何保证设备运行的可靠性问题;·如何解决变电站无人值守后的安全管理问题;·如何实现无人值守变电站的远程监视问题。各种电压等级的变电站在运行过程中,现场安全成了十分突出的问题,特别是火灾、烟雾、非正常进入、电缆沟进水、小动物侵入电缆沟等关系到变电站安全运行的监控问题,靠操作队人员的正常巡视难以实现,必须建立一个安全稳定的运行环境,对变电站各种设备的运行状态及影响变电站安全运行的因素如:设备异常、火灾、水灾、过热、绝缘状况、局部放电等实现在线检测,使故障信息能够早期发现并得到及时处理,使成立后的操作队运行人员实时掌握设备运行工况、解决操作队巡视周期内的监控空白,加强对变电设备的监控。无人值守变电站安全预警系统就是针对当前情况而开发的一整套使变电站安全运行的综合系统。该系统把监控对象落实到每一监护设备,由微机综合自动化系统负责电网的安全运行。变电站安全预警系统负责监视变电站的安全运行及环境状况,实时监测变电站的运行环境,对变电站各种设备的运行状态及影响变电站安全运行的因素如:环境温度、湿度、设备异常、火灾、水灾、过热、绝缘状况、局部放电等实现在线监测。当有异常情况发生时,终端装置采集到该实时信息后,立即记下此信息,进行校对、分第2页共7页第1页共7页编号:时间:2021年x月x日书山有路勤为径,学海无涯苦作舟页码:第2页共7页析、处理,当确认为报警信号时,以声和光的方式发出预警信息和报警信号,使故障信息能够早期发现并得到及时处理,能够给变电站的运行提供真正的安全保障。变电站安装?quot;变电站安全预警系统"后,有效的实现了:·将事故后报警改为事故前预警;·将正常的3~4天一次的巡视变为24小时实时监控;·将运行人员的现场目测巡视检查变为自动化监视;·将分散的巡视检查变为集中监控;·减轻了操作队人员、车辆来回奔波的辛苦,解决了变电站,尤其是无人值守变电站变电设备安全运行如何实现可控、在控的问题,从而使变电站完全具备了无人值守的要求,操作队成为了真正意义上的监控中心。1.2系统组成"变电站安全预警系统"由变电站安全预警终端、变电站安全预警主站(包括服务器、安全预警系统显示屏)组成。安全预警终端主要完成实时数据的采集、判断和处理,将处理结果由通信网络发送至变电站运行监控中心(或变电站操作队),安全预警终端应安装在变电站中。安全预警服务器对安全预警终端上传的数据进行处理。如果出现报警故障,则要求安全预警终端和安全预警服务器都要进行报警,安全预警服务器还要能记录报警类型和时间,以便查询、分析,能与运行工作站、调度、自动装置等进行通信。安全预警服务器可安装在调度所、操作队等处,其数据应在整个电力部门通信网络内共享。安全预警系统显示屏主要完成故障显示,可声光报警,使运行监控人员能够非常明显的看到事故发生地点及类型。"变电站安全预警系统"结构非常灵活,安全预警系统可以独立组成系统,也可以和电网调度自动化(SCADA)系统集成,或者和远程监控系统集成。其系统结构图如图1所示[4]。(1)调度中心到操作队数据传输方式可以为以太网TCP/IP协议或RS232转发。(2)从终端到调度中心的传输通道可以是:光纤、载波通道、专线。(3)变电站安全预警终端,可以通过RS232接...

1、当您付费下载文档后,您只拥有了使用权限,并不意味着购买了版权,文档只能用于自身使用,不得用于其他商业用途(如 [转卖]进行直接盈利或[编辑后售卖]进行间接盈利)。
2、本站所有内容均由合作方或网友上传,本站不对文档的完整性、权威性及其观点立场正确性做任何保证或承诺!文档内容仅供研究参考,付费前请自行鉴别。
3、如文档内容存在违规,或者侵犯商业秘密、侵犯著作权等,请点击“违规举报”。

碎片内容

变电站安全预警系统

您可能关注的文档

确认删除?
VIP
微信客服
  • 扫码咨询
会员Q群
  • 会员专属群点击这里加入QQ群
客服邮箱
回到顶部