电脑桌面
添加小米粒文库到电脑桌面
安装后可以在桌面快捷访问

吉林省普通高中通用技术实践室装备标准(试行)doc-网站VIP免费

吉林省普通高中通用技术实践室装备标准(试行)doc-网站_第1页
1/7
吉林省普通高中通用技术实践室装备标准(试行)doc-网站_第2页
2/7
吉林省普通高中通用技术实践室装备标准(试行)doc-网站_第3页
3/7
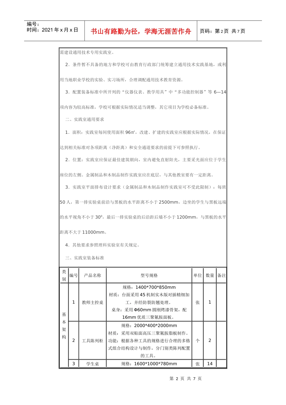
第1页共7页编号:时间:2021年x月x日书山有路勤为径,学海无涯苦作舟页码:第1页共7页关于下发吉林省普通高中通用技术实践室装备标准(试行)的通知吉教基字[2008]12号各市(州)、长白山管委会教育局,各县(市、区)教育局:为保证我省普通高中新课程实验工作的顺利进行,做好高二年级新开设的通用技术课的教学工作,现将《吉林省普通高中通用技术实践室装备标准(试行)》发给你们,请各地认真贯彻落实。二OO八年三月十日主题词:普通高中技术装备标准通知吉林省教育厅办公室2008年3月10日印发吉林省普通高中通用技术实践室装备标准(试行)为贯彻落实教育部《基础教育课程改革纲要(试行)》(教基[2001]17号)和《普通高中课程方案(实验)》及《普通高中通用技术课程标准》,适应全面推进素质教育和普通高中新课程实验的要求,确保我省普通高中通用技术课程的实施,特制定本标准。一、实践室建设要求1.为确保2008年秋季高二年级通用技术课程按要求开设,原则上每所普通高中均第2页共7页第1页共7页编号:时间:2021年x月x日书山有路勤为径,学海无涯苦作舟页码:第2页共7页需建设通用技术专用实践室。2.条件暂不具备的地方和学校可由教育行政部门统筹建立通用技术实践基地,或利用当地职业学校的实验、实习场所,合理调配通用技术教育资源。3.配置装备标准中所开列的“仪器仪表、教学用具”中“多功能控制器”等6—14项内容为较高标准,学校可根据实际情况适当调整,其它项目为学校必备标准。二、实践室通用要求1.面积:实践室每间使用面积96㎡,改建、扩建的实践室应根据实际情况,在保证达到相关标准对各项距离(净距离)和安全通道要求的前提下可参照执行。2.位置:实践室应保证最佳建筑朝向,室内避免直射阳光,主要采光面应位于学生座位的左侧。金属制品和木制品制作实践室应在底层,与其他教室要有一定距离。3.实践室平面排布设计要求(金属制品和木制品制作实践室可不受此限制):每班50人,第一排实验桌前沿与黑板的水平距离不小于2500mm,边坐的学生与黑板远端的水平视角不小于300,最后一排实验桌的后沿距后墙不小于1200mm,与黑板的水平距离不大于11000mm。4.其他要求参照理科实验室有关规定。三、实践室装备标准类别编号产品名称型号规格单位数量备注基本架构1教师主控桌规格:1400*700*850mm材质:台面采用45机制实木版对插精细加工,并经防裂防翘处理。桌身:采用Φ60mm圆刚烤漆骨架,配16mm优质三聚氰胺面板。张12工具陈列柜规格:2000*400*2000mm材质:采用双贴面高压三聚氰胺脂板制作。功能:根据各种工具的规格进行合理的多格式组合结构设计与制作,分门别类陈列配置的工具。个23学生桌规格:1600*1000*780mm张14第3页共7页第2页共7页编号:时间:2021年x月x日书山有路勤为径,学海无涯苦作舟页码:第3页共7页类别编号产品名称型号规格单位数量备注材质:台面采用45机制实木版对插精细加工,并经防裂防翘处理。桌身:采用Φ60mm圆刚烤漆骨架,配16mm优质三聚氰胺面板。性能:安全、牢固、美观、整体性好4学生凳规格:320*800*420mm材料:橡塑方凳张565设备工作台规格:2000*800*780mm材质:台面采用45机制实木版对插精细加工,并经防裂防翘处理。桌身:采用Φ60mm圆刚烤漆骨架,配16mm优质三聚氰胺面板。张1仪器仪表6多功能控制器电源:DC-6V外型尺寸:200*200*900液晶屏:60*40mm1、仪器需采用微电脑作为控制核心器件,具备八路输出和六路输入2、需自带小型液晶屏,自动显示测试数据3、可配合通用技术教材内容进行开环和闭环的控制设计和实验4、与相应的配件组合,能测试材料的变形、电机转速、压力强度、温度、电压等通用技术教学中相关实验的技术数据5、通过USB口与电脑相连可进行数据处理套157多功能传感实验仪仪器必须符合教材中“黑箱理论”,密切配合《技术与设计2》中“控制与设计”的教学内容,可以设计各种简单的开、闭控制系统并进行实验台158桥梁承重实验台1、仪器采用高灵敏压力传感器2、能精确测试构件材料的最大承重强度3、能测试实验结构的变形4、仪器能提供的最大压力范围为0-40㎏。可完成下列实验:相同材质、不同形状、L型、工字型等及...

1、当您付费下载文档后,您只拥有了使用权限,并不意味着购买了版权,文档只能用于自身使用,不得用于其他商业用途(如 [转卖]进行直接盈利或[编辑后售卖]进行间接盈利)。
2、本站所有内容均由合作方或网友上传,本站不对文档的完整性、权威性及其观点立场正确性做任何保证或承诺!文档内容仅供研究参考,付费前请自行鉴别。
3、如文档内容存在违规,或者侵犯商业秘密、侵犯著作权等,请点击“违规举报”。

碎片内容

吉林省普通高中通用技术实践室装备标准(试行)doc-网站

您可能关注的文档

确认删除?
VIP
微信客服
  • 扫码咨询
会员Q群
  • 会员专属群点击这里加入QQ群
客服邮箱
回到顶部