电脑桌面
添加小米粒文库到电脑桌面
安装后可以在桌面快捷访问

京东方安全防护预案VIP免费

京东方安全防护预案_第1页
1/44
京东方安全防护预案_第2页
2/44
京东方安全防护预案_第3页
3/44
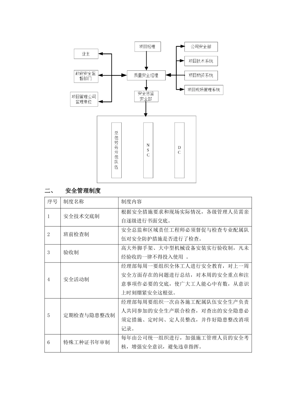
第一节编制依据一、施工图纸合肥第六代薄膜晶体管液晶显示器件项目结构施工图纸合肥第六代薄膜晶体管液晶显示器件项目建筑施工图纸二、国家规范标准《建设工程施工现场供用电安全规程》(GB50194-93)《建筑施工安全检查标准》(JGJ59-99)《建筑施工扣件式钢管脚手架安全技术规程》(JGJ130-2001)《建筑施工高处作业安全技术规程》(JGJ80-91)《施工现场临时用电安全技术规程》(JGJ46-2005)《建筑机械使用安全技术规程》(JGJ33-2001)《建筑施工安全技术手册》《文明施工管理暂行规定》及《施工现场文明安全施工补充标准》三、制度文件《建筑安全法规及文件汇编》(中建一局集团,1997.12)中建一局建设发展公司《项目安全管理手册》及有关手册、程序文件《合肥市建筑质量安全监督告知书(监督方案)》第二节工程概况一、总体概述序号项目内容1项目名称第6代薄膜晶体管液晶显示器件(TFT-LCD)项目2项目地址中国安徽省合肥新站综合开发试验区3建设单位合肥京东方光电科技有限公司4设计单位世源科技工程有限公司、现宗设计(北京)5管理公司世源科技工程有限公司6工期目标2009年6月1日开工,2010年6月17日竣工,共382个日历天。7质量等级合格8功能简述第6代薄膜晶体管液晶显示器件生产厂房及办公等配套设施二、安全管理概述名称内容目标确保无重大工伤事故,杜绝死亡事故,轻伤事故频率控制在千分之六以内;不发生重大机械事故、火灾事故、急性中毒事故方针安全第一,预防为主指导思想预防预控、分级管理、分层负责三、安全防护概况本工程属于大型群体电子厂房工程,体量大(总建筑面积约41.44万m2),单体多(含3个生产厂房、仓库、动力厂房等19个单体),工期短(总工期382天),施工内容广泛,包括了土方开挖及基坑支护、桩承台及筏板结构施工、混凝土结构施工、组合结构及钢结构施工、机电安装以及内外装修施工。各项施工内容又包含了大量的安全隐患,例如,在土建施工中,大量的板预留洞口的防护,无板格构梁位置钢筋、模板及混凝土施工过程中操作人员的安全问题等;在钢结构施工中,塔吊的吊装作业,工人在高空进行组装和焊接作业等;在装修施工中防水等易燃装修物品的施工和储存管理等。由于工期紧张,根据施工总进度计划,粗装作业和机电作业同时进行,洁净室内装修和管道及设备安装等同时进行。而且施工单位很多,这就对安全工作带来很大难度。第三节安全管理体系一、安全管理组织本工程成立以项目经理为第一责任人,质量安全经理为主,各部门配合安全部的安全管理体系。在安全管理过程中,随时接受业主、项目管理公司、监理和政府安全监督部门的督察,将安全管理工作做为项目工作的重中之重。二、安全管理制度序号制度名称制度内容1安全技术交底制根据安全措施要求和现场实际情况,各级管理人员需亲自逐级进行书面交底。2班前检查制安全总监和区域责任工程师必须督促与检查专业配属队伍对安全防护措施是否进行了检查。3验收制高大外脚手架、大中型机械设备安装实行验收制,凡未经验收的一律不得投入使用。4安全活动制经理部每周一要组织全体工人进行安全教育,对上一周安全方面存在的问题进行总结,对本周的安全重点和注意事项作必要的交底,使广大工人能心中有数,从意识上时刻绷紧安全这根弦。5定期检查与隐患整改制经理部每周要组织一次由各施工配属队伍安全生产负责人共同参加的安全生产联合检查,对查出的安全隐患必须定措施、定时间、定人员整改,并作好隐患整改消项记录。6特殊工种证书年审制每年由公司统一组织进行,加强施工管理人员的安全考核,增强安全意识,避免违章指挥。序号制度名称制度内容7安全生产奖罚制与事故报告制项目实行安全生产奖惩制和事故报告制,对施工生产中安全工作做的好的单位进行奖励,对施工过程中,不按安全生产管理制度、方案措施执行的将进行处罚,以督促整改,对事故将按程序及时进行通报。8危急情况停工制一旦出现危及职工生命财产安全险情,要立即停工,同时即刻报告公司、业主、项目管理公司与监理,及时采取措施排除险情。9持证上岗制进场工人和调换工种的职工,必须按规定进行安全教育和技术培训,特殊工种必需持有...

1、当您付费下载文档后,您只拥有了使用权限,并不意味着购买了版权,文档只能用于自身使用,不得用于其他商业用途(如 [转卖]进行直接盈利或[编辑后售卖]进行间接盈利)。
2、本站所有内容均由合作方或网友上传,本站不对文档的完整性、权威性及其观点立场正确性做任何保证或承诺!文档内容仅供研究参考,付费前请自行鉴别。
3、如文档内容存在违规,或者侵犯商业秘密、侵犯著作权等,请点击“违规举报”。

碎片内容

京东方安全防护预案

您可能关注的文档

确认删除?
VIP
微信客服
  • 扫码咨询
会员Q群
  • 会员专属群点击这里加入QQ群
客服邮箱
回到顶部