电脑桌面
添加小米粒文库到电脑桌面
安装后可以在桌面快捷访问

如何做好生产计划与物料控制(DOC31页)VIP免费

如何做好生产计划与物料控制(DOC31页)_第1页
1/29
如何做好生产计划与物料控制(DOC31页)_第2页
2/29
如何做好生产计划与物料控制(DOC31页)_第3页
3/29
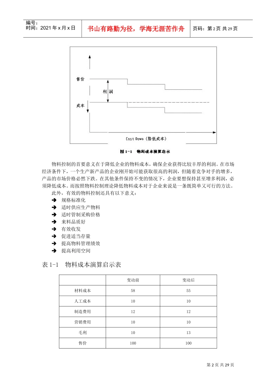
第1页共29页编号:时间:2021年x月x日书山有路勤为径,学海无涯苦作舟页码:第1页共29页第一讲物料控制管理概述生产计划与物料控制重要性对于一个现代化的公司来说,生产计划与物料控制非常重要。科学的管理理论认为,在生产计划与物料控制层面上,所有的PMC人员(即生产计划与物料控制人员)都是生产部门的上司。在一个建立了现代化管理制度的企业中,生产计划与物料控制应该是一个统筹部门;生产计划与物料控制层面的工作是所有生产进程的前提,如果生产计划与物料控制层面的工作进行得不够顺利,那么所有的生产流程都会受到延误。因此,现代企业要充分重视生产计划与物料控制工作的重要性,公司的组织架构、岗位职责、制度和流程都要围绕生产计划与物料控制来制定。物料管理部门的统筹作用具体体现在两个方面:其一,在产品研发过程中,物料管理部门要与研发部门相协调,同步参与研发过程。物料部门参与了研发过程,就会更明白产品的指标标准范例,更有利于采购工作;其二,物料部门可以督促研发部门的进度以便符合其排期要求。物料部门的统筹作用还体现在工程更改的时候,如果出现了工程更改的情况,物料部门有必要与研发部门沟通,譬如是否可以把呆料改作它料。物料管理范围和意义1.物料管理的范围物料管理包括三方面的内容:物料计划及物料控制、采购和仓储。传统管理理论认为,企业的生产计划同物料控制工作与采购工作存在巨大差别,因此应该由不同部门进行管理。但在实际工作中,企业管理人员会经常发现,生产计划与物料控制工作往往同采购工作存在冲突,采购部门的工作往往令生产计划与物料控制部门无法满意。要解决这个问题,需要对企业的组织架构进行调整。采购部门的工作一般分为两个部分:寻找供应商议价以及跟进采购工作。按照生产计划与物料控制理论,跟进采购单等采购工作应该从采购部门剥离出来,划入生产计划与物料控制部门管理。这样进行调整之后,就能够较好地解决物料控制工作与采购工作之间的冲突。传统企业组织架构的依据是部门的功能,而现代企业组织机构的依据是企业的生产流程。2.物料管理的意义第2页共29页编号:时间:2021年x月x日书山有路勤为径,学海无涯苦作舟页码:第2页共29页物料控制的首要意义在于降低企业的物料成本,确保企业获得比较丰厚的利润。在市场经济条件下,一个生产新产品的企业刚开始可能获取很高的利润,但随着竞争对手的增多,产品的市场价格必然下跌。在其他条件保持不变的情况下,企业要想保持甚至增多利润,必须降低成本。而按照物料控制理论降低物料成本对于企业来说是一条既简单又可行的方法。此外,有效的物料控制还具有以下意义:规格标准化适时供应生产物料适时管制采购价格来料品质好有效收发促进适当存量提高物料管理绩效提高利用空间表1-1物料成本演算启示表变动前变动后材料成本5855人工成本1010制造费用1212营销费用1010毛利1013售价100100第3页共29页编号:时间:2021年x月x日书山有路勤为径,学海无涯苦作舟页码:第3页共29页表1-2欲获得相同毛利可采取的手段材料成本-5%人工成本-30%制造费用-25%营销费用-30%营业收入+30%【表析】表1-1中,在其他成本不变的情况下,材料成本指数由58降为55,企业获得的毛利润即从10增加为13,即增加了30%;从表1-2的对比可以得出结论,如果要使企业营业收入(毛利润)增加30%,在其他成本不变的情况下,材料成本的减低幅度需要达到5%,人工成本的降低幅度需要达到30%,制造费用降低幅度需要达到25%,营销费用降低幅度需要达到30%。因此,降低材料成本对于企业来说难度最小,最为可行。物料规格标准化物料规格标准化是物料管理理论中一个很重要的概念。每一个管理概念或管理要求,都可以直接或间接量化成一个管理项目。每一个管理项目都应该对应一个管理目标值,而为了完成这个目标值,每一个管理项目还必须有相应的制度和流程。譬如规格标准化的四个要求,直接量化成一个管理项目,即物料的标准范例。物料的标准范例应该设定相应的目标值,为了达到目标值,企业的工程师和跟单员必须参与制度流程的制定,使制度流程能够细化。细节决定成败,物料管理制度及...

1、当您付费下载文档后,您只拥有了使用权限,并不意味着购买了版权,文档只能用于自身使用,不得用于其他商业用途(如 [转卖]进行直接盈利或[编辑后售卖]进行间接盈利)。
2、本站所有内容均由合作方或网友上传,本站不对文档的完整性、权威性及其观点立场正确性做任何保证或承诺!文档内容仅供研究参考,付费前请自行鉴别。
3、如文档内容存在违规,或者侵犯商业秘密、侵犯著作权等,请点击“违规举报”。

碎片内容

如何做好生产计划与物料控制(DOC31页)

中小学教育精品资料+ 关注
实名认证
内容提供者

中小学教育资料,优质文档创作者

确认删除?
VIP
微信客服
  • 扫码咨询
会员Q群
  • 会员专属群点击这里加入QQ群
客服邮箱
回到顶部