电脑桌面
添加小米粒文库到电脑桌面
安装后可以在桌面快捷访问

二厂设备副厂长岗岗位说明书VIP免费

二厂设备副厂长岗岗位说明书_第1页
1/4
二厂设备副厂长岗岗位说明书_第2页
2/4
二厂设备副厂长岗岗位说明书_第3页
3/4
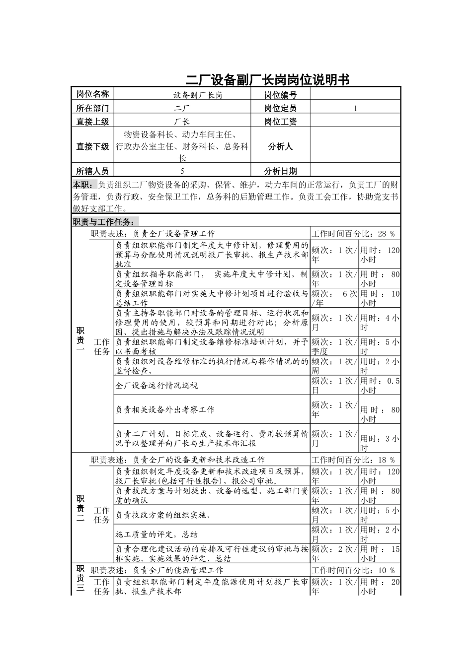
二厂设备副厂长岗岗位说明书岗位名称设备副厂长岗岗位编号所在部门二厂岗位定员1直接上级厂长岗位工资直接下级物资设备科长、动力车间主任、行政办公室主任、财务科长、总务科长分析人所辖人员5分析日期本职:负责组织二厂物资设备的采购、保管、维护,动力车间的正常运行,负责工厂的财务管理,负责行政、安全保卫工作,总务科的后勤管理工作。负责工会工作,协助党支书做好支部工作。职责与工作任务:职责一职责表述:负责全厂设备管理工作工作时间百分比:28%工作任务负责组织职能部门制定年度大中修计划,修理费用的预算与分配使用情况说明报厂长审批、报生产技术部批准频次:1次/年用时:120小时负责组织指导职能部门,实施年度大中修计划,制定设备管理目标频次:1次/年用时:80小时负责组织职能部门对实施大中修计划项目进行验收与总结工作频次:6次/年用时:10小时负责主持各职能部门对设备的管理目标、运行状况和修理费用的使用,较预算和同期进行对比;分析原因、提出措施与解决办法及跟踪情况说明频次:1次/月用时:4小时负责组织职能部门制定设备维修标准培训计划,并予以书面考核频次:1次/季度用时:5小时负责组织对设备维修标准的执行情况与操作情况的的监督检查,频次:1次/周用时:2小时全厂设备运行情况巡视频次:1次/日用时:0.5小时负责相关设备外出考察工作频次:1次/年用时:80小时负责二厂计划、目标完成、设备运行、费用较预算情况予以整理并向厂长与生产技术部汇报频次:1次/月用时:3小时职责二职责表述:负责全厂的设备更新和技术改造工作工作时间百分比:18%工作任务负责组织制定年度设备更新和技术改造项目及预算,报厂长审批(包括可行性报告),报公司审批。频次:1次/年用时:120小时负责技改方案与计划提出、设备的选型、施工部门资质的确认频次:1次/年用时:80小时负责技改方案的组织实施、频次:1次/月用时:5小时施工质量的评定,总结频次:1次/月用时:2小时负责合理化建议活动的安排及可行性建议的审批与按排实施、实施效果的评定、总结频次:2次/年用时:15小时职责三职责表述:负责全厂的能源管理工作工作时间百分比:10%工作任务负责组织职能部门制定年度能源使用计划报厂长审批、报生产技术部频次:1次/年用时:20小时负责组织职能部门制定年度能源管理目标、实施细则、考核标准频次:1次/年用时:15小时负责组织职能部门对各相关部门能源管理目标、实施细则、考核标准的制定情况进行检查频次:1次/月用时:3小时负责组织职能部门对各相关部门各自能源使用情况进行对比分析说明并较预定目标和同期进行对比;组织分析原因、提出措施与解决办法及跟踪情况说明频次:1次/月用时:1小时负责组织对各部门能源管理细则执行情况与使用情况进行监督检查,频次:1次/周用时:3小时负责二厂能源管理目标、实际完成较同期情况予以整理;向厂长与生产技术部汇报频次:1次/月用时:1小时职责四职责表述:负责设备方面质量体系认证工作的管理工作时间百分比:12%工作任务负责二厂设备质量管工作,符合质量体系文件内容要求,负责相关设备质量体系文件的整理、保管与销毁方面的管理工作;负责设备相关质量记录符合规定要求,负责质量方针和质量目标在设备管理过程中的贯彻执行;频次:1次/月用时:2小时负责组织对设备QC工程表执行情况的监督检查。频次:1次/周用时:3小时负责组织相关部门对设备QC质量管理工作的总结汇报频次:1次/月用时:3小时负责二厂相关设备QC质量管理工作的总结汇报频次:1次/月用时:1小时职责五职责表述:负责全厂的环保工作工作时间百分比:10%工作任务负责组织环保法的学习与在二厂生产活动中的贯彻执行频次:1次/季度用时:4小时负责二厂废水处理达标排放工作频次:2次/周用时:0.5小时负责二厂噪声符合管理标准要求频次:2次/周用时:0.5小时废水处理情况巡视频次:1次/周用时:0.5小时负责上述指标的持续改进,并负责与环保部门的及时沟通。频次:1次/月用时:1小时负责组织相关部门加强员工环保知识的培训与技能培训。频次:2次/年用时:5小时职责六职责表述:负责工厂的设备安全工作工作时间百分比:7%工作任务负责组织...

1、当您付费下载文档后,您只拥有了使用权限,并不意味着购买了版权,文档只能用于自身使用,不得用于其他商业用途(如 [转卖]进行直接盈利或[编辑后售卖]进行间接盈利)。
2、本站所有内容均由合作方或网友上传,本站不对文档的完整性、权威性及其观点立场正确性做任何保证或承诺!文档内容仅供研究参考,付费前请自行鉴别。
3、如文档内容存在违规,或者侵犯商业秘密、侵犯著作权等,请点击“违规举报”。

碎片内容

二厂设备副厂长岗岗位说明书

您可能关注的文档

确认删除?
VIP
微信客服
  • 扫码咨询
会员Q群
  • 会员专属群点击这里加入QQ群
客服邮箱
回到顶部