电脑桌面
添加小米粒文库到电脑桌面
安装后可以在桌面快捷访问

企业管理表格生产管理G纵表格VIP免费

企业管理表格生产管理G纵表格_第1页
1/10
企业管理表格生产管理G纵表格_第2页
2/10
企业管理表格生产管理G纵表格_第3页
3/10
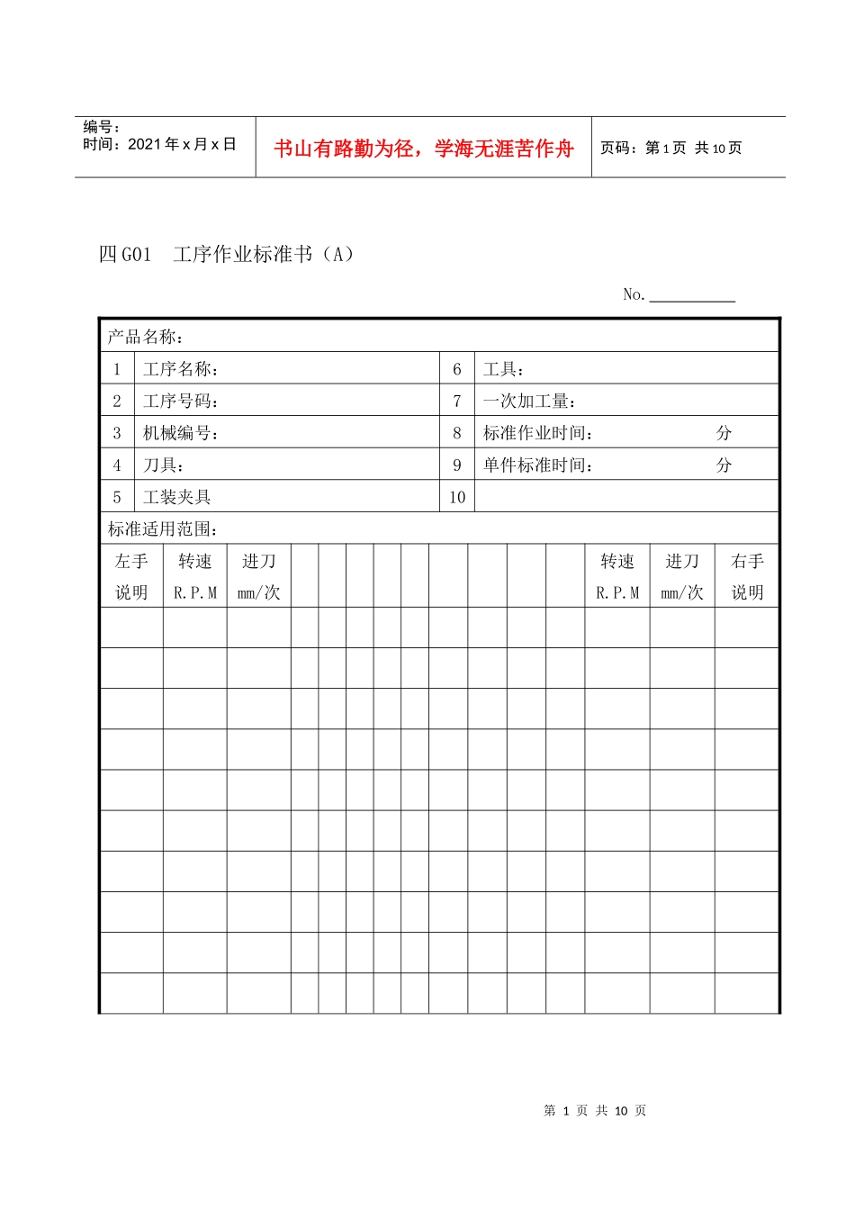
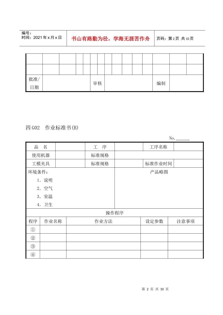
第1页共10页编号:时间:2021年x月x日书山有路勤为径,学海无涯苦作舟页码:第1页共10页四G01工序作业标准书(A)No.产品名称:1工序名称:6工具:2工序号码:7一次加工量:3机械编号:8标准作业时间:分4刀具:9单件标准时间:分5工装夹具10标准适用范围:左手说明转速R.P.M进刀mm/次转速R.P.M进刀mm/次右手说明第2页共10页第1页共10页编号:时间:2021年x月x日书山有路勤为径,学海无涯苦作舟页码:第2页共10页批准/日期审核编制四G02作业标准书(B)No.品名工序工序名称使用机器标准规格工模夹具标准规格标准作业时间环境条件:1.说明2.空气3.室温4.卫生产品略图操作程序程序作业名称作业方法设定参数注意事项①②③④第3页共10页第2页共10页编号:时间:2021年x月x日书山有路勤为径,学海无涯苦作舟页码:第3页共10页⑤⑥⑦⑧⑨⑩批准审核编制说明:1.作业标准书(SOP)每工序均应制订;2.随产品设计、作业方法、机器设备变更而修订。四G03时间研究用纸(正面)No.日期:制品型号工作场所略图作业要素时间工序号码①工序名称②使用机器③工、夹具④作业部门⑤作业者零件略图⑥作业者经验年⑦观测时间月日至月日⑧观测目的改善用标准用合计宽裕率%标准时间第4页共10页第3页共10页编号:时间:2021年x月x日书山有路勤为径,学海无涯苦作舟页码:第4页共10页时间研究用纸(背面)次数要素123456合计平均记事①②③④⑤⑥⑦合计主管:观测者:说明:1.本表适合机械业使用;2.时间研究的另一目的在于改善作业方法。四G04制程分析表No.作业名作业部门分析日期工序名称工程符号机器设备距离(m)标准时间(分)配置人员工程记录○→□△123第5页共10页第4页共10页编号:时间:2021年x月x日书山有路勤为径,学海无涯苦作舟页码:第5页共10页4567891011121314合计工程m分人分分分分说明:1.作为工程分析用;2.运用IE手法加以简化。四G05工程改善成果报告书(A)No.□工程改善□事务改善□日期:改善项目专案编号完成改善日期年月日第6页共10页第5页共10页编号:时间:2021年x月x日书山有路勤为径,学海无涯苦作舟页码:第6页共10页改善内容实施主管:预期成果改善成果实施主管:专案小组意见专案组组长:评估结论评估组长:厂长:主管:提出:第7页共10页第6页共10页编号:时间:2021年x月x日书山有路勤为径,学海无涯苦作舟页码:第7页共10页四G06工程改善成果报告书(B)No.部门:日期:主题起讫时间提出者配合人员现状资料:改善方法及措施:成果及结论:标准修订:会审部门技术部生技部品管部核示签名说明:1.针对工程问题点进行改善;2.运用改善手法。第8页共10页第7页共10页编号:时间:2021年x月x日书山有路勤为径,学海无涯苦作舟页码:第8页共10页四G07改善提案表No.案由提案日期年月日改善部门希望完成日期年月日类别提案依据现状□效率底品质不稳不安全浪费大□对策预期效果节省人工:节省物料:节省消耗:其他:提案部门最高主管主管经办管制编号承办部门受理日期分析结论实施方式作业预定进度设计预算发包施工费用工时材料其他合计批准:审核:提案人:第9页共10页第8页共10页编号:时间:2021年x月x日书山有路勤为径,学海无涯苦作舟页码:第9页共10页四G08研究及发展费用明细表月份:日期:分类项次项目摘要金额备注123456小计123456小计123456小计合计第10页共10页第9页共10页编号:时间:2021年x月x日书山有路勤为径,学海无涯苦作舟页码:第10页共10页

1、当您付费下载文档后,您只拥有了使用权限,并不意味着购买了版权,文档只能用于自身使用,不得用于其他商业用途(如 [转卖]进行直接盈利或[编辑后售卖]进行间接盈利)。
2、本站所有内容均由合作方或网友上传,本站不对文档的完整性、权威性及其观点立场正确性做任何保证或承诺!文档内容仅供研究参考,付费前请自行鉴别。
3、如文档内容存在违规,或者侵犯商业秘密、侵犯著作权等,请点击“违规举报”。

碎片内容

企业管理表格生产管理G纵表格

确认删除?
VIP
微信客服
  • 扫码咨询
会员Q群
  • 会员专属群点击这里加入QQ群
客服邮箱
回到顶部