电脑桌面
添加小米粒文库到电脑桌面
安装后可以在桌面快捷访问

5S活动办法实例VIP免费

5S活动办法实例_第1页
1/5
5S活动办法实例_第2页
2/5
5S活动办法实例_第3页
3/5
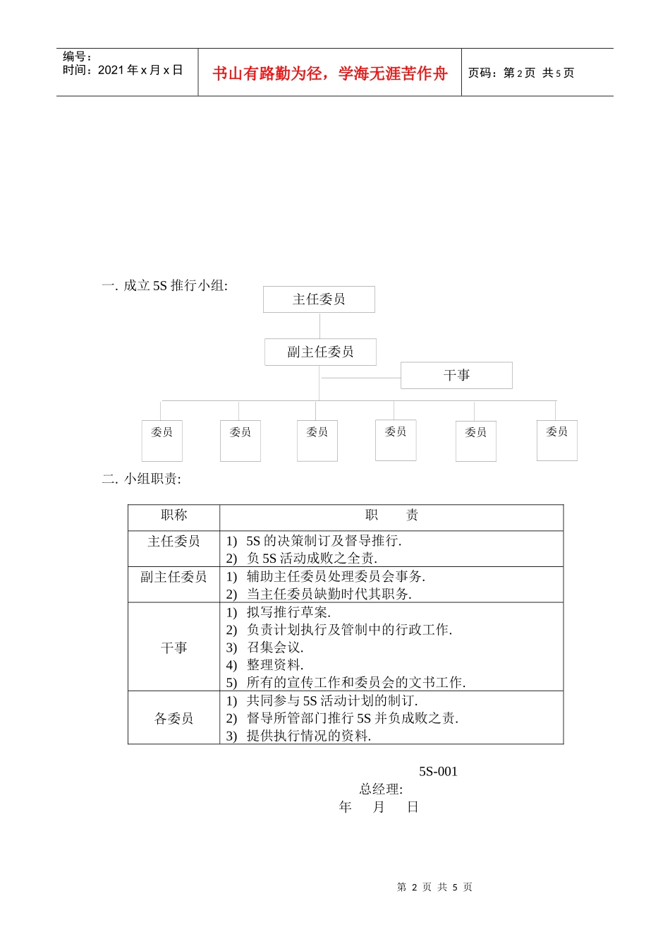
第1页共5页编号:时间:2021年x月x日书山有路勤为径,学海无涯苦作舟页码:第1页共5页“5S”的实施步骤序号阶段步骤内容进度计划一初步诊断建立组织宣传A.对现行5S之运作进行诊断出诊断报告B指导建立5S推行小姐,并明确职责(5S-001)C指导划分各单位之责任落实责任人(5S-002)D在公司门口及作业现场醒目处张贴标语宣传漫画等二拟定计划表,评分标准及竞赛办法A督导企业拟定5S活动计划进度表(5S-003)B指导企业拟定5S评分标准(5S-004)C指导企业拟定5S竞赛办法(5S-005)三全面展开5S活动A改善诊断报告中之问题B依教材所谈,照各责任区域展开5S活动四评核、改进及修订A确认首次诊断报告中问题的改善情况并提出新问题B改进不足,并依评分标准及竞赛办法进行日常检查及周期检查C将5S活动好的与差的摄影作成照片,张贴於公告栏,让全员周知D修订相关文件(如评分标准、竞赛办法等)五奖惩、总结及成果维持A在集体场合颁奖,并鼓励落后单位加油B总结前期5S推行情况,做出下期计划维持首期成果备注:咨询师每次去企业时可实施5S例行检查,找出问题,让企业改善.第2页共5页第1页共5页委员委员委员委员委员委员编号:时间:2021年x月x日书山有路勤为径,学海无涯苦作舟页码:第2页共5页一.成立5S推行小组:二.小组职责:职称职责主任委员1)5S的决策制订及督导推行.2)负5S活动成败之全责.副主任委员1)辅助主任委员处理委员会事务.2)当主任委员缺勤时代其职务.干事1)拟写推行草案.2)负责计划执行及管制中的行政工作.3)召集会议.4)整理资料.5)所有的宣传工作和委员会的文书工作.各委员1)共同参与5S活动计划的制订.2)督导所管部门推行5S并负成败之责.3)提供执行情况的资料.5S-001总经理:年月日主任委员副主任委员干事第3页共5页第2页共5页编号:时间:2021年x月x日书山有路勤为径,学海无涯苦作舟页码:第3页共5页5S活动计划进度表日期:年月日NO工作目标月月月月负责人1234567第4页共5页第3页共5页编号:时间:2021年x月x日书山有路勤为径,学海无涯苦作舟页码:第4页共5页89编制/日期审核/日期批准/日期生产线“5S”稽核标准(5S-004)一.目的:适用于“5S”的初步导入阶段,要求员工掌握“5S”的基本知识及其在生产线上的应用:项次检查项目得分检查状况1通道状况0堵塞,有垃圾杂物或很脏乱1虽能通行,但要避开2摆放物品超出通道3畅通,但有零星杂物4很畅通,又整洁2备料区状况0杂乱无章,前一天的料未退1当天全天的备料2当天半天的备料,摆放超线3当天半天的备料,备料时间有标识,摆放不超线4当天半天的备料,备料时间有标识,摆放成直角、直线,胶筐高度不超过2层,纸箱不超过3层,洁净.3作业现场1不良品与良品有标识区分1作业桌面清洁干净1椅子边缘与作业区枰,整齐摆放1无包装杂物1工具有标识,定位摆放4包装区域0无分门别类,同类物品异地摆放且混乱1分类放置,但无轻重,大小区分2大里,小外,轻上,重下区分,但无规格尺寸3规格尺寸,顺序排序,但无明确示签,标示4标示明确,一目了解,先入先出有序第5页共5页第4页共5页编号:时间:2021年x月x日书山有路勤为径,学海无涯苦作舟页码:第5页共5页5仪表仪容0不修边幅又脏1头发,胡须过长2上两场,其中一项有缺点3均依规定整理4感觉精神有活力6时间观念0大部分人缺乏时间观念1稍有时间观念,开会迟到的很多2不愿时间约束,但会尽力去做3约定时间会全力去做4约定时间会提早去做好7办公桌上下及抽屉0不使用的物品杂乱1角落放置不必要的东西2一周内要用,但过量3当日使用,但过量4桌面及抽屉内均最低限度,且整齐.项次检查项目得分检查状况8日常5S活动0没有活动1虽有清洁清扫工作,但非5S计划性工作2开会有对5S宣导3平常做能够做得到的4活动热烈,大家均有感受9地面0有油或水1油渍或水渍显示得很不干净2不是很平3经常清理,没有脏物4地面干净亮丽,感觉舒服.10搬运及叉车1有责任标识1无破损处1车轮正常,无垃圾附着物1摆放场所有标识1搬运箱没有附着垃圾,粉屑.

1、当您付费下载文档后,您只拥有了使用权限,并不意味着购买了版权,文档只能用于自身使用,不得用于其他商业用途(如 [转卖]进行直接盈利或[编辑后售卖]进行间接盈利)。
2、本站所有内容均由合作方或网友上传,本站不对文档的完整性、权威性及其观点立场正确性做任何保证或承诺!文档内容仅供研究参考,付费前请自行鉴别。
3、如文档内容存在违规,或者侵犯商业秘密、侵犯著作权等,请点击“违规举报”。

碎片内容

5S活动办法实例

确认删除?
VIP
微信客服
  • 扫码咨询
会员Q群
  • 会员专属群点击这里加入QQ群
客服邮箱
回到顶部