电脑桌面
添加小米粒文库到电脑桌面
安装后可以在桌面快捷访问

胶粉聚苯颗粒外保温施工技术规范VIP免费

胶粉聚苯颗粒外保温施工技术规范_第1页
1/12
胶粉聚苯颗粒外保温施工技术规范_第2页
2/12
胶粉聚苯颗粒外保温施工技术规范_第3页
3/12
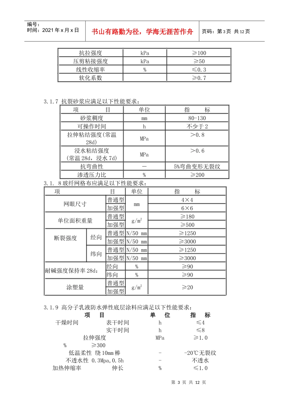
第1页共12页编号:时间:2021年x月x日书山有路勤为径,学海无涯苦作舟页码:第1页共12页胶粉聚苯颗粒外保温施工技术规范外墙外保温施工技术规程(胶粉聚苯颗粒保温浆料玻纤网格布抗裂砂浆做法)标题内容::1.总则2.术语3.施工准备:3.1材料,3.2工具与机具;3.3材料配制3.4作业条件4.施工工艺:4.1施工程序;4.2施工要点5.质量检验及标准5.1主控项目;5.2一般项目;5.3允许偏差6.成品保护及安全注意事项1总则1.0.1为贯彻国家节能政策及《民用建筑节能设计标准(采暖居住建筑部分)北京地区及河北地区实施细则》DBJ01-602-97,统一施工做法,保证施工质量,制定本规程。1.0.2本规程规定了胶粉聚苯颗粒保温浆料玻纤网格布抗裂砂浆保温体系(简称胶粉聚苯颗粒保温浆料体系)在外墙外保温工程中的做法。适用于多层及120米以下的高层建筑混凝土、小型混凝土空心砌块、非粘土砖和烧结砖砌筑的外墙外保温工程及同类基层既有建筑的节能改造工程,其基本构造见表1.0.2。外墙聚苯颗粒保温浆料体系外墙外保温做法基本构造界面层保温层抗裂保护层饰面基层构造示意混凝土、小型混凝土空心砌块、非粘土砖和烧结砖等界面砂浆胶粉聚苯颗粒保温浆料(高度≤30m时,按一般做法;高度>30m时,按加强做法)聚合物改性水泥抗裂砂浆压入涂塑玻纤网格布,面层涂高分子乳液防水弹性底层涂料柔性耐水腻子一般作法加强作法1.0.3外墙保温层厚度:应符合《民用建筑节能设计标准(采暖居住建筑部分),北京及河北地区实施细则》(DBJ01-602-97)的规定并由设计按要求确定。1.0.4除遵守本规程外,尚应符合国家及本市现行的有关标准的规定。2术语2.0.1胶粉聚苯颗粒保温浆料胶粉聚苯颗粒保温浆料由胶粉料与聚苯颗粒组成,两种材料分袋包装,使用时按比例加水搅拌制成。第2页共12页第1页共12页编号:时间:2021年x月x日书山有路勤为径,学海无涯苦作舟页码:第2页共12页2.0.2聚合物改性水泥抗裂砂浆(简称抗裂砂浆)采用聚合物乳液并掺加多种外加剂生产的抗裂剂与水泥、中砂按一定重量比搅拌制成。2.0.3耐碱涂塑玻璃纤维网格布(简称玻纤网格布)采用耐碱玻璃纤维编织,面层涂以耐碱防水高分子材料制成。分普通型和加强型。2.0.4高分子乳液防水弹性底层涂料采用高分子弹性乳液配制而成,应具有良好的防水性能。2.0.5柔性耐水腻子采用弹性乳液及粉料、助剂等制成,能够满足一定变形而保持不开裂,并符合JG/T3049-1998中耐水腻子(N型)的规定。2.0.6胶粉聚苯颗粒保温浆料玻纤网格布抗裂砂浆保温体系(简称胶粉聚苯颗粒保温浆料体系)由胶粉聚苯颗粒保温浆料抗裂保护层及饰面层组成的保温构造系统。3施工准备3.1.1水泥:强度等级42.5普通硅酸盐水泥,应符合GB175-1999《硅酸盐水泥、普通硅酸盐水泥》的规定。3.1.2中砂:应符合JGJ52-92《普通混凝土用砂质量标准及检验方法》的规定,筛除大于2.5mm颗粒,含泥量少于3%。3.1.3界面处理剂:界面处理剂应符合DBJ/T01-40-98《建筑用界面处理剂应用技术规程》的规定。3.1.4胶粉料应满足以下性能指标:项目单位指标初凝时间h≥4终凝时间h≤12安定性(蒸煮法)合格拉伸粘结强度(常温28d)MPa≥0.6浸水拉伸粘结强度(常温28d,浸水7d)MPa≥0.43.1.5聚苯颗粒应满足以下性能指标项目单位指标堆积密度kg/m312.0~21.0粒度(5mm筛孔筛余)%≤53.1.6胶粉聚苯颗粒保温浆料应满足以下性能指标:项目单位指标湿表观密度kg/m3≤420干表观密度kg/m3≤230导热系数W/m·k≤0.059压缩强度kPa≥250难燃性B1级第3页共12页第2页共12页编号:时间:2021年x月x日书山有路勤为径,学海无涯苦作舟页码:第3页共12页抗拉强度kPa≥100压剪粘接强度kPa≥50线性收缩率%≤0.3软化系数≥0.73.1.7抗裂砂浆应满足以下性能要求:项目单位指标砂浆稠度mm80-130可操作时间h不少于2拉伸粘结强度(常温28d)MPa>0.8浸水粘结强度(常温28d,浸水7d)MPa>0.6抗弯曲性-5%弯曲变形无裂纹渗透压力比%≥2003.1.8玻纤网格布应满足以下性能要求:项目单位指标网眼尺寸普通型mm4×4加强型6×6单位面积重量普通型g/m2≥180加强型≥500断裂强度经向普通型N/50mm≥1250加强型N/50mm≥3000纬向普通型N/50mm≥1250加强型N/50mm≥3000耐碱强度保持率2...

1、当您付费下载文档后,您只拥有了使用权限,并不意味着购买了版权,文档只能用于自身使用,不得用于其他商业用途(如 [转卖]进行直接盈利或[编辑后售卖]进行间接盈利)。
2、本站所有内容均由合作方或网友上传,本站不对文档的完整性、权威性及其观点立场正确性做任何保证或承诺!文档内容仅供研究参考,付费前请自行鉴别。
3、如文档内容存在违规,或者侵犯商业秘密、侵犯著作权等,请点击“违规举报”。

碎片内容

胶粉聚苯颗粒外保温施工技术规范

您可能关注的文档

确认删除?
VIP
微信客服
  • 扫码咨询
会员Q群
  • 会员专属群点击这里加入QQ群
客服邮箱
回到顶部