电脑桌面
添加小米粒文库到电脑桌面
安装后可以在桌面快捷访问

已修改鄯善合达星安全现状评价VIP免费

已修改鄯善合达星安全现状评价_第1页
1/98
已修改鄯善合达星安全现状评价_第2页
2/98
已修改鄯善合达星安全现状评价_第3页
3/98
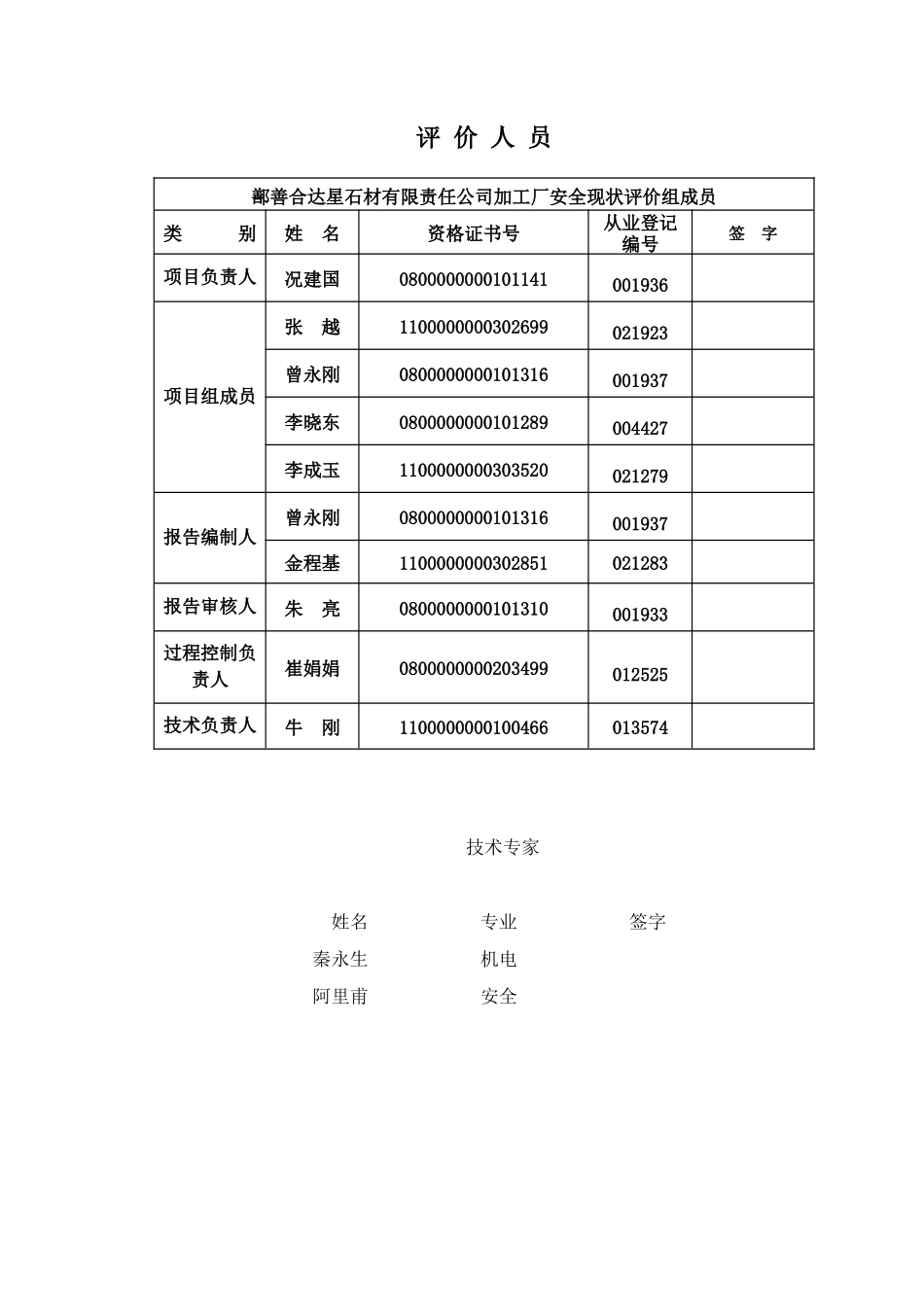
鄯善合达星石材有限责任公司石材加工厂安全现状评价报告法定代表人:蒋绿强技术负责人:牛刚项目负责人:张越乌鲁木齐泰迪安全技术有限责任公司二零一二年十二月评价人员鄯善合达星石材有限责任公司加工厂安全现状评价组成员类别姓名资格证书号从业登记编号签字项目负责人况建国0800000000101141001936项目组成员张越1100000000302699021923曾永刚0800000000101316001937李晓东0800000000101289004427李成玉1100000000303520021279报告编制人曾永刚0800000000101316001937金程基1100000000302851021283报告审核人朱亮0800000000101310001933过程控制负责人崔娟娟0800000000203499012525技术负责人牛刚1100000000100466013574技术专家姓名专业签字秦永生机电阿里甫安全前言鄯善合达星石材有限责任公司石材加工厂位于鄯善县城西石材工业园区,占地面约21亩,建筑面积约3990m2,总投资为350万元,年加工花岗岩石板材约7万㎡,行政区划隶属于鄯善县管辖。鄯善合达星石材有限责任公司石材加工厂为加强安全生产管理,建立、健全安全生产责任制度,完善安全生产条件,确保安全生产,防止和减少生产安全事故,保障企业员工生命和财产安全,促进经济发展,特委托我公司对鄯善合达星石材有限责任公司石材加工厂进行安全现状评价。根据《安全评价通则》(AQ8001-2007)和其他有关法律法规的要求,我公司抽调专业技术与评价人员组成了鄯善合达星石材有限责任公司石材加工厂安全现状评价小组,并于2012年11月18日赴石材加工厂进行了现场检查和资料收集,并与生产现场的领导和作业人员进行了交流,指出鄯善县合达星石材有限责任公司石材加工厂存在的主要危险隐患并督促尽快整改。为了保证评价报告准确、客观、公正反映鄯善合达星石材有限责任公司石材加工厂生产现状,由我公司领导与评价小组组织技术专家、专业技术与评价人员针对该加工厂的评价工作召开专题会议,对编写该加工厂安全现状评价报告制定了评价提纲与原则要求。该评价报告编写中经过了项目负责人、技术负责人、过程控制负责人多次审核与修改。为及时通告在安全现状评价中发现的重大隐患和预防伤亡事故危害,帮助石材加工厂及时整改存在的主要危险隐患,评价人员在现场调查及报告撰写过程中,对石材加工厂主要危险隐患与问题提出了初步整改意见与措施,并进行了及时反馈,以帮助石材加工厂进行整改,改善安全生产状况,使石材加工厂具备安全生产条件。第一章评价目的、范围及依据1.1评价目的为贯彻“安全第一,预防为主”的方针,提高企业安全管理水平,控制生产中的危险、有害因素,预防事故发生,保护企业的财产安全及人员健康和生命安全。本次安全现状评价的目的:1)通过对该厂生产过程(包括工艺过程、工艺设备、操作条件、物料种类、公用设施)、职业卫生及安全管理工作进行科学分析,用科学的分析方法对实际生产中存在的主要危险、有害因素逐一进行辨识与分析并进行定性、定量评价,查找企业存在的危险、有害因素,确定其危害程度。2)为实现企业安全生产,减少事故发生,保障生产作业人员身心健康,针对评价发现的事故隐患,为企业提供相应的对策措施和建议。3)为改善职工劳动环境、保护职工身体健康提供科学依据。防止和减少职业病给企业职工带来的危害。4)为促进企业安全管理系统化,形成安全教育、日常检查、操作维修等完整的安全管理体系。5)为安全生产监督管理部门实施监督管理提供参考意见。6)促进企业安全、文明生产,发挥企业开发建设的投资效益。1.2评价原则1)安全评价中始终贯彻突出重点、兼顾其他的原则。2)贯彻国家劳动安全卫生法规及有关方针政策,坚持评价工作为生产服务的指导思想。3)注重评价的针对性、科学性、严肃性、公正性和权威性。4)评价要做到评价报告的实用性,为企业提出科学合理的建议,为安全监督管理部门监管提供科学的依据。1.3评价依据1.3.1法律法规序号国家法律、法规、条例名称发布时间或实行时间1中华人民共和国安全生产法2002.6.292中华人民共和国劳动法1994.7.53中华人民共和国职业病防治法2011.12.314中华人民共和国消防法2009.5.15中华人民共和国环境保护法1998.12.267特种设备安全监...

1、当您付费下载文档后,您只拥有了使用权限,并不意味着购买了版权,文档只能用于自身使用,不得用于其他商业用途(如 [转卖]进行直接盈利或[编辑后售卖]进行间接盈利)。
2、本站所有内容均由合作方或网友上传,本站不对文档的完整性、权威性及其观点立场正确性做任何保证或承诺!文档内容仅供研究参考,付费前请自行鉴别。
3、如文档内容存在违规,或者侵犯商业秘密、侵犯著作权等,请点击“违规举报”。

碎片内容

已修改鄯善合达星安全现状评价

中小学教育精品资料+ 关注
实名认证
内容提供者

中小学教育资料,优质文档创作者

确认删除?
VIP
微信客服
  • 扫码咨询
会员Q群
  • 会员专属群点击这里加入QQ群
客服邮箱
回到顶部