电脑桌面
添加小米粒文库到电脑桌面
安装后可以在桌面快捷访问

装饰工程现场复尺单范本VIP免费

装饰工程现场复尺单范本_第1页
1/24
装饰工程现场复尺单范本_第2页
2/24
装饰工程现场复尺单范本_第3页
3/24
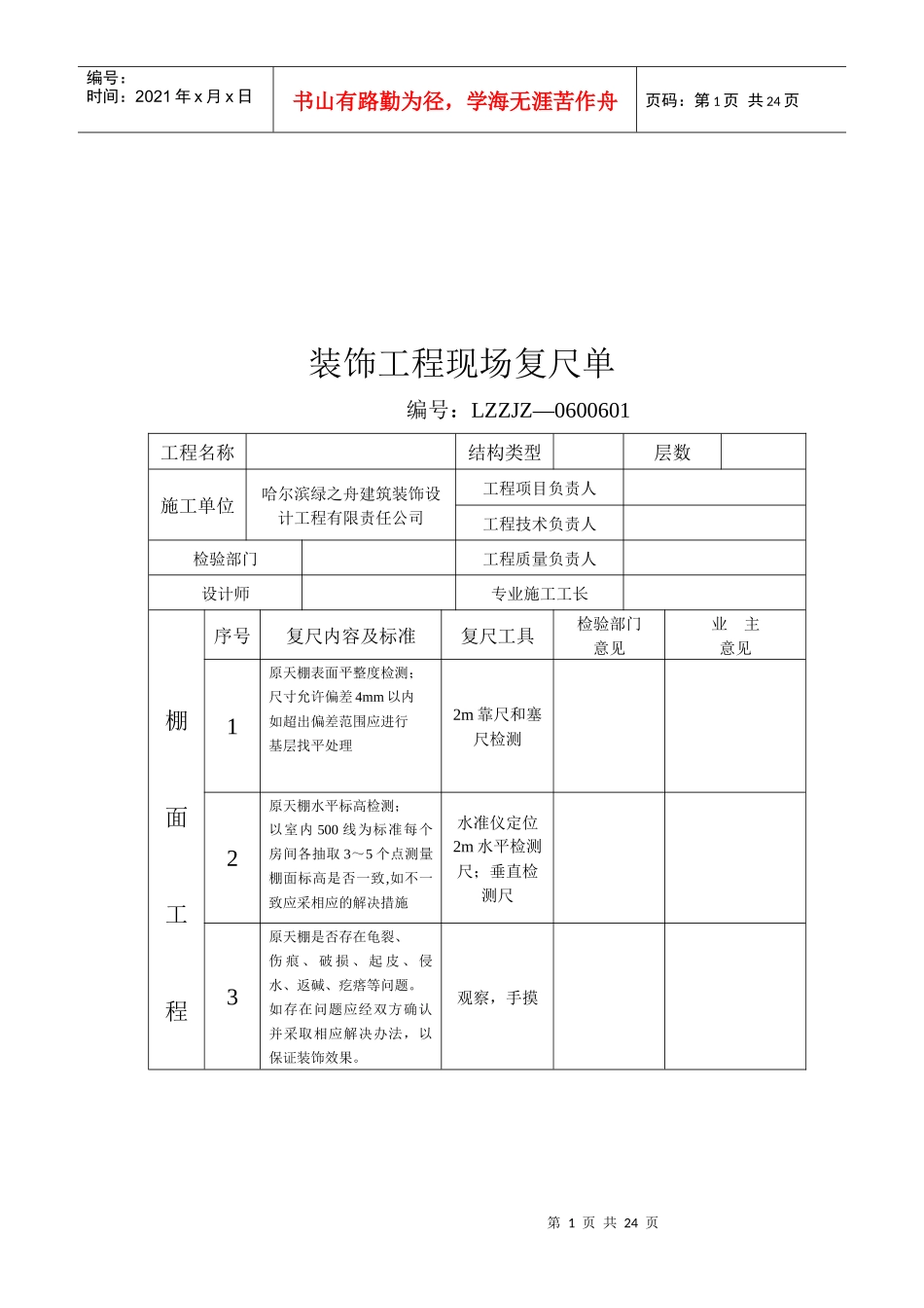
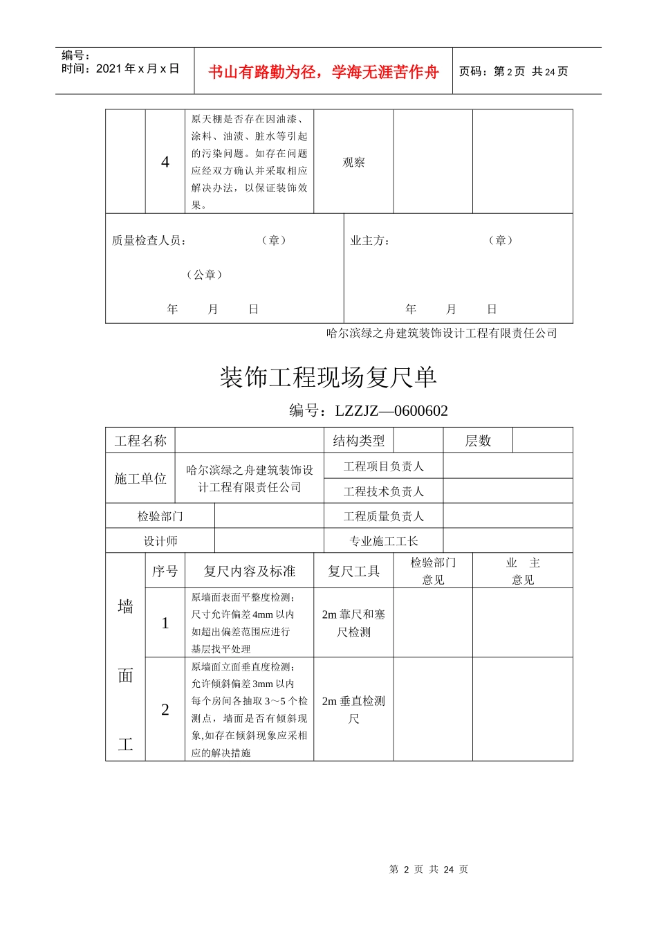
第1页共24页编号:时间:2021年x月x日书山有路勤为径,学海无涯苦作舟页码:第1页共24页装饰工程现场复尺单编号:LZZJZ—0600601工程名称结构类型层数施工单位哈尔滨绿之舟建筑装饰设计工程有限责任公司工程项目负责人工程技术负责人检验部门工程质量负责人设计师专业施工工长棚面工程序号复尺内容及标准复尺工具检验部门意见业主意见1原天棚表面平整度检测;尺寸允许偏差4mm以内如超出偏差范围应进行基层找平处理2m靠尺和塞尺检测2原天棚水平标高检测;以室内500线为标准每个房间各抽取3~5个点测量棚面标高是否一致,如不一致应采相应的解决措施水准仪定位2m水平检测尺;垂直检测尺3原天棚是否存在龟裂、伤痕、破损、起皮、侵水、返碱、疙瘩等问题。如存在问题应经双方确认并采取相应解决办法,以保证装饰效果。观察,手摸第2页共24页第1页共24页编号:时间:2021年x月x日书山有路勤为径,学海无涯苦作舟页码:第2页共24页4原天棚是否存在因油漆、涂料、油渍、脏水等引起的污染问题。如存在问题应经双方确认并采取相应解决办法,以保证装饰效果。观察质量检查人员:(章)(公章)年月日业主方:(章)年月日哈尔滨绿之舟建筑装饰设计工程有限责任公司装饰工程现场复尺单编号:LZZJZ—0600602工程名称结构类型层数施工单位哈尔滨绿之舟建筑装饰设计工程有限责任公司工程项目负责人工程技术负责人检验部门工程质量负责人设计师专业施工工长墙面工序号复尺内容及标准复尺工具检验部门意见业主意见1原墙面表面平整度检测;尺寸允许偏差4mm以内如超出偏差范围应进行基层找平处理2m靠尺和塞尺检测2原墙面立面垂直度检测;允许倾斜偏差3mm以内每个房间各抽取3~5个检测点,墙面是否有倾斜现象,如存在倾斜现象应采相应的解决措施2m垂直检测尺第3页共24页第2页共24页编号:时间:2021年x月x日书山有路勤为径,学海无涯苦作舟页码:第3页共24页程3原墙面是否存在龟裂、伤痕、破损、起皮、侵水、返碱、疙瘩等问题。如有因油漆、涂料、油渍、脏水等引起的污染问题。如存在问题应经双方确认并采取相应解决办法,以保证装饰效果。观察,手摸4原墙面与其交接面接口处阴阳角方正检测尺寸允许偏差4mm以内如超出偏差范围应进行基层找平处理直角检测尺质量检查人员:(章)(公章)年月日业主方:(章)年月日哈尔滨绿之舟建筑装饰设计工程有限责任公司装饰工程现场复尺单编号:LZZJZ—0600603工程名称结构类型层数施工单位哈尔滨绿之舟建筑装饰设计工程有限责任公司工程项目负责人工程技术负责人检验部门工程质量负责人设计师专业施工工长地序号复尺内容及标准复尺工具检验部门意见业主意见1原地面表面平整度检测;尺寸允许偏差4mm以内每个房间各抽取3~5个检测点,如超出偏差范围应进行基层找平处理2m靠尺和塞尺检测第4页共24页第3页共24页编号:时间:2021年x月x日书山有路勤为径,学海无涯苦作舟页码:第4页共24页面工程2原地面水平标高检测;以室内500线为标准每个房间各抽取5~7个点测量棚面标高是否一致,如不一致应采相应的解决措施水准仪定位2m水平检测尺;垂直检测尺3地热管线检测试验施工前应对地热管线进行给水复检。如有泄漏堵涨等现象应经双方确认并及时采取相应解决办法时间:哈市(5月~次年10月)观察质量检查人员:(章)(公章)年月日业主方:(章)年月日哈尔滨绿之舟建筑装饰设计工程有限责任公司装饰工程现场复尺单编号:LZZJZ—0600604工程名称结构类型层数施工单位哈尔滨绿之舟建筑装饰设计工程有限责任公司工程项目负责人工程技术负责人检验部门工程质量负责人设计师专业施工工长序号复尺内容及标准复尺工具检验部门意见业主意见第5页共24页第4页共24页编号:时间:2021年x月x日书山有路勤为径,学海无涯苦作舟页码:第5页共24页门窗工程1门窗扇与上边框缝隙检测留缝限值1~2mm以内门窗扇与侧边框缝隙检测留缝限值1~2.5mm以内窗扇与下边框缝隙检测留缝限值2~3mm以内如超出限值应打胶处理或采用其他方法处理钢尺检查2门窗槽口正、侧面垂直度尺寸允许偏差3mm以内如超出偏差范围应进行基层找平处理1m垂直检测尺3门窗槽口水平度尺寸允许偏差3mm以内如超出偏差范围应进行基层找...

1、当您付费下载文档后,您只拥有了使用权限,并不意味着购买了版权,文档只能用于自身使用,不得用于其他商业用途(如 [转卖]进行直接盈利或[编辑后售卖]进行间接盈利)。
2、本站所有内容均由合作方或网友上传,本站不对文档的完整性、权威性及其观点立场正确性做任何保证或承诺!文档内容仅供研究参考,付费前请自行鉴别。
3、如文档内容存在违规,或者侵犯商业秘密、侵犯著作权等,请点击“违规举报”。

碎片内容

装饰工程现场复尺单范本

您可能关注的文档

确认删除?
VIP
微信客服
  • 扫码咨询
会员Q群
  • 会员专属群点击这里加入QQ群
客服邮箱
回到顶部