电脑桌面
添加小米粒文库到电脑桌面
安装后可以在桌面快捷访问

广西高等学校安全文明校园建设检查评估标准VIP免费

广西高等学校安全文明校园建设检查评估标准_第1页
1/16
广西高等学校安全文明校园建设检查评估标准_第2页
2/16
广西高等学校安全文明校园建设检查评估标准_第3页
3/16
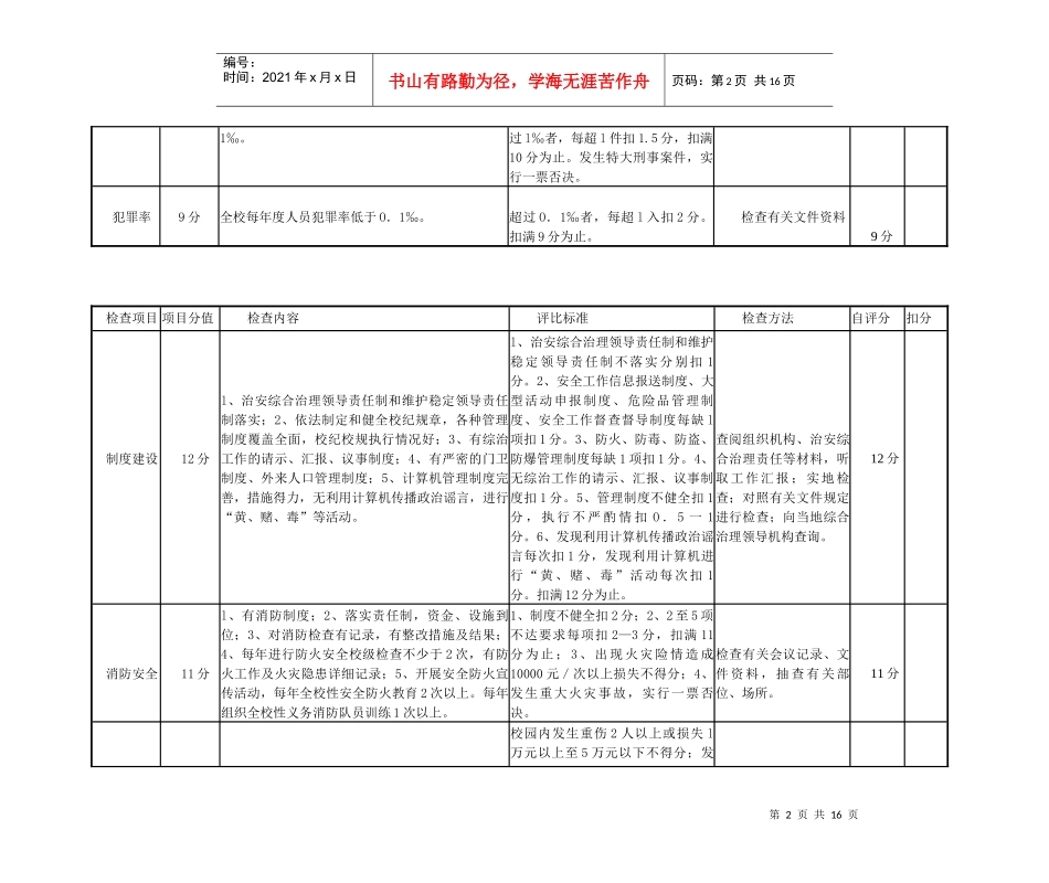
第1页共16页编号:时间:2021年x月x日书山有路勤为径,学海无涯苦作舟页码:第1页共16页附件一广西高等学校安全文明校园建设检查评估标准(满分400分)一、校园治安(120分)自评392分检查项目项目分值检查内容评比标准检查方法自评分扣分组织领导lO分l、安全稳定工作列入学校党政工作计划;校党委、行政每年至少两次研究安全稳定工作;2、学校成立安全稳定工作领导机构,确定分管领导;3、落实安全稳定责任书,层层签订安全稳定责任书;4、保卫部门经费落实,列入学校财务年度经费预算。l项不达要求扣2.5分,扣满lO分为止。检查财务档案,学校有关文件、会议记录等资料。10分组织机构10分1、设立专门保卫、综治机构,各基层单位有综治、安全工作专(兼)职负责人;2、保卫组织机构为系(院)级建制;3、保卫部门每年有工作计划和总结;4、处务会制度化,考核奖惩制度化、文书档案管理规范化。第l项不达要求扣1分,第2至第4项不达要求每项扣2-3分,扣满10分为止。10分基础建设10分l、保卫部门交通、通信、网络及必要的办公设备落实到位;2、校园内有专职保卫人员巡逻;3、教学区无乱经商摊点;4、有处置突发事件预案;5、重点防范部位明确,定人定位定责,有技术预防措施;6、校园内设有必要的交通标志;7、自行车定点整齐停放。第1至第4项不达要求每项扣1分,第5、6项不达要求扣2-3分,扣满lO分为止。检查文件资料、实地检查9分-1分政治性案件11分l、无罢课、罢工、罢教等现象发生;2、无群体闹事、集体上访、请愿等事件发生。发现有一次扣2-3分,扣满11分为止。发生重大政治性案件实行一票否决。查阅学校文件、会议记录等资料;召开有关部门和人员座谈会。11分治安刑事案件10分l、校园内当年案发情况:治安案件低于5‰;2、一般刑事案件低于2‰;3、重大刑事案件低于发现有一项不达标扣I-2分,其中第一项超过5‰者,每超l件扣0.5分;第二项超过2‰者,每超l件扣1分;第三项超检阅有关报案记录10分第2页共16页第1页共16页编号:时间:2021年x月x日书山有路勤为径,学海无涯苦作舟页码:第2页共16页1‰。过l‰者,每超l件扣1.5分,扣满10分为止。发生特大刑事案件,实行一票否决。犯罪率9分全校每年度人员犯罪率低于O.1‰。超过O.1‰者,每超l入扣2分。扣满9分为止。检查有关文件资料9分检查项目项目分值检查内容评比标准检查方法自评分扣分制度建设12分l、治安综合治理领导责任制和维护稳定领导责任制落实;2、依法制定和健全校纪规章,各种管理制度覆盖全面,校纪校规执行情况好;3、有综治工作的请示、汇报、议事制度;4、有严密的门卫制度、外来人口管理制度;5、计算机管理制度完善,措施得力,无利用计算机传播政治谣言,进行“黄、赌、毒”等活动。l、治安综合治理领导责任制和维护稳定领导责任制不落实分别扣1分。2、安全工作信息报送制度、大型活动申报制度、危险品管理制度、安全工作督查督导制度每缺l项扣1分。3、防火、防毒、防盗、防爆管理制度每缺1项扣1分。4、无综治工作的请示、汇报、议事制度扣1分。5、管理制度不健全扣1分,执行不严酌情扣O.5一1分。6、发现利用计算机传播政治谣言每次扣1分,发现利用计算机进行“黄、赌、毒”活动每次扣1分。扣满12分为止。查阅组织机构、治安综合治理责任等材料,听取工作汇报;实地检查;对照有关文件规定进行检查;向当地综合治理领导机构查询。12分消防安全11分l、有消防制度;2、落实责任制,资金、设施到位;3、对消防检查有记录,有整改措施及结果;4、每年进行防火安全校级检查不少于2次,有防火工作及火灾隐患详细记录;5、开展安全防火宣传活动,每年全校性安全防火教育2次以上。每年组织全校性义务消防队员训练1次以上。1、制度不健全扣2分;2、2至5项不达要求每项扣2—3分,扣满11分为止;3、出现火灾险情造成10000元/次以上损失不得分;4、发生重大火灾事故,实行一票否决。检查有关会议记录、文件资料,抽查有关部位、场所。11分校园内发生重伤2人以上或损失l万元以上至5万元以下不得分;发第3页共16页第2页共16页编号:时间:2021年x月x日书山有路勤为径,学海无涯苦作舟页码:第3页共16页治安灾害事故9分l、治...

1、当您付费下载文档后,您只拥有了使用权限,并不意味着购买了版权,文档只能用于自身使用,不得用于其他商业用途(如 [转卖]进行直接盈利或[编辑后售卖]进行间接盈利)。
2、本站所有内容均由合作方或网友上传,本站不对文档的完整性、权威性及其观点立场正确性做任何保证或承诺!文档内容仅供研究参考,付费前请自行鉴别。
3、如文档内容存在违规,或者侵犯商业秘密、侵犯著作权等,请点击“违规举报”。

碎片内容

广西高等学校安全文明校园建设检查评估标准

中小学教育精品资料+ 关注
实名认证
内容提供者

中小学教育资料,优质文档创作者

确认删除?
VIP
微信客服
  • 扫码咨询
会员Q群
  • 会员专属群点击这里加入QQ群
客服邮箱
回到顶部