电脑桌面
添加小米粒文库到电脑桌面
安装后可以在桌面快捷访问

某省水利施工企业安全生产标准化表格VIP免费

某省水利施工企业安全生产标准化表格_第1页
1/78
某省水利施工企业安全生产标准化表格_第2页
2/78
某省水利施工企业安全生产标准化表格_第3页
3/78
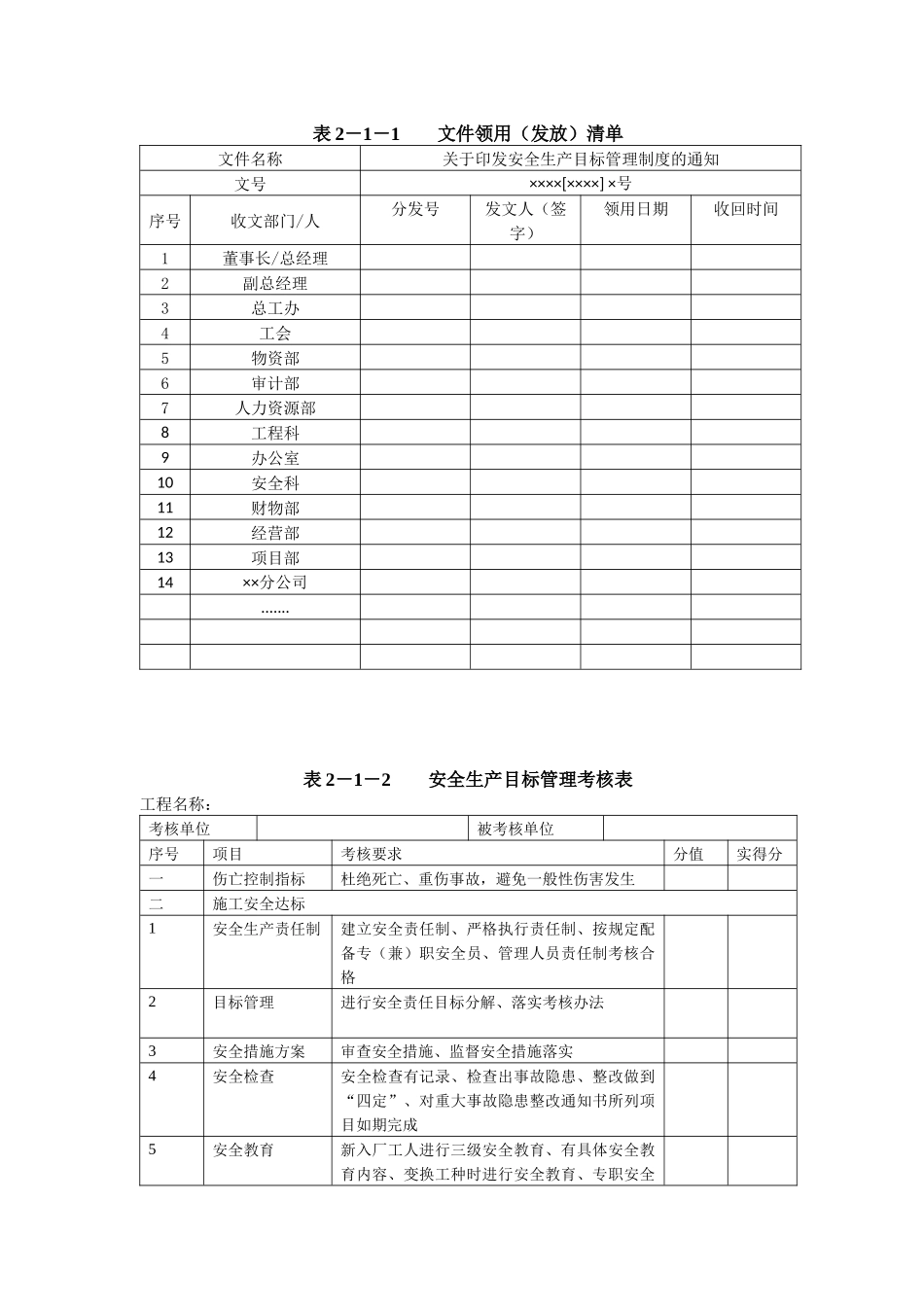
表2-1-1文件领用(发放)清单文件名称关于印发安全生产目标管理制度的通知文号××××[××××]×号序号收文部门/人分发号发文人(签字)领用日期收回时间1董事长/总经理2副总经理3总工办4工会5物资部6审计部7人力资源部8工程科9办公室10安全科11财物部12经营部13项目部14××分公司.......表2-1-2安全生产目标管理考核表工程名称:考核单位被考核单位序号项目考核要求分值实得分一伤亡控制指标杜绝死亡、重伤事故,避免一般性伤害发生二施工安全达标1安全生产责任制建立安全责任制、严格执行责任制、按规定配备专(兼)职安全员、管理人员责任制考核合格2目标管理进行安全责任目标分解、落实考核办法3安全措施方案审查安全措施、监督安全措施落实4安全检查安全检查有记录、检查出事故隐患、整改做到“四定”、对重大事故隐患整改通知书所列项目如期完成5安全教育新入厂工人进行三级安全教育、有具体安全教育内容、变换工种时进行安全教育、专职安全员按规定进行年度培训考核或考核合格6特种作业持证上岗特种作业人员均经培训后从事特种作业、特种作业人员持操作证上岗7工伤事故工伤事故按规定报告、工伤事故按事故调查分析规定处理、建立工伤事故档案8安全标志有现场安全标志布置总平面图、现场安全标志按总平面图设置...三文明(创优)施工目标1封闭管理门卫和门卫制度、进入现场佩戴工作卡2现场防火动火审核、动火监护管理3治安综合治理建立治安保卫制度并进行责任分解、治安防范措施4施工现场标牌五牌一图设置、安全标牌...检查合计分考核结果:考核负责人:考核日期:说明:本表一式份,由项目法人填写。项目法人、监理机构、施工单位各一份,用于考核施工单位安全生产目标完成情况。表中考核内容仅供参考,项目法人应根据安全目标责任书的内容制订考核办法。表2-1-3安全生产目标管理考核表(20年季度)工程名称:考核单位:序号被考核部门、班组伤亡控制指标安全达标文明施工目标隐患治理目标考核结果考核人“五无”目标年度伤亡率千万元产值≤0.22人优良合格不合格优良合格不合格本月查处隐患数量/隐患治理率100%说明:1.本表一式份,由施工单位填写,用于考核施工单位内部各部门、班组和责任人。2.考核结果分为优良(打“△”),合格(打“√”),不合格(打“×”)。3.“五无”指无死亡事故、无中毒事故、无重大机械事故、无火灾事故、无重伤事故。4.年度轻伤事故率是指现场受轻伤人数与完成产值之比。5.安全达标指以《建筑施工安全检查标准》(JGJ59)中的评分标准划分。6.隐患治理率是指本月治理隐患与查出的隐患数量之百分比率。表2-1-4项目部安全生产目标管理考核表(20年季度)安全生产管理总目标一、伤亡控制指标:零死亡、无火灾事故、无坍塌事故、无重大机械事故、无职业中毒事故、零重伤二、按照JGJ59《建筑施工安全检查标准》要求达到合格等级以上三、文明施工按照本地标准达到合格等级以上四、隐患治理率达到100%序号管理人员目标分解考核期考核结论被考核人考核负责人1项目负责人贯彻执行企业安全生产规章制度,建立本项目的规章制度,制定本项目的安全生产管理目标,落实本项目的各项安全管理工作,并落实安全管理责任,对所承建的项目的安全生产全面负责按季度考评2项目副经理贯彻落实上级安全生产指令,掌握各种安全生产规章制度,协助项目经理做好各项安全生产工作,并有针对性地制定实施细则,落实本项目安全生产管理目标,组织落实分解目标,并监督实施按季度考评3项目技术负责人对项目的安全技术管理工作负责,落实项目负责人布署的安全生产管理工作按季度考评4专职安全人落实项目负责人,技术负责人布置的生产安全管理工作,根据不同的施工部位或施工内容,在开工前向班组进行危险作业告知书面安全技术交底和安全管理交底,巡查作业期间现场设备,设施安全措施的落实情况,对存在的安全隐患提出整改意见并跟进落实情况,按照检查标准协助项目经理落实定期安全检查考核工作,发生安全事故应立即组织抢救,报告上级,针对险情组织疏散,保护现场协助上级进行事故调查按季度考评5施工员落实生产安全管理工作和经过审批的施工方案中的安...

1、当您付费下载文档后,您只拥有了使用权限,并不意味着购买了版权,文档只能用于自身使用,不得用于其他商业用途(如 [转卖]进行直接盈利或[编辑后售卖]进行间接盈利)。
2、本站所有内容均由合作方或网友上传,本站不对文档的完整性、权威性及其观点立场正确性做任何保证或承诺!文档内容仅供研究参考,付费前请自行鉴别。
3、如文档内容存在违规,或者侵犯商业秘密、侵犯著作权等,请点击“违规举报”。

碎片内容

某省水利施工企业安全生产标准化表格

确认删除?
VIP
微信客服
  • 扫码咨询
会员Q群
  • 会员专属群点击这里加入QQ群
客服邮箱
回到顶部