电脑桌面
添加小米粒文库到电脑桌面
安装后可以在桌面快捷访问

仓储保管班班长岗VIP免费

仓储保管班班长岗_第1页
1/3
仓储保管班班长岗_第2页
2/3
仓储保管班班长岗_第3页
3/3
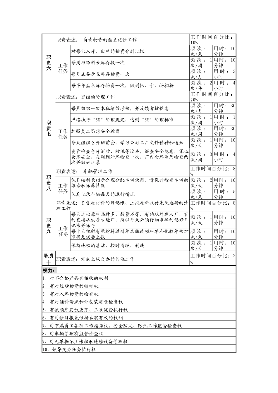
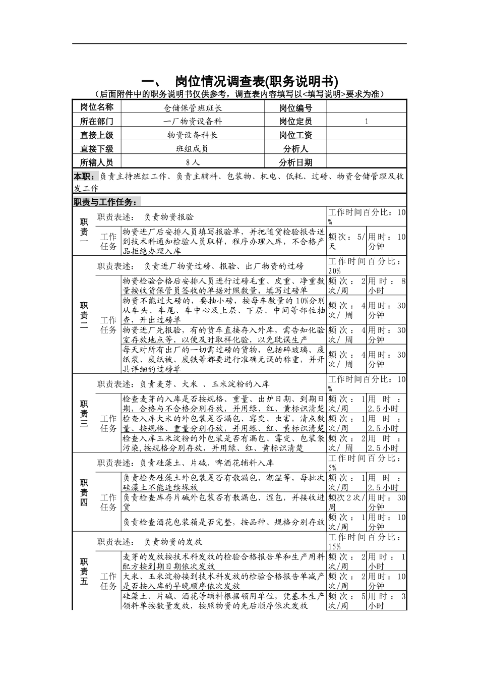
一、岗位情况调查表(职务说明书)(后面附件中的职务说明书仅供参考,调查表内容填写以<填写说明>要求为准)岗位名称仓储保管班班长岗位编号所在部门一厂物资设备科岗位定员1直接上级物资设备科长岗位工资直接下级班组成员分析人所辖人员8人分析日期本职:负责主持班组工作、负责主辅料、包装物、机电、低耗、过磅、物资仓储管理及收发工作职责与工作任务:职责一职责表述:负责物资报验工作时间百分比:10%工作任务物资进厂后安排人员填写报验单,并把随货检验报告送到技术科通知检验人员取样,程序办理入库,不合格产品拒绝办理入库频次:5/天用时:10分钟职责二职责表述:负责进厂物资过磅、报验、出厂物资的过磅工作时间百分比:20%工作任务物资检验合格后安排人员进行过磅毛重、皮重、净重数量按收货保管员签收的单据对照数量,填写过磅单频次:2次/周用时:8小时物资不能过大磅的,要抽小磅,按每车数量的10%分别从车头、车尾、车中心及上层、下层、中间等部位抽查,开出过磅单频次:4次/周用时:30分钟物资进厂先报验,有的货车直接存入外库,需告知化验室存放地点等,以便及时取样化验,以免耽误生产频次:4次/周用时:30分钟每天对所有出厂的一切需过磅的货物,包括碎玻璃、废纸浆、废纸被、废铁等都要进行准确无误的称重,并开具详细的过磅单频次:4次/周用时:30分钟职责三职责表述:负责麦芽、大米、玉米淀粉的入库工作时间百分比:10%工作任务检查麦芽的入库是否按规格、重量、出炉日期、到期日期,合格与不合格分别存放,并用绿、红、黄标识清楚频次:1次/周用时:2.5小时检查入库大米的外包装是否漏包、霉变、虫害,清点数量、按规格、重量分别存放,并用绿、红、黄标识清楚频次:1次/周用时:2.5小时检查入库玉米淀粉的外包装是否有漏包、霉变、包装袋污染,按规格分别存放,并用绿、红、黄标识清楚频次:2次/周用时:2.5小时职责四职责表述:负责硅藻土、片碱、啤酒花辅料入库工作时间百分比:5%工作任务负责检查硅藻土外包装是否有散漏包、潮湿等,每批次硅藻土不能连续垛放频次:1次/周用时:2.5小时负责检查库存片碱外包装否有散漏包、湿包,并接收进货频次2次/周用时:30分钟负责检查酒花包装箱是否完整,按品种、规格分别存放频次:1次/周用时:10分钟职责五职责表述:负责物资的发放工作时间百分比:15%工作任务麦芽的发放按技术科发放的检验合格报告单和生产用料配方按到期日期依次发放频次:2次/周用时:1小时大米、玉米淀粉接到技术科发放的检验合格报告单减产是否按入库的早晚顺序依次发放频次:2次/周用时:10分钟硅藻土、片碱、酒花等辅料根据领用单位,凭基本生产领料单按数量发放,按照物资的先后顺序依次发放频次:5次/周用时:3小时职责六职责表述:负责物资的盘点记帐工作工作时间百分比:10%工作任务对每批入库、出库的物资分别记帐频次:1次/天用时:10分钟每周报给科长库存数一次频次:1次/周用时:10分钟每月底要盘点库存物资一次频次:1次/月用时:3小时每半年盘点库存物资一次,做到帐、卡、物相符频次:2次/年用时:4小时职责七职责表述:班组的管理工作工作时间百分比:20%工作任务每月组织一次本班绩效考核,并反馈考核信息频次:1次/月用时:30分钟严格执行“5S”管理规定,达到“5S”管理标准频次:1次/周用时:1小时加强员工思想安全教育频次:1次/周用时:30分钟每天组织召开班前会,学习公司工厂文件精神和通知频次:1次/天用时:10分钟负责检查仓库消防、防汛等设施,巡查安全隐患,保证仓库安全,每周到外库检查一次,厂内仓库每周检查两次并做好记录频次:3次/周用时:4小时职责八职责表述:车辆管理工作工作时间百分比:8%工作任务认真按科长指示合理分配车辆使用,督促并检查车辆的维修和保养情况频次:2次/天用时:10分钟认真记录车辆每天的运行情况频次:1次/天用时:5分钟职责九职责表述:负责原材料的日记帐、上报原料收付表及地磅的清理工作工作时间百分比:8%工作任务每天进出原料品种多、数量不等,有的从外库入厂、有的直接从供房方进厂,所以每天必须仔细准确的记好日记帐并保存频次:1次/天用时:10分钟每十天把所有...

1、当您付费下载文档后,您只拥有了使用权限,并不意味着购买了版权,文档只能用于自身使用,不得用于其他商业用途(如 [转卖]进行直接盈利或[编辑后售卖]进行间接盈利)。
2、本站所有内容均由合作方或网友上传,本站不对文档的完整性、权威性及其观点立场正确性做任何保证或承诺!文档内容仅供研究参考,付费前请自行鉴别。
3、如文档内容存在违规,或者侵犯商业秘密、侵犯著作权等,请点击“违规举报”。

碎片内容

仓储保管班班长岗

您可能关注的文档

确认删除?
VIP
微信客服
  • 扫码咨询
会员Q群
  • 会员专属群点击这里加入QQ群
客服邮箱
回到顶部